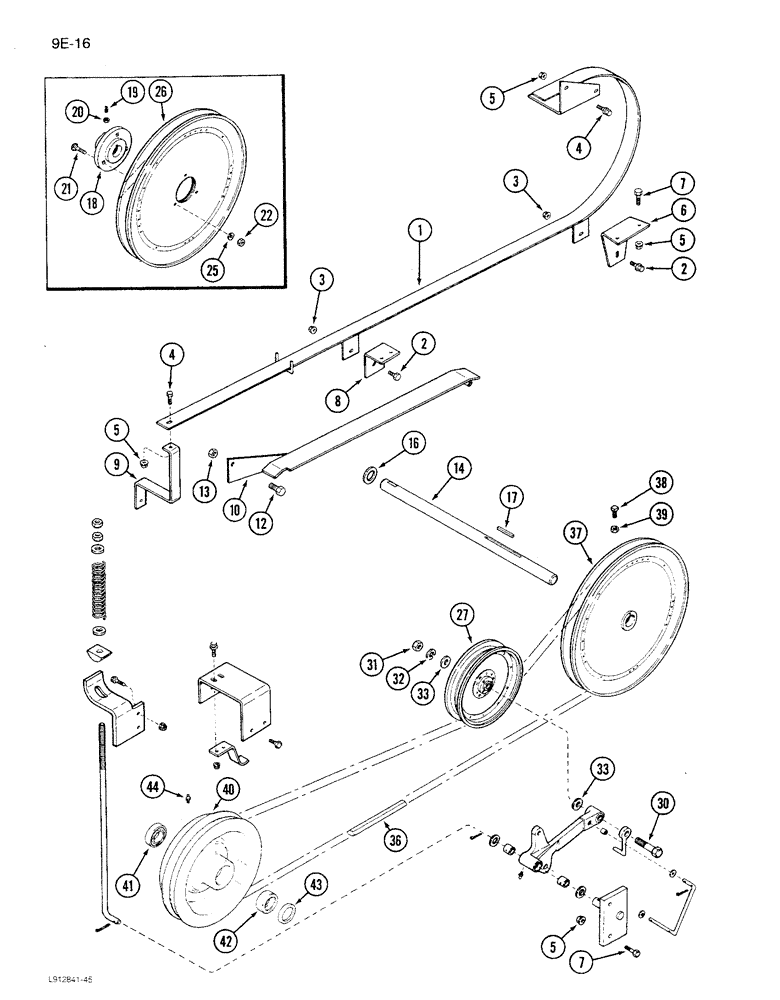
Запчасти Case IH 1680 (9E-16) - GRAIN TANK UNLOADER BELT DRIVE, P.I.N. JJC0115352 AND AFTER (17) - GRAIN TANK & UNLOADER

Схема запчастей Case IH 1680 - (9E-16) - GRAIN TANK UNLOADER BELT DRIVE, P.I.N. JJC0115352 AND AFTER (17) - GRAIN TANK & UNLOADER
9
13
31
30
42
22
19
36
18
3
33
8
33
17
25
27
26
32
39
10
2
14
5
12
16
43
37
2
3
1
7
5
21
20
41
6
5
4
5
38
7
44
4
40
FIT
1:1
100%

Артикул

Название

Примечание

Количество

1

192929C6

GUIDE

- belt, unloader

1шт.

2

155807C1

BOLT,Hex Serr, 5/16" - 18 x 1"

2шт.

3

938017R1

FLANGE NUT,Flg, USR, 5/16"-18

- hex flange lock, 5/16 inch NC

2шт.

4

154273C1

BOLT,Hex Serr, 3/8" - 16 x 1", Spcl

SCREW - lock, 3/8 NC x 1 inch

4шт.

5

482256R1

BEARING LOCK NUT,Flg, USR, 3/8"-16

- hex flange lock, 3/8 inch NC

8шт.

6

192870C1

SUPPORT

ANGLE - support, front

1шт.

7

165420C1

BOLT,Hex Serr, 3/8"-16 x 1 1/4", Spcl

- hex lock, 3/8 NC x 1-1/4 inch

4шт.

8

1347450C1

SUPPORT

ANGLE - support, center

1шт.

9

1347451C1

SUPPORT

ANGLE - support, lower rear, Start Serial: JJC0117060

1шт.

9

1541741C1

SUPPORT

ANGLE - support, lower rear, Serial Range: -JJC00117060

1шт.

10

193759C3

SUPPORT

GUIDE - belt, upper

1шт.

12

413-820

BOLT,Hex, 1/2" - 13 x 1-1/4", Gr 5

- hex, 1/2 NC x 1-1/4 inch

1шт.

13

231-1448

NUT,1/2"-13, GB

- hex lock, 1/2 inch NC

1шт.

14

1347352C1

SHAFT

- vertical auger

1шт.

16

495-81202

WASHER,1 9/32" x 1 3/4" x .060"

- flat, 1-5/32 x 1-3/4 x 3/64 inch

1шт.

17

586879R1

KEY

- square parallel, 5/16 x 2 inch

1шт.

18

1347361C1

HUB

- pulley, driven

1шт.

References 18 through 26 replaced by reference 37.

1шт.

19

485-13116

SET SCREW,Sq Hd, 5/16"-18 x 1", Cup pt

SCREW - set, square head, 5/16 NC x 1 inch, cup point

2шт.

References 18 through 26 replaced by reference 37.

1шт.

20

425-145

JAM NUT,Jam, 5/16"-18, G5

2шт.

References 18 through 26 replaced by reference 37.

1шт.

21

434-620

CARRIAGE BOLT,Sht Sq Nk, 3/8" - 16 x 1 1/4", Gr 5

BOLT, CARRIAGE, Short NK, 3/8"-16 x 1 1/4", G5, Full Thd

3шт.

References 18 through 26 replaced by reference 37.

1шт.

22

425-106

NUT,3/8"-16, Cl 5

3шт.

References 18 through 26 replaced by reference 37.

1шт.

25

492-11038

LOCK WASHER,3/8"

3шт.

References 18 through 26 replaced by reference 37.

1шт.

26

192967C1

PULLEY ASSY.

PULLEY - driven

1шт.

References 18 through 26 replaced by reference 37.

1шт.

27

663887R91

PULLEY,203.2mm Idler Dia x 214.63mm OD x 48.42mm W

- tightener, belt

1шт.

30

413-1060

BOLT,Hex, 5/8" - 11 x 3-3/4", Gr 5

- hex, 5/8 NC x 3-3/4 inch

1шт.

31

425-1010

NUT,5/8"-11, G5

1шт.

32

492-11062

BEARING WASHER,5/8"

WASHER, LOCK, 5/8"

1шт.

33

496-21066

WASHER,16.6mm ID x 33.5mm OD x 3.8mm Thk

- flat, 21/32 x 1-5/16 x 5/32 inch

2шт.

36

1989217C1

V-BELT,22.327 mm W x 3712.09 mm L

V-BELT , Drive, Unloader 22.327 mm W x 3712.09 mm L

1шт.

37

1994762C1

PULLEY ASSY.

PULLEY - driven

1шт.

References 18 through 26 replaced by reference 37.

1шт.

38

485-13116

SET SCREW,Sq Hd, 5/16"-18 x 1", Cup pt

SCREW - set, square head, 5/16 NC x 1 inch, cup point

2шт.

39

425-145

JAM NUT,Jam, 5/16"-18, G5

2шт.

40

1347377C1

PULLEY ASSY.

PULLEY ASSEMBLY - drive, pump, Includes: Ref. 41 - 43

1шт.

41

658089R91

BALL BEARING,30mm ID x 62mm OD x 16mm W

BEARING ASSEMBLY - ball

1шт.

42

191213C91

NEEDLE BEARING,41.275 mm ID x 50.812 mm OD x 25.4 mm

BEARING ASSEMBLY - pulley

1шт.

43

466176R92

SEAL

- pulley

1шт.

44

87414

LUBE NIPPLE,1/4" - 28

FITTING - straight lube, 1/4 inch

1шт.

Выбрано товаров: 45