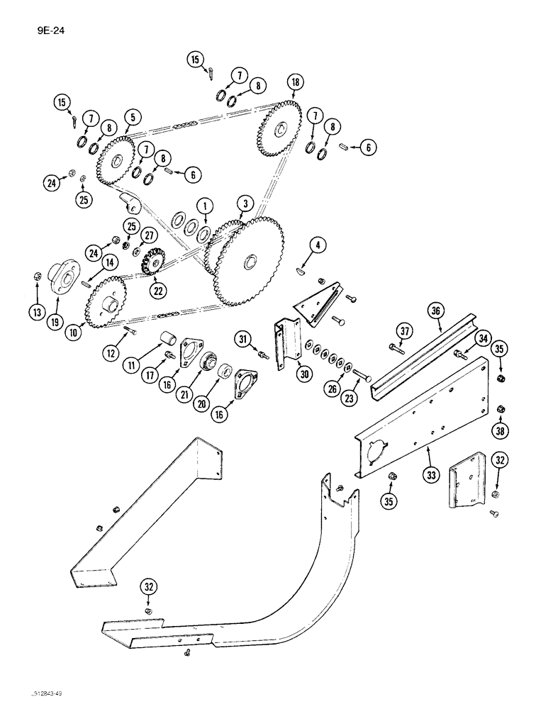
Запчасти Case IH 1680 (9E-24) - GRAIN TANK UNLOADER CHAIN DRIVE, P.I.N. JJC0115352 AND AFTER (17) - GRAIN TANK & UNLOADER

Схема запчастей Case IH 1680 - (9E-24) - GRAIN TANK UNLOADER CHAIN DRIVE, P.I.N. JJC0115352 AND AFTER (17) - GRAIN TANK & UNLOADER
7
34
17
24
32
8
19
5
6
15
8
26
10
7
4
6
36
33
38
11
21
31
16
25
3
27
14
35
8
12
7
23
7
22
20
37
13
24
8
18
16
25
1
32
35
30
15
FIT
1:1
100%

Артикул

Название

Примечание

Количество

1

1327731C1

THRUST WASHER

WASHER - flat special, 1-13/32 x 2-1/4 x 1/8 inch

3шт.

3

1347402C1

SPROCKET

ASSEMBLY - driven (33 and 57 teeth)

1шт.

4

126-133

WOODRUFF KEY,#D, 5/16" x 1 1/4", HT

1шт.

5

187331C1

SPROCKET ASSY.

SPROCKET - driven, front (49 teeth)

1шт.

6

Q53

KEY,1/4" Sq x 1", Par

2шт.

7

495-81070

WASHER,1 1/32" x 1 1/2" x .120"

- flat, 1-1/32 x 1-1/2 x 3/32 inch

8шт.

8

495-81069

WASHER,1-1/32" ID x 1-1/2" OD x 3/50" Thk

- flat, 1-1/32 x 1-1/2 x 1/16 inch

4шт.

10

1347360C1

SPROCKET

ASSEMBLY - drive, Includes: Ref. 11

1шт.

11

1347384C1

BEARING,31.77mm ID x 19.05mm L

BUSHING - sprocket

1шт.

12

413-516

BOLT,Hex, 5/16" - 18 x 1", Gr 5

- hex, 5/16 NC x 1 inch, Grade 8

2шт.

13

131-1215

LOCK NUT,5/16"-18, GC

NUT, LOCK, 5/16"-18, GC

2шт.

14

126-147

WOODRUFF KEY,#28, 5/16" x 2 1/8", HT

1шт.

15

432-1624

COTTER PIN,1/4" x 1 1/2"

Pin, Split (Cotter), 1/4" x 1-1/2"

2шт.

16

180955C1

FLANGED BEARING,0.375"

FLANGE - beater

4шт.

17

541313R1

BOLT,Hex Serr Flg, 3/8" - 16 x 3/4"

SCREW - hex flange, 3/8 NC x 3/4 inch

6шт.

18

192922C1

SPROCKET

- driven, rear (43 teeth)

1шт.

19

1347399C1

HUB

PLATE - unloader drive

1шт.

20

565672R92

SPHERICAL BEARING,1.2505" ID x 72 mm OD x 1"

BEARING ASSEMBLY - ball

2шт.

21

455104R11

COLLAR

ASSEMBLY - locking

2шт.

22

565442R91

SPROCKET

- tightener (17 teeth)

1шт.

23

434-832

CARRIAGE BOLT,Sht Sq Nk, 1/2" - 13 x 2", Gr 5

BOLT - round head square neck, 1/2 NC x 2 inch

1шт.

24

425-108

NUT,1/2" - 13, Gr 5

NUT, , Hex 1/2"-13, G5

2шт.

25

80679

LOCK WASHER,1/20.507 CST ZND

WASHER, LOCK, 1/2"

2шт.

26

498-81005

SQ HOLE WASHER,13.49mm ID x 25.4mm OD x 1.52mm Thk

- square hole, 17/32 x 1 x 1/16 inch

1шт.

27

496-21053

WASHER,17/32" x 1 1/16" x .134"

- flat, 17/32 x 1-1/16 x 1/8 inch

1шт.

30

192901C1

SUPPORT

BRACKET - support, sprocket

1шт.

31

202107C1

BOLT,Hex Serr Flg, 5/16" - 18 x 3/4"

- hex flange lock, 5/16 NC x 3/4 inch

12шт.

32

938017R1

FLANGE NUT,Flg, USR, 5/16"-18

- hex flange lock, 5/16 inch NC

4шт.

33

1347379C1

SUPPORT

- jackshaft, outer

1шт.

34

121-228

SERRATED BOLT,Hex, 3/8" - 16 x 3/4"

3шт.

35

482256R1

BEARING LOCK NUT,Flg, USR, 3/8"-16

- hex lock, 3/8 inch NC

3шт.

36

1319469C1

CHANNEL

- support

1шт.

37

413-628

BOLT,Hex, 3/8" - 16 x 1-3/4", Gr 5

- hex, 3/8 NC x 1-3/4 inch

4шт.

38

482256R1

BEARING LOCK NUT,Flg, USR, 3/8"-16

- hex flange lock, 3/8 inch NC

4шт.

Выбрано товаров: 0