Запчасти Case IH 1680 (2-060) - CYLINDER BLOCK, 6TA-830 ENGINE, 12 PISTON COOLING NOZZLES, ENGINE SERIAL NO. 44487830 & AFTER, (CONT (01) - ENGINE

Схема запчастей Case IH 1680 - (2-060) - CYLINDER BLOCK, 6TA-830 ENGINE, 12 PISTON COOLING NOZZLES, ENGINE SERIAL NO. 44487830 & AFTER, (CONT (01) - ENGINE
27
30
29
46
28
44
45
47
FIT
1:1
100%

Артикул

Название

Примечание

Количество

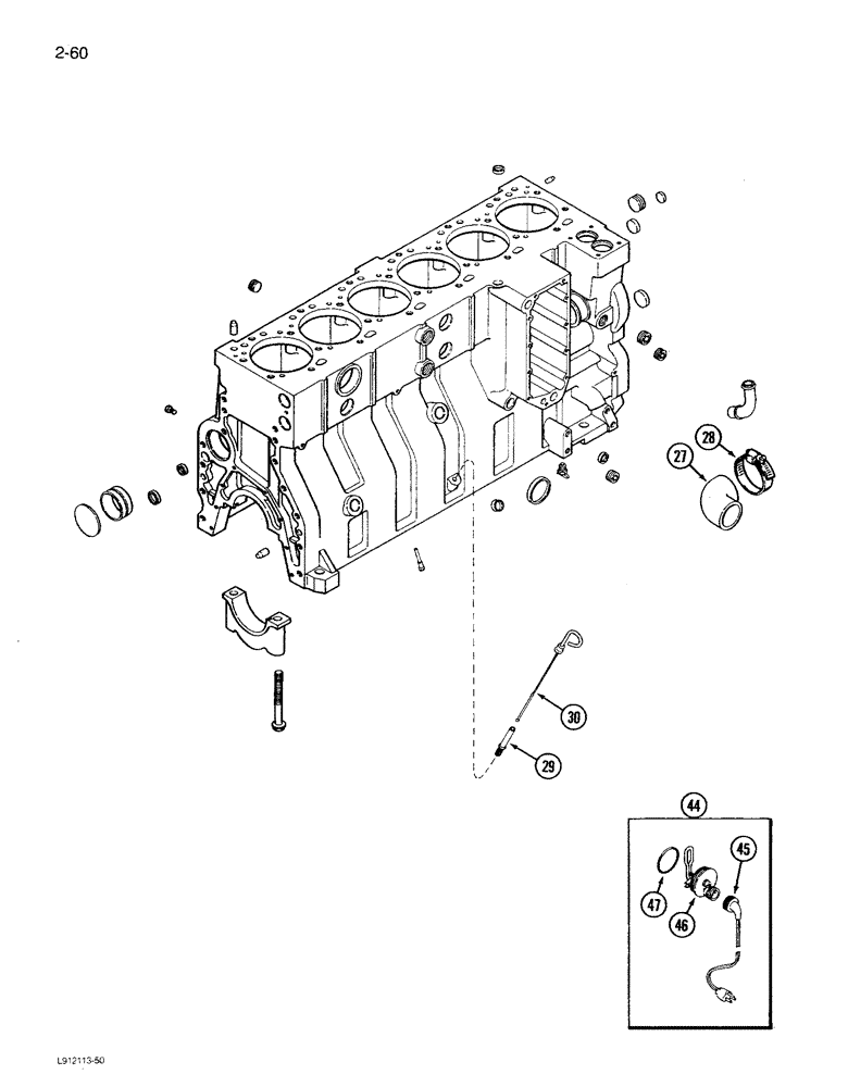
27

J918176

HOSE,7.90 mm ID x 330.00 mm

Plain, Continued 7.90 mm ID x 330.00 mm

1шт.

J920762 Elbow, Water inlet

1шт.

28

D140877

HOSE CLAMP,#6, 0.44/0.78 Type M Worm

CLAMP - hose

1шт.

29

J905425

TUBE,9.52 mm OD x 93 mm L

- dipstick

1шт.

30

J906757

DIPSTICK

- oil gauge

1шт.

44

A77595

KIT

HEATER KIT - coolant, Includes: Ref. 45 - 47

1шт.

45

J905113

CABLE

- heater, coolant kit

1шт.

J905113 and 196466A1 are 6ft. long. For 1ft. long cord, order A44813.

1шт.

46

J918597

HEATER

ELEMENT - heater, 120 volt 1000 watts, coolant kit

1шт.

47

J910517

O-RING

- heater element, coolant kit

1шт.

Выбрано товаров: 10