Запчасти Case IH 1680 (6-032) - HYDROSTATIC PUMP ASSEMBLY, W/ SINGLE & DUAL SPEED MOTOR, CORN, GRAIN, AND RICE COMBINE, (CONTD) (03) - POWER TRAIN

Схема запчастей Case IH 1680 - (6-032) - HYDROSTATIC PUMP ASSEMBLY, W/ SINGLE & DUAL SPEED MOTOR, CORN, GRAIN, AND RICE COMBINE, (CONTD) (03) - POWER TRAIN
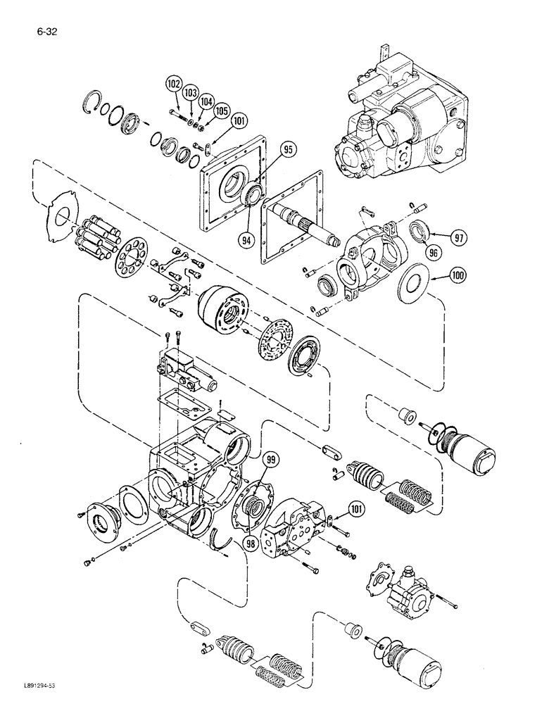
99
95
94
98
97
103
100
102
96
104
105
101
101
FIT
1:1
100%

Артикул

Название

Примечание

Количество

REF

INSTRUCTION

PUMP ASSEMBLY - hydrostatic, continued

1шт.

94

56694H

BEARING ASSY,50.8mm ID x 30.3mm W

CONE - bearing, input shaft

1шт.

95

ST863

BEARING CUP,93.22mm OD x 23.81mm W

CUP - bearing, input shaft

1шт.

96

399933C91

ROLLER BEARING,45.24mm ID x 19.81mm W

CONE - bearing, trunnion 1-25/32 inch ID

2шт.

97

399934C1

BEARING CUP,73.43mm OD x 15.75mm W

CUP - bearing, trunnion 2-57/64 inch OD

2шт.

98

400983R91

ROLLER BEARING,1.18775" ID x 2.5317" OD x 0.8478"

CONE - bearing, input shaft 1-3/16 inch ID

1шт.

99

530741R1

BEARING CUP

CUP - bearing, input shaft 2-17/32 inch OD

1шт.

100

80369C1

PLATE

- thrust

1шт.

101

NSS

NOT SOLD SEPARAT

STRAP - shipping (Shown for reference only)

2шт.

102

413-836

BOLT,Hex, 1/2" - 13 x 2-1/4", Gr 5

- hex, 1/2 NC x 2-1/4 inch

4шт.

103

80679

LOCK WASHER,1/20.507 CST ZND

WASHER, LOCK, 1/2"

4шт.

104

283856C1

WASHER

- flat, 17/32 x 1 x 3/16 inch

4шт.

105

425-108

NUT,1/2" - 13, Gr 5

NUT, , Hex 1/2"-13, G5

4шт.

Выбрано товаров: 13