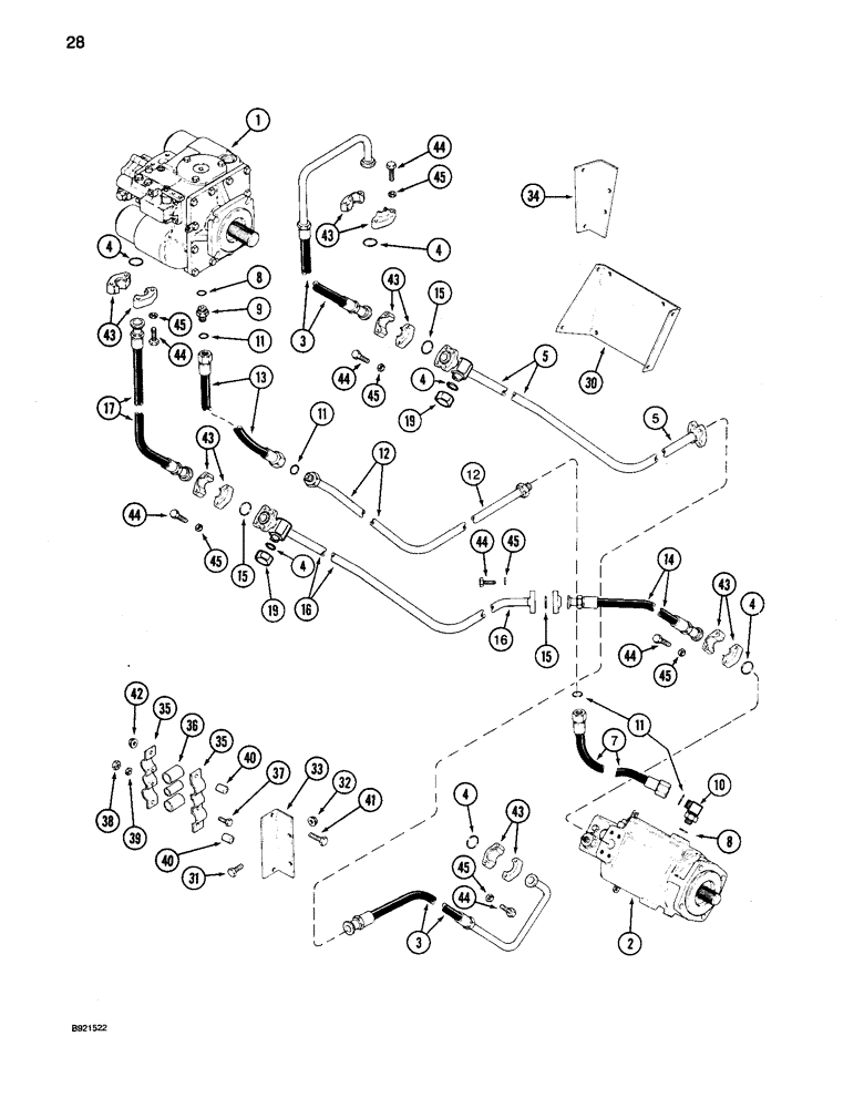
Запчасти Case IH 1680 (028) - HYDROSTATIC PUMP AND MOTOR SYSTEM, SINGLE SPEED MOTOR, CORN, GRAIN AND RICE COMBINE (29) - HYDROSTATIC DRIVE

Схема запчастей Case IH 1680 - (028) - HYDROSTATIC PUMP AND MOTOR SYSTEM, SINGLE SPEED MOTOR, CORN, GRAIN AND RICE COMBINE (29) - HYDROSTATIC DRIVE
40
19
8
16
42
4
35
19
44
1
7
14
45
36
34
43
32
31
4
16
38
43
2
44
5
45
37
45
44
12
8
17
12
30
11
3
40
45
44
13
15
41
3
4
5
33
15
15
44
11
45
39
9
45
10
43
43
11
43
4
44
4
4
35
44
45
43
FIT
1:1
100%

Артикул

Название

Примечание

Количество

1

1343716C1

PUMP, HYDRAULIC

PUMP ASSEMBLY - hydrostatic, corn and grain, parts list pages 33 - 41

1шт.

1

87637528R

REMAN-HYDROSTAT PUMP

Corn And Grain

1шт.

1

87637528C

CORE-HYDROSTAT PUMP

Return Number

1шт.

1

108113A1

PUMP, HYDROSTATIC

PUMP ASSEMBLY - hydrostatic, rice

1шт.

1

87637529R

REMAN-HYDROSTAT PUMP

Rice

1шт.

1

87637529C

CORE-HYDROSTAT PUMP

Return Number

1шт.

2

1343609C2

MOTOR, HYDRAULIC

MOTOR ASSEMBLY - hydrostatic, parts list pages 43 - 47

1шт.

3

1979955C1

HOSE

- reverse pressure

2шт.

4

238-6219

O-RING,0.139" Thk x 1.296" ID, -219, Cl 6, 90 Duro

4шт.

4

238-6018

O-RING,0.07" Thk x 0.739" ID, -18, Cl 6, 90 Duro

1шт.

5

1541757C1

TUBE

- reverse pressure, 1 inch OD

1шт.

7

1979935C1

HOSE

- case drain, lower

1шт.

8

237-6012

O-RING,0.116" Thk x 0.924" ID, -912, Cl 6, 90 Duro

12-1, 90 Duro, .924 ID x .116" Thk

2шт.

9

201-130

HYD CONNECTOR,1 7/16"-12 ORFS x 1 1/16"-12 ORB

CONNECTOR - 3/4 x 1 inch, straight ORFS

2шт.

10

201-313

ELBOW,90 Degree, 1 7/16"-12 x 1 1/16"-12, Adj, ORFS

- 90 degree

1шт.

11

238-6021

O-RING,15/16 X 1 - 1/16, Cl 6

4шт.

12

1979932C1

HYD TUBE

TUBE - case drain

1шт.

13

1347262C2

HOSE ASSY.

HOSE - case drain, lower (replaces 1347262C1)

1шт.

14

1979953C2

HOSE ASSY.

HOSE - forward lower pressure (replaces 1979953C1)

1шт.

15

238-6219

O-RING,0.139" Thk x 1.296" ID, -219, Cl 6, 90 Duro

4шт.

16

1541756C1

PIPE

TUBE - forward pressure, 1 inch OD

1шт.

17

1979952C2

HOSE ASSY.

HOSE - forward upper pressure (replaces 1979952C1)

1шт.

19

201-907

CAP,1-3/16" - 12 ORFS

Tube 3/4" 1 3/16"-12 ORFS

2шт.

30

1979941C1

SUPPORT

- hydrostatic tube, rear

1шт.

31

154273C1

BOLT,Hex Serr, 3/8" - 16 x 1", Spcl

- hex flange, self-locking, 3/8 NC x 1 inch

6шт.

32

482256R1

BEARING LOCK NUT,Flg, USR, 3/8"-16

- hex flange, self-locking, 3/8 inch NC

6шт.

33

1347034C1

SUPPORT

BRACKET - tube, middle support

1шт.

34

1347033C1

SUPPORT

BRACKET - tube, front support

1шт.

35

1347156C1

SHIN

CLAMP - half, tube (use with 1 inch OD tube)

6шт.

35

1979951C1

SHIN

CLAMP - half, tube (use with 1-1/4 inch OD tube)

6шт.

36

187935C1

STRIP

- pressure, tube clamp (use with 1-1/4 inch OD tube)

9шт.

36

1979963C1

SHIN

STRIP - pressure, tube clamp (use with 1 inch OD tube)

6шт.

37

413-516

BOLT,Hex, 5/16" - 18 x 1", Gr 5

- hex, 5/16 NC x 1 inch

6шт.

38

425-105

NUT,5/16"-18, G5

- hex, 5/16 inch NC

6шт.

39

492-11031

LOCK WASHER,5/16"

WASHER, LOCK, 5/16"

6шт.

40

645342C1

SPACER,10.34mm ID x 15.87mm OD x 25.4mm L

- 3/8 ID x 1 inch

6шт.

41

413-632

BOLT,Hex, 3/8" - 16 x 2", Gr 5

6шт.

42

482256R1

BEARING LOCK NUT,Flg, USR, 3/8"-16

- hex flange, self-locking, 3/8 inch NC

6шт.

43

S97224

CLAMP

- split flange, 1 inch

16шт.

44

413-728

BOLT,Hex, 7/16" - 14 x 1-3/4", Gr 5

32шт.

45

492-11044

LOCK WASHER,7/16"

WASHER, LOCK, 7/16"

32шт.

Выбрано товаров: 41