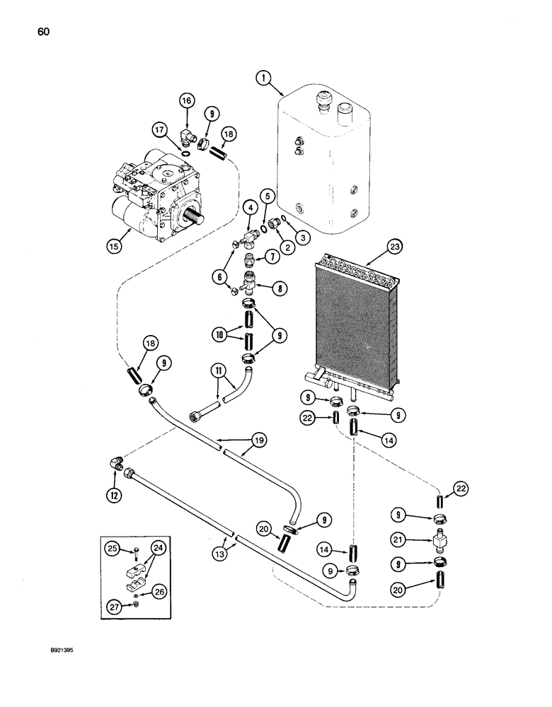
Запчасти Case IH 1680 (060) - OIL COOLER SYSTEM, CORN AND GRAIN COMBINE, WITH POWER GUIDE AXLE (35) - HYDRAULIC SYSTEMS

Схема запчастей Case IH 1680 - (060) - OIL COOLER SYSTEM, CORN AND GRAIN COMBINE, WITH POWER GUIDE AXLE (35) - HYDRAULIC SYSTEMS
9
9
9
21
14
9
9
15
20
18
5
7
11
27
2
9
23
25
20
19
24
6
12
3
1
8
9
18
16
22
10
14
9
22
9
13
17
26
4
FIT
1:1
100%

Артикул

Название

Примечание

Количество

1

1343660C1

RESERVOIR

ASSEMBLY - hydraulic oil (See Page 53)

1шт.

2

1979767C1

ADAPTER

- reducer

1шт.

3

237-6012

O-RING,0.116" Thk x 0.924" ID, -912, Cl 6, 90 Duro

12-1, 90 Duro, .924 ID x .116" Thk

1шт.

4

1979760C1

TEE

- return

1шт.

5

237-6016

O-RING,0.116" Thk x 1.171" ID, -916, Cl 6, 90 Duro

16-1, 90 Duro, 1.171" ID x .118" Thk

1шт.

6

214-274

HOSE CLAMP,#04, 0.25" - 0.62", Type F Worm

2шт.

7

1343558C1

VALVE

- bypass, power guide axle

1шт.

8

1979655C1

TEE

- wheel motor flush

1шт.

9

214-1516

HOSE CLAMP,#16, 0.81" - 1.5", Type F Worm, W/ Liner

CLAMP, HOSE, #16, .81/1.50 Type F Worm, W/liner

10шт.

10

REF

INSTRUCTION

HOSE - cooler return to tee, 267 mm (See Note A)

1шт.

11

1979731C1

TUBE

- cooler return

1шт.

12

218-478

ELBOW,90 Degree Elbow, 1-5/16" - 12 Male JIC x 1-5/16" - 12 Male JIC

- 90 degree, 1-5/16-12 inch thread

1шт.

13

1324941C1

HYD TUBE,1" OD, 1790.5, 127 mm Length

TUBE - oil cooler return

1шт.

14

REF

INSTRUCTION

HOSE - cooler to return tee, 1040 mm (See Note A)

1шт.

15

1343716C1

PUMP, HYDRAULIC

PUMP ASSEMBLY - hydrostatic (See Pages 33 - 41)

1шт.

87637528R

REMAN-HYDROSTAT PUMP

1680, Reman for New P/N 1343716C1

1шт.

87637528C

CORE-HYDROSTAT PUMP

Return Number

1шт.

16

178995C1

ELBOW

- 90 degree, 1-1/16-12 thread x 1 inch barb end

1шт.

17

237-6012

O-RING,0.116" Thk x 0.924" ID, -912, Cl 6, 90 Duro

12-1, 90 Duro, .924 ID x .116" Thk

1шт.

18

REF

INSTRUCTION

HOSE - hydraulic cooler to pump, 610 mm (See Note A)

1шт.

19

1979658C1

HYD TUBE,1" OD

TUBE - oil cooler return

1шт.

20

REF

INSTRUCTION

HOSE - auxiliary cooler to return tee, 343 mm (See Note A)

1шт.

21

1979768C1

ADAPTER

- hose, special, 1 x 3/4 inch

1шт.

22

REF

INSTRUCTION

HOSE - cooler to supply tee, 559 mm (See Note B)

1шт.

23

A189469

COOLER

ASSEMBLY - hydraulic oil (See Page 63)

2шт.

24

1347071C1

CLAMP

- tube retaining, 1 inch OD

2шт.

25

413-536

BOLT,Hex, 5/16" - 18 x 2-1/4", Gr 5

- hex, 5/16 NC x 2-1/4 inch

2шт.

26

495-21038

WASHER,5/16"

(3/8 x 7/8 x 5/64") 5/16"

2шт.

27

938017R1

FLANGE NUT,Flg, USR, 5/16"-18

- hex flange, self-locking, 5/16 inch NC

2шт.

Выбрано товаров: 29