Запчасти Case IH 1682 (9-148) - CLEANING FAN DRIVE (CONTD) (09) - CHASSIS ATTACHMENTS

Схема запчастей Case IH 1682 - (9-148) - CLEANING FAN DRIVE (CONTD) (09) - CHASSIS ATTACHMENTS
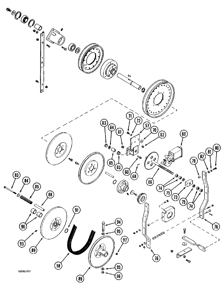
72
94
75
96
89
71
63
95
90
89
74
70
61
98
75
95
83
85
74
57
69
68
76
80
62
66
97
79
91
64
63
65
81
82
76
73
88
60
84
93
FIT
1:1
100%

Артикул

Название

Примечание

Количество

57

181199C2

SUPPORT

- speed control motor (Replaces support 181199C1)

1шт.

60

154273C1

BOLT,Hex Serr, 3/8" - 16 x 1", Spcl

- hex, self-locking, special, 3/8 NC x 1 inch

2шт.

61

231-5146

FLANGE NUT,3/8"-16

2шт.

62

55825C1

BUSHING,8.03mm ID x 12.74mm OD x 9.65mm L

- electric motor, flange

1шт.

63

55826C1

BUSHING,15.9mm ID x 20.7mm OD x 12.7mm L

- flange

2шт.

64

495-81177

WASHER,21/32" x 1" x .030"

- flat, 21/32 x 1 x 1/32 inch (Replaces washer 22258R1)

1шт.

65

181205C1

SPACER

- adjusting gear shaft

1шт.

66

181202C1

SHAFT ASSY.

SHAFT - adjusting gear

1шт.

68

38-11216

LOCK PIN,3/16" x 1", Slotted

PIN, 3/16" x 1", Slotted

1шт.

69

126573C1

MOTOR, ELECTRIC

MOTOR - electric, variable speed

1шт.

70

495-81138

WASHER,10.31mm ID x 25.4mm OD x 4.93mm Thk

- flat, 13/32 x 1 x 11/64 inch (Replaces washer 22264R1)

3шт.

71

413-412

BOLT,Hex, 1/4" - 20 x 3/4", Gr 5

- hex, 1/4 NC x 3/4 inch

3шт.

72

492-11025

LOCK WASHER,1/4"

WASHER, LOCK, 1/4"

3шт.

73

181206C1

BLOCK

- shaft, control

1шт.

74

425-1010

NUT,5/8"-11, G5

4шт.

75

1302054C1

WASHER,15.95mm ID x 25.4mm OD x 1.52mm Thk

- thrust

2шт.

76

REF

INSTRUCTION

STRAP - support

2шт.

79

27825R1

SPACER,8.5mm ID x 12.7mm OD x 12.7mm L

Block 1/2" Tube x 1/2"

2шт.

80

413-516

BOLT,Hex, 5/16" - 18 x 1", Gr 5

- hex, 5/16 NC x 1 inch

2шт.

81

492-11031

LOCK WASHER,5/16"

WASHER, LOCK, , Pulley 5/16"

2шт.

82

28588R1

WASHER

- flat, 11/32 x 11/16 x 3/64 inch (Replaces washer 27309R1)

2шт.

83

413-580

BOLT,Hex, 5/16" - 18 x 5", Gr 5

3шт.

84

495-81117

WASHER,.344" x 1" x .120"

- flat, 11/32 x 1 x 7/64 inch (Replaces washer 20893R1)

3шт.

85

1302181C2

SPRING

- adjustment, pulley

3шт.

88

1302180C2

BUSHING,8.2mm ID x 14.27mm OD x 101.6mm L

SPACER - adjustment spring

3шт.

89

1324948C1

PULLEY ASSY.

PULLEY ASSEMBLY - fan drive adjustable (Replaces pulley assembly 185023C93), Includes: Ref. 90 & 91

1шт.

90

629232R1

BUSHING,31.8mm ID x 34.92mm OD x 25.4mm L

- pulley

2шт.

91

326-828

BOLT,Hex, 1/2" - 13 x 1-3/4", Gr 8

1шт.

93

219-87

LUBE NIPPLE,1/4" - 28 NPTF

NIPPLE, LUBE, (Replaces fitting 19588R1) 1/4"-28 x .56" lg, Self-Tap

1шт.

94

326-848

BOLT,Hex, 1/2" - 13 x 3", Gr 8

1шт.

95

396-31053

WASHER,17/32" x 1 1/16" x .188", HDN

- flat, 17/32 x 1-1/16 x 3/16 inch (Replaces washer 25546R1)

2шт.

96

232-4118

NUT,1/2"-13, GC

NUT, LOCK, (Replaces nut 9412230) 1/2"-13, GC

1шт.

97

232-4115

LOCK NUT,5/16"-18, GC

NUT, LOCK, 5/16"-18, GC

1шт.

98

195396C2

BELT,31.80 mm W x 1881.58 mm L

V-BELT , Drive, Over center 31.80 mm W x 1881.58 mm L

1шт.

Выбрано товаров: 34