Запчасти Case IH 1682 (4-02) - GRAIN TANK HARNESS, UNLOADER LAMP HARNESS (06) - ELECTRICAL

Схема запчастей Case IH 1682 - (4-02) - GRAIN TANK HARNESS, UNLOADER LAMP HARNESS (06) - ELECTRICAL
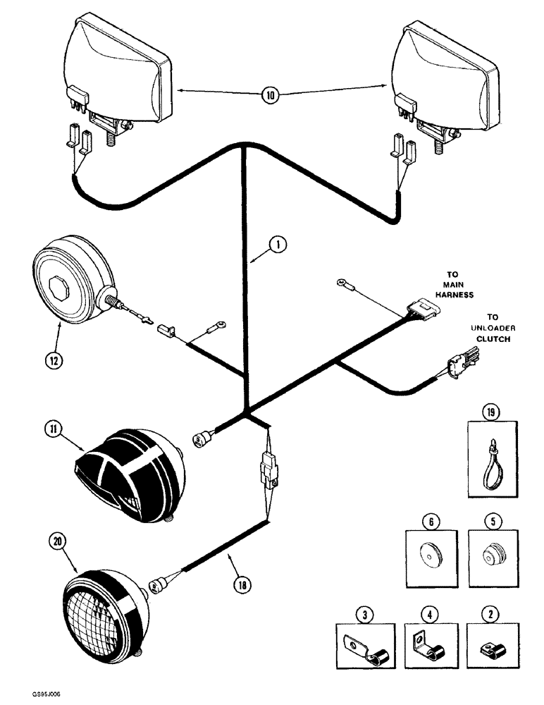
3
5
12
2
10
1
4
18
20
19
6
11
FIT
1:1
100%

Артикул

Название

Примечание

Количество

1

91752C1

HARNESS

- grain tank

1шт.

2

362120R1

CLAMP,9.53mm ID, 10.32mm Bolt Hole, P Type

CLAMP - P-type, harness

11шт.

3

363660R1

CLIP

CLAMP - harness

3шт.

4

370383R1

CLIP

CLAMP - harness

3шт.

5

198824C1

GROMMET,12.7mm ID x 41.1mm OD x 26.9mm Thk

- rubber

1шт.

6

52118D

GROMMET

- rubber (Replaces grommet 1321765C1)

2шт.

10

245897C91

LAMP, WORK

LAMP - 80 x 30 Halogen, front

2шт.

11

245954C91

LAMP

ASSEMBLY - grain tank, parts list Figure 4-04

1шт.

12

196978C91

LIGHT

LAMP - flasher, left-hand front

1шт.

18

91828C1

HARNESS

- unloader lamp

1шт.

19

702093C1

CABLE TIE

STRAP - tie, harness, unloader lamp

5шт.

20

245954C91

LAMP

ASSEMBLY - unloader, parts list Figure 4-04, harness

1шт.

Выбрано товаров: 12