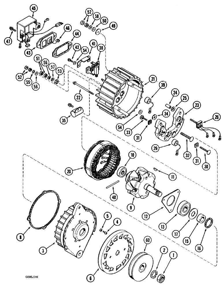
Запчасти Case IH 1682 (4-22) - FEEDER REVERSER ALTERNATOR (06) - ELECTRICAL

Схема запчастей Case IH 1682 - (4-22) - FEEDER REVERSER ALTERNATOR (06) - ELECTRICAL
47
34
30
60
55
6
53
5
40
23
26
17
33
54
3
1
32
12
51
24
57
41
8
15
43
50
16
38
49
29
11
13
20
44
42
21
35
4
58
25
52
2
31
45
22
46
10
58
54
52
9
56
39
31
FIT
1:1
100%

Артикул

Название

Примечание

Количество

91900C91

ALTERNATOR

SPARE PART ALTERNATOR ASSEMBLY - reverser, feeder, Includes: Ref. 1 - 58

1шт.

125849A1R

REMAN-ALTERNATOR

Remanufactured ALTERNATOR, 12 volt, 135 ampere

1шт.

125849A1C

CORE-ALTERNATOR

Return Part Number

1шт.

1

91557C1

NUT

NUT - hex, 5/8 inch NC (Replaces nut A187652)

1шт.

2

492-11031

LOCK WASHER,5/16"

WASHER, LOCK, (Replaces washer A187661) 5/16"

1шт.

3

A187637

HOUSING

SPARE PART HOUSING - front

1шт.

4

A187653

SCREW

SPARE PART SCREW - slotted machine, 8-32 x 3/8 inch

3шт.

5

492-11008

LOCK WASHER,#8

Washer, Lock, (Replaces washer A187658) #8

3шт.

6

A47270

FAN

SPARE PART FAN - ventilating, alternator

1шт.

8

A43439

GASKET

GASKET - housing

1шт.

9

A187638

ROTOR ASSY.

SPARE PART ROTOR ASSEMBLY - stator

1шт.

10

A44427

BALL BEARING,0.3937" ID x 1.1811" OD x 0.3543"

BEARING - rear

1шт.

11

1337280C1

KEY

SPARE PART KEY - shaft, Woodruff

1шт.

12

A187640

RETAINER

SPARE PART RETAINER - bearing, front

1шт.

13

76675C91

BALL BEARING,0.6693" ID x 1.5748" OD x 1.724"

BEARING - front (Replaces bearing A43404)

1шт.

15

A43405

SPACER

SPACER - fan

1шт.

16

A187641

SEAL

SPARE PART SEAL - bearing, front

1шт.

17

NSS

NOT SOLD SEPARAT

WASHER - bearing

1шт.

20

A187639

STATOR

SPARE PART STATOR ASSEMBLY - alternator

1шт.

21

A47269

HOUSING

HOUSING - rear

1шт.

22

A41041

INSULATOR

INSULATOR - hex, thru

4шт.

23

A43445

HEAD

SPARE PART HEAT SINK - positive diodes

1шт.

24

A41040

INSULATOR

SLEEVE - insulator

2шт.

25

A187641

SEAL

SPARE PART SEAL - flat, 1/4 x 1/2 inch OD

1шт.

26

A47849

DIODE

DIODE - field

1шт.

29

A187643

DIODE

SPARE PART DIODE - positive, rectifier

3шт.

30

A187645

BOLT

SPARE PART BOLT - carriage, No. 10-24 x 1-3/8 inch

1шт.

31

A41041

INSULATOR

INSULATOR - square

4шт.

32

A187646

BOLT

SPARE PART BOLT - carriage, 1/4-28 x 1-3/4 inch

1шт.

33

A187644

BOLT

SPARE PART BOLT - carriage, No. 10-24 x 3/4 inch

3шт.

34

A187647

INSULATOR

INSULATOR - sink

3шт.

35

A47273

CAPACITOR

CAPACITOR - alternator

1шт.

38

A47272

BRUSH

BRUSH AND HOLDER - alternator

1шт.

39

A187642

DIODE

SPARE PART DIODE - negative, rectifier

3шт.

40

77797C1

RETAINER

RETAINER - bearing, rear (Replaces retainer A43402)

1шт.

41

A43434

INSULATOR

INSULATOR - brush holder, brush

1шт.

42

A187654

SCREW

SPARE PART SCREW - self tapping, No. 8 x 1/2 inch

2шт.

43

A47265

COVER

COVER - brush holder

1шт.

44

A43440

GASKET

SPARE PART GASKET - brush cover

1шт.

45

A187663

REGULATOR

REGULATOR - voltage

1шт.

46

A187662

CONNECTOR, ELEC

SPARE PART CABLE - connector

1шт.

47

187-1089

SELF-TAP SCREW,Hex Wash Hd, #8 x 3/4"

SCREW - self-tapping, hex washer head, No. 8 NC x 3/4 inch

2шт.

49

A187648

WASHER

SPARE PART WASHER - insulator

5шт.

50

A47612

WASHER

WASHER - insulating, No. 10 ID

1шт.

51

A187651

NUT

SPARE PART NUT - hex, 1/4 inch - 28

2шт.

52

A187650

NUT

NUT - hex, No. 10-24 inch

12шт.

53

A43433

INSULATOR

INSULATOR - 1/4 inch ID x 5/8 inch OD (6.35 x 15.88 mm), insulated, molded

1шт.

54

A187647

INSULATOR

INSULATOR - washer

3шт.

55

91566C1

LOCK WASHER

WASHER - lock, No. 10

5шт.

56

192-19

LOCK WASHER,Helical Spring, 0.256" ID, CST, ZND

WASHER, LOCK, (Replaces washer 91567C1) 1/4"

1шт.

57

495-31025

WASHER,3/16"

WASHER - flat, 1/4 x 9/16 inch (Replaces washer A187657)

1шт.

58

A49639

WASHER

WASHER - flat, No. 10 x 7/16 inch

4шт.

60

1327907C1

PULLEY

SPARE PART PULLEY - alternator

1шт.

Выбрано товаров: 53