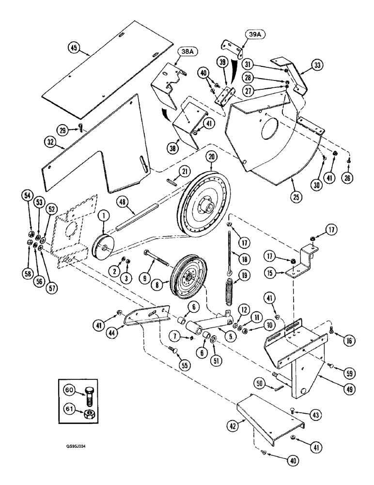
Запчасти Case IH 1682 (9-014) - REEL OR PICKUP DRIVE (09) - CHASSIS ATTACHMENTS

Схема запчастей Case IH 1682 - (9-014) - REEL OR PICKUP DRIVE (09) - CHASSIS ATTACHMENTS
8
33
31
59
25
44
17
40
1
49
19
58
42
39
61
55
17
41
39a
11
54
51
30
43
9
56
3
21
41
28
26
48
41
52
6
5
18
53
10
57
38a
32
15
40
12
41
45
50
60
27
41
29
16
20
38
2
7
17
FIT
1:1
100%

Артикул

Название

Примечание

Количество

1

1330177C2

PULLEY

- pump driven, reel (125 mm) (Replaces pulley 1330177C1)

1шт.

2

492-11038

LOCK WASHER,3/8"

1шт.

3

425-106

NUT,3/8"-16, Cl 5

1шт.

5

195528C92

ARM

ASSEMBLY - pump tightener, Includes: Ref. 6

1шт.

6

583346R1

BUSHING,25.45mm ID x 28.55mm OD x 25.4mm L

- tightener arm

2шт.

7

219-87

LUBE NIPPLE,1/4" - 28 NPTF

NIPPLE, LUBE, 1/4"-28 x .56" lg, Self-Tap

1шт.

8

674966R91

PULLEY,203.2mm Idler Dia x 222.25mm OD x 36.51mm W

- idler, belt, 8-3/4 inch OD

1шт.

9

413-1088

BOLT,Hex, 5/8" - 11 x 5-1/2", Gr 5

- hex, 5/8 NC x 5-1/2 inch

1шт.

10

425-1010

NUT,5/8"-11, G5

1шт.

11

492-11062

BEARING WASHER,5/8"

WASHER, LOCK, 5/8"

1шт.

12

495-81175

WASHER,21/32" x 1" x .120"

- flat, 21/32 x 1 x 7/64 inch (Replaces washer 21471R1)

1шт.

15

1321687C1

BRACKET

SUPPORT - bolt, adjusting

1шт.

16

477-73816

SERRATED SCREW,Sl Truss Hd, 3/8" x 1"

- slotted truss head, special, 3/8 NC x 1 inch

2шт.

17

231-5146

FLANGE NUT,3/8"-16

1шт.

18

1315487C1

BOLT,3/8" - 16 x 205mm

EYEBOLT - tightener, spring

1шт.

19

521816R1

SPRING

- tightener

1шт.

20

1321647C1

PULLEY

- driver, feeder pump

1шт.

21

Q1497

KEY,Gib, 3/8" Sq x 2"

- square gib head tapered, 3/8 x 2 inch

1шт.

25

1345354C1

GUARD ASSY.

SHIELD - pulley, reel drive (Replaces shield 1321798C1)

1шт.

26

413-512

BOLT,Hex, 5/16" - 18 x 3/4", Gr 5

- hex, 5/16 NC x 3/4 inch (Replaces bolt 180077)

2шт.

27

492-11031

LOCK WASHER,5/16"

WASHER, LOCK, 5/16"

2шт.

28

425-105

NUT,5/16"-18, G5

- hex, 5/16 inch NC

2шт.

29

480523R1

HAIR PIN COTTER

1шт.

30

135270

SERRATED SCREW,5/16" - 18 x 3/4"

- slotted truss head, 5/16 NC x 3/4 inch

1шт.

31

231-5145

SERRATED NUT,Flg, USR, 5/16"-18

NUT - hex serrated flange, 5/16 inch NC

1шт.

32

1330186C2

SHIELD

- pump, reel (Replaces shield 1330186C1)

1шт.

33

1321818C1

SUPPORT

- pulley, front

1шт.

38

1321819C2

GUARD

SHIELD - feeder jackshaft, left-hand, if used

1шт.

38a

1345359C1

GUARD

SHIELD - feeder jackshaft, left-hand, if used

1шт.

39

10810R

HINGE

- shield, support, if used

1шт.

39a

1345199C1

SUPPORT

BRACKET - feeder jackshaft, if used (Replaces bracket 183899C1)

1шт.

40

477-73812

SERRATED SCREW,Truss HD, 3/8" - 16 x 3/4"

- slotted truss head, special, 3/8 NC x 3/4 inch

1шт.

41

231-5146

FLANGE NUT,3/8"-16

1шт.

42

1321648C1

SUPPORT

- rear, lower

1шт.

43

434-612

CARRIAGE BOLT,Sht Sq Nk, 3/8" - 16 x 3/4", Gr 5

BOLT - carriage, 3/8 inch - 16 NC x 3/4 inch (Replaces bolt 598809R1)

2шт.

44

1321651C1

SUPPORT

- pivot, lower

1шт.

45

1322350C1

PLATE

- coupling cover, top, left-hand

1шт.

48

1330311C1

V-BELT,1828.65 mm L

Reel Drive, 54-1/2 Inch Feeder, Drive, Reel 1828.65 mm L

1шт.

49

1315494C1

SUPPORT

- reel pump, pivot

1шт.

50

432-1624

COTTER PIN,1/4" x 1 1/2"

Pin, Split (Cotter), 1/4" x 1-1/2"

1шт.

51

495-81069

WASHER,1-1/32" ID x 1-1/2" OD x 3/50" Thk

- flat, 1-1/32 x 1-1/2 x 3/64 inch (Replaces washer 591715R1)

1шт.

52

496-21066

WASHER,16.6mm ID x 33.5mm OD x 3.8mm Thk

- flat, 21/32 x 1-5/16 x 5/32 inch (17 x 33 x 4 mm)

1шт.

53

492-11062

BEARING WASHER,5/8"

WASHER, LOCK, 5/8"

1шт.

54

425-1010

NUT,5/8"-11, G5

1шт.

55

485734R1

CARRIAGE BOLT,Short NK, 1/2"-13 x 1 1/4", G5, Full Thd

BOLT - carriage, 1/2 NC x 1-1/4 inch

2шт.

56

80679

LOCK WASHER,1/20.507 CST ZND

WASHER, LOCK, 1/2"

2шт.

57

496-21053

WASHER,17/32" x 1 1/16" x .134"

- flat, 17/32 x 1-1/16 x 1/8 inch, hardened (13 x 27 x 3 mm)

2шт.

58

425-108

NUT,1/2" - 13, Gr 5

NUT, , Hex 1/2"-13, G5

2шт.

59

434-612

CARRIAGE BOLT,Sht Sq Nk, 3/8" - 16 x 3/4", Gr 5

BOLT - carriage, 3/8 inch - 16 NC x 3/4 inch (Replaces bolt 598809R1)

4шт.

60

413-472

BOLT,Hex, 1/4" - 20 x 4-1/2", Gr 5

- hex, 1/4 NC x 4-1/2 inch, use with brackets 1345359C1 and 1345199C1

1шт.

61

231-4144

NUT,1/4"-20, GB

NUT - hex, self-locking, 1/4 NC, use with brackets 1345359C1 and 1345199C1

1шт.

Выбрано товаров: 51