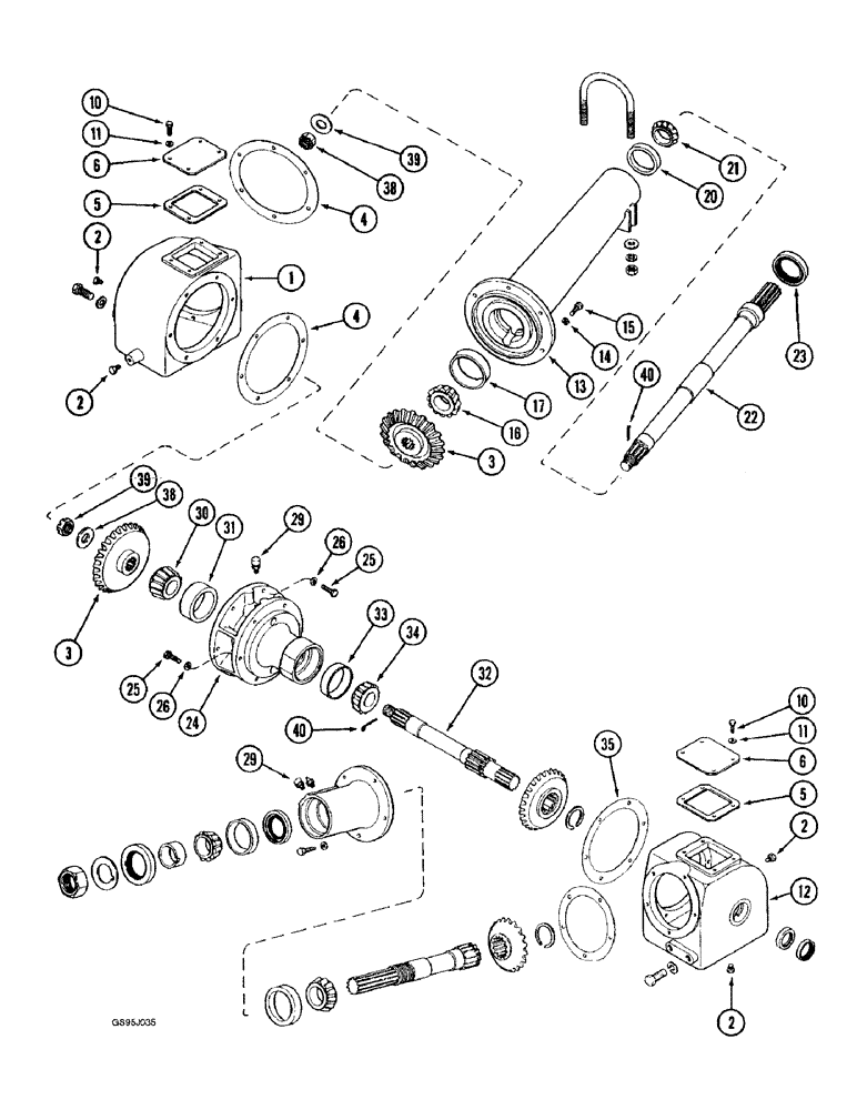
Запчасти Case IH 1682 (9-016) - MAIN DRIVE GEAR BOX ASSEMBLY (09) - CHASSIS ATTACHMENTS

Схема запчастей Case IH 1682 - (9-016) - MAIN DRIVE GEAR BOX ASSEMBLY (09) - CHASSIS ATTACHMENTS
4
29
15
35
26
20
17
22
39
12
23
6
33
40
26
11
5
11
1
2
40
25
29
32
5
38
39
4
10
25
10
2
18
31
14
38
3
3
24
2
13
36
6
21
2
34
FIT
1:1
100%

Артикул

Название

Примечание

Количество

187486C94

GEARBOX ASSY

GEAR BOX ASSEMBLY - main drive (Replaces assembly 187486C93), Includes: Ref. 1 - 40, 41 - 65 on Figure 9-18

1шт.

1

189535C2

HOUSING

- drive, primary

1шт.

2

217-430

PLUG,Hex Soc, 1/8" - 27 NPTF

- hex socket, 1/8 inch PT

4шт.

3

185868C1

GEAR-SET

GEAR SET - pinion, primary

1шт.

181923C1

SHIM

KIT - shim housing, Includes: Ref. 4

2шт.

4

NSS

NOT SOLD SEPARAT

SHIM - housing, 0.020 inch (0.508 mm)

2шт.

4

NSS

NOT SOLD SEPARAT

SHIM - housing, 0.007 inch (0.178 mm)

4шт.

4

NSS

NOT SOLD SEPARAT

SHIM - housing, 0.005 inch (0.127 mm)

4шт.

5

189537C2

GASKET

- cover, inspection (Replaces gasket 189537C1)

2шт.

6

189536C1

COVER

- inspection, housing

2шт.

10

413-512

BOLT,Hex, 5/16" - 18 x 3/4", Gr 5

- hex, 5/16 NC x 3/4 inch (Replaces bolt 180077)

8шт.

11

492-11031

LOCK WASHER,5/16"

WASHER, LOCK, 5/16"

8шт.

12

189549C2

CASE

HOUSING - drive, secondary

1шт.

13

189514C1

HOUSING

- shaft, input

1шт.

14

492-11038

LOCK WASHER,3/8"

6шт.

15

413-620

BOLT,Hex, 3/8" - 16 x 1-1/4", Gr 5

- hex, 3/8 NC x 1-1/4 inch

6шт.

16

219690R91

ROLLER BEARING,41.27mm ID x 29.37mm W

CONE - bearing, inner

1шт.

17

170234R1

BEARING ASSY,1.75" ID x 3.75" OD x 1.1875"

CUP - bearing, inner

1шт.

20

663558R1

BEARING CUP

CUP - tapered roller bearing, 2-57/64 inch OD, outer

1шт.

21

663557R91

BEARING ASSY,1.625" ID x 2.892" OD x 0.77"

BEARING - tapered roller, 1-5/8 inch ID, outer

1шт.

22

189539C2

SHAFT ASSY.

SHAFT - input

1шт.

23

1957370C1

OIL SEAL

- oil (Replaces seal 169948C91)

1шт.

24

189538C1

HUB

- connecting

1шт.

25

413-620

BOLT,Hex, 3/8" - 16 x 1-1/4", Gr 5

- hex, 3/8 NC x 1-1/4 inch

12шт.

26

492-11038

LOCK WASHER,3/8"

12шт.

29

219-434

BREATHER,1/8" - 27 NPT, Short, W/ Washer

VALVE - vent, includes felt washer, 1/8 PT x 1 inch (Replaces fitting 61991R91)

2шт.

30

327122R1

BEARING ASSY,1.625" ID x 3.5625" OD x 1.59"

CONE - bearing, inner

1шт.

31

327123R1

CUP

- bearing, inner

1шт.

32

189541C3

SHAFT

- cross (Replaces shaft 189541C2)

1шт.

33

455386C1

BEARING, CUP

CUP - bearing, outer

1шт.

34

455387C91

BEARING ASSY,41.288 mm ID x 26.743 mm

CONE - bearing, outer

1шт.

673359R91

KIT

- shim, hub to housing, Includes: Ref. 35

1шт.

35

NSS

NOT SOLD SEPARAT

SHIM - hub, 0.020 inch (0.508 mm)

2шт.

35

NSS

NOT SOLD SEPARAT

SHIM - hub, 0.007 inch (0.178 mm)

4шт.

35

NSS

NOT SOLD SEPARAT

SHIM - hub, 0.005 inch (0.127 mm)

4шт.

38

496-21106

WASHER,1 1/16" x 2" x .209", HDN

- flat, 1-1/16 x 2 x 13/64 inch, Hardened (29 x 51 x 5 mm)

2шт.

39

70121D

NUT

- hex, 1 inch UNS

2шт.

132-56

COTTER PIN,Ext Prong Sq Cut, 1/8" x 2"

Pin, Split (Cotter), 1/8" x 2"

2шт.

Выбрано товаров: 38