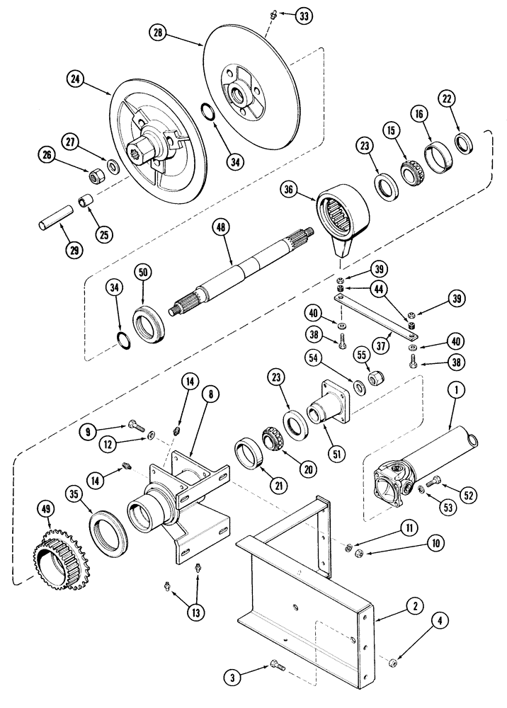
Запчасти Case IH 1682 (9-020) - SEPARATOR DRIVE (09) - CHASSIS ATTACHMENTS

Схема запчастей Case IH 1682 - (9-020) - SEPARATOR DRIVE (09) - CHASSIS ATTACHMENTS
39
38
33
48
14
28
35
49
14
13
51
1
26
4
53
24
29
34
16
3
23
9
2
15
10
50
21
37
12
22
27
39
54
44
55
25
52
34
20
36
11
40
40
8
38
23
FIT
1:1
100%

Артикул

Название

Примечание

Количество

1

184859C91

JOINT

ASSEMBLY - torque tube, parts list Figure 9-24

1шт.

2

184845C1

SUPPORT

- jackshaft, rotor drive

1шт.

3

413-820

BOLT,Hex, 1/2" - 13 x 1-1/4", Gr 5

- hex, 1/2 NC x 1-1/4 inch

6шт.

4

231-5148

FLANGE NUT,Flg, USR, 1/2"-13

6шт.

8

184842C2

CASE

- bearing, jackshaft

1шт.

9

413-828

BOLT,Hex, 1/2" - 13 x 1-3/4", Gr 5

4шт.

10

425-108

NUT,1/2" - 13, Gr 5

NUT, , Hex 1/2"-13, G5

4шт.

11

80679

LOCK WASHER,1/20.507 CST ZND

WASHER, LOCK, 1/2"

4шт.

12

396-41053

WASHER,13.49mm ID x 31.75mm OD x 5.05mm Thk

- flat, 17/32 x 1-1/4 x 3/16 inch, hardened (Replaces washer 25555R1)

4шт.

13

219-1

LUBE NIPPLE,1/8" - 27 NPTF

FITTING - grease, straight, 1/8 PT x 21/32 inch

2шт.

14

219-434

BREATHER,1/8" - 27 NPT, Short, W/ Washer

VALVE - vent, includes felt washer, 1/8 PT x 1 inch (Replaces fitting 61991R91)

2шт.

15

A75211

ROLLER BEARING,1.9685" ID x 1.1024"

BEARING - jackshaft cone (Replaces bearing 533726R91)

1шт.

16

A75210

BEARING CUP,3.5433" OD x 0.9055"

BEARING - jackshaft cup (Replaces bearing 533727R1)

1шт.

20

317705C91

ROLLER BEARING,47.638 mm ID x 25.6 mm

CONE - bearing

1шт.

21

317706C1

BEARING, CUP,88.925 mm OD x 25.6 mm

CUP - tapered roller bearing, 3-1/2 inch OD

1шт.

22

184867C1

SEAL

- inner, bearing

1шт.

23

338904R91

SEAL

SEAL - hub, bearing

2шт.

24

184837C91

PULLEY

- stationary

1шт.

25

194665C1

BUSHING

- pulley

3шт.

26

231-14416

LOCK NUT,1"-8, GB

NUT - hex, self-locking, 1 inch NC

1шт.

27

496-21106

WASHER,1 1/16" x 2" x .209", HDN

- flat, 1-1/16 x 2 x 13/64 inch, Hardened (27 x 51 x 5 mm)

1шт.

28

184835C91

PULLEY

- variable

1шт.

29

191544C2

PIN,28.48mm OD x 127mm L

- pulley

3шт.

33

219-86

LUBE NIPPLE,1/8" NPTF

FITTING - grease, straight, self-tapping, 1/8 PT x 5/8 inch

1шт.

34

238-5228

O-RING,0.139" Thk x 2.234" ID, -228, Cl 5, 75 Duro

Pulley (Replaces O-ring 293726R1) -228, 70 Duro, 2.234" ID x .139" Thk

2шт.

35

184865C91

BEARING ASSY,4.75" ID x 6.375" OD x 0.984"

BEARING - thrust

1шт.

36

184832C2

HUB

- sleeve, female

1шт.

37

184831C1

BAR

- stop, variation

1шт.

38

113-209

BOLT,Hex, 3/8" - 16 x 1-1/2", Gr 5

(Replaces bolt 180126) Hex, 3/8"-16 x 1 1/2", G5

2шт.

39

425-106

NUT,3/8"-16, Cl 5

2шт.

40

495-11041

WASHER,0.406" ID x 0.812" OD x 0.065" W

(Flat, 13/32 x 13/16 x 1/16") 3/8", SAE

4шт.

44

117962

GROMMET,3/8" ID x 27/32" x .188"

SPACER - rubber, 3/8 x 27/32 x 7/16 inch

2шт.

48

184844C1

SHAFT

- drive, separator

1шт.

49

184833C1

SPROCKET ASSY.

SPROCKET - pulley, variable

1шт.

50

184866C91

BEARING ASSY,82.53mm ID x 132.08mm OD x 22.86mm W

BEARING - thrust

1шт.

51

184843C1

HUB

- coupling, joint

1шт.

52

426-824

BOLT,Hex, 1/2" - 13 x 1-1/2", Gr 8

- hex, 1/2 NC x 1-1/2 inch, grade 8 (Replaces bolt 427566)

4шт.

53

392-21050

LOCK WASHER,1/2"

(Replaces washer 123174) 1/2"

4шт.

54

496-21106

WASHER,1 1/16" x 2" x .209", HDN

- flat, 1-1/16 x 2 x 13/64 inch, Hardened (26 x 51 x 5 mm)

1шт.

55

23443R1

LOCK NUT,1"-8, GC

NUT - hex, 1 inch NC

1шт.

Выбрано товаров: 40