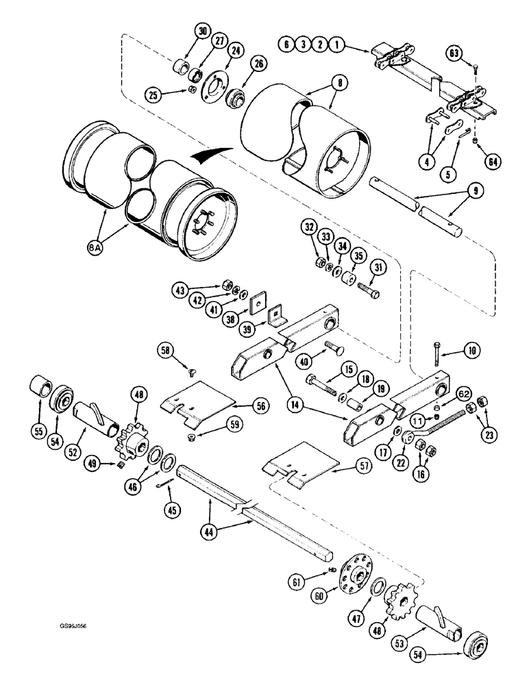
Запчасти Case IH 1682 (9-058) - FEEDER CONVEYOR (09) - CHASSIS ATTACHMENTS

Схема запчастей Case IH 1682 - (9-058) - FEEDER CONVEYOR (09) - CHASSIS ATTACHMENTS
56
41
47
16
26
54
5
43
8a
60
52
27
1
64
61
34
18
6
10
53
11
31
32
42
4
40
2
9
17
25
54
48
55
22
45
38
48
57
49
35
39
33
3
63
15
24
19
44
58
62
46
14
23
59
30
8
FIT
1:1
100%

Артикул

Название

Примечание

Количество

1

1541579C1

CHAIN (AG)

CHAIN ASSEMBLY - conveyor, with 12 smooth slats, 54-1/2 inch feeder, A557 chain, corn and grain (Replaces assembly 1324271C91), Includes: Ref. 2 & 3

1шт.

2

1989520C1

CHAIN,A557, 69 Links x 41.4mm = 2856.6mm

- conveyor (Replaces chain 1324277C91)

2шт.

3

1541582C1

CONNECTING STRIP

SLAT - conveyor (Replaces slat assembly 1313420C1)

12шт.

4

1989595C1

CONNECTING STRIP

LINK - connecting, includes pin (Replaces link 1324294C1)

1шт.

5

1329837C2

PIN,2.63mm OD

- roller, S type (Replaces pin 1329837C1)

1шт.

6

1989692C1

LINK,A557, 3 Links

- conveyor, attaching, includes pin (Replaces link 1324281C1)

1шт.

8

1319862C1

BRAKE ASSY.

DRUM - conveyor, without stone retarder

1шт.

8a

1957440C3

DRUM

- conveyor, with stone retarder (Replaces drum 187196C2)

1шт.

9

187208C2

ROD

SHAFT - drum, feeder

1шт.

10

326-656

BOLT,Hex, 3/8" - 16 x 3-1/2", Gr 8

2шт.

11

231-1446

NUT,3/8" - 16, Gr 5

NUT LOCK, 3/8"-16, GB

2шт.

14

1338291C2

ARM

- drum, support, left-hand, with decal (Replaces arm 1305103C1)

2шт.

15

187218C2

BOLT

BOLT - hex, special, 5/8 NC x 4-1/2 inch, arm, support

2шт.

16

425-1010

NUT,5/8"-11, G5

4шт.

17

495-81182

WASHER,21/32" x 1 1/4" x .060"

- flat, 21/32 x 1-1/4 x 3/64 inch (Replaces washer 608701R1)

1шт.

18

396-21066

WASHER,16.66mm ID x 33.33mm OD x 4.27mm Thk

2шт.

19

187217C1

SPACER,7/8" Tube x 1 13/16"

- pivot, 7/8 x 1-13/16 inch

2шт.

22

176508C1

BOLT,5/8" - 11 x 228.60mm

- tightener, special

2шт.

23

425-1010

NUT,5/8"-11, G5

4шт.

24

202909C1

BEARING HOUSING

FLANGE - bearing, only two used with stone retarder

4шт.

25

1306680C1

FLANGE NUT

NUT - hex flange, self-locking, special, 3/8 inch NC

6шт.

26

619738R91

BALL BEARING,1.2505" ID x 62 mm OD x 1.4375"

- ball, drum

2шт.

27

557995R11

COLLAR

- locking, with set screw

2шт.

30

11449P

SPACER,1 1/4" Pipe x 1/2"

- bearing, 1-1/4 x 1/2 inch

2шт.

31

189709C1

BOLT,Hex, 1/2" - 13 x 3"

- hex, special, clamp, chain tightener

2шт.

32

425-108

NUT,1/2" - 13, Gr 5

NUT, , Hex 1/2"-13, G5

2шт.

33

80679

LOCK WASHER,1/20.507 CST ZND

WASHER, LOCK, 1/2"

2шт.

34

495-81162

WASHER,17/32" x 1 1/2" x .179"

- flat, 17/32 x 1-1/2 x 11/64 inch (Replaces washer 22770R1)

2шт.

35

197211C1

SPACER

- stop, drum

2шт.

38

187225C1

BAR

- adjusting, upper, with stone retarder

2шт.

38

187347C1

PLATE

BAR - adjusting, upper, without stone retarder

2шт.

39

1345418C1

ANGLE

- stop, upper (Replaces angle 187364C2)

2шт.

40

433-1036

CARRIAGE BOLT,Sq Nk, 5/8" - 11 x 2 1/4", Gr 5

BOLT - carriage, 5/8 NC x 2-1/4 inch (Replaces bolt 598819R1)

2шт.

41

498-81008

SQ HOLE WASHER,41/64" x 1 1/4" x .060", Sq Hole

- square hole, 21/32 x 1-1/4 x 1/16 inch

2шт.

42

492-11062

BEARING WASHER,5/8"

WASHER, LOCK, 5/8"

2шт.

43

425-1010

NUT,5/8"-11, G5

2шт.

44

1321440C2

SHAFT

- conveyor

1шт.

45

432-2040

COTTER PIN,5/16" x 2 1/2"

Pin, Split (Cotter), (Replaces pin 137323) 5/16" x 2 1/2"

2шт.

46

495-81092

WASHER,1-7/8" ID x 2-1/2" OD x 1/16" Thk

- flat, 1-25/32 x 2-1/2 x 3/64 inch (Replaces washer 20705R1)

2шт.

47

95-81150

WASHER,46.02mm ID x 63.5mm OD x 3.35mm Thk

- flat, 1-13/16 x 2-1/2 x 1/8 inch

1шт.

48

1970248C1

SPROCKET ASSY.

SPROCKET - chain, 9 teeth (Replaces sprocket 197556C1)

2шт.

49

197643C1

SET SCREW

- set, sprocket

4шт.

52

178780C2

SPACER

- sprocket, left-hand (Replaces spacer 178780C1)

1шт.

53

178781C2

SPACER

- sprocket, right-hand (Replaces spacer 178781C1)

1шт.

54

179665C91

BALL BEARING,38.1mm Hex x 85mm OD x 30mm W

BEARING - ball, shaft

2шт.

55

162172C1

SPACER

- shaft, conveyor, 1-13/16 x 2-1/4 x 1-15/16 inch

1шт.

56

185818C1

STRIPPER ASSY.

STRIPPER - support, left-hand

1шт.

57

185819C1

STRIPPER ASSY.

STRIPPER - support, right-hand

1шт.

58

477-73812

SERRATED SCREW,Truss HD, 3/8" - 16 x 3/4"

- slotted truss head, special, 3/8 NC x 3/4 inch

4шт.

59

231-5146

FLANGE NUT,3/8"-16

4шт.

60

1305665C1

DISC

DISC - pickup, no longer used

1шт.

61

197643C1

SET SCREW

- set, pickup, no longer used

2шт.

62

314148R1

SPACER,10.7mm ID x 17.14mm OD x 11.9mm L

2шт.

63

413-616

BOLT,Hex, 3/8" - 16 x 1", Gr 5

- hex, 3/8 NC x 1 inch

1шт.

64

1306680C1

FLANGE NUT

NUT - hex flange, self-locking, special, 3/8 inch NC

1шт.

Выбрано товаров: 55