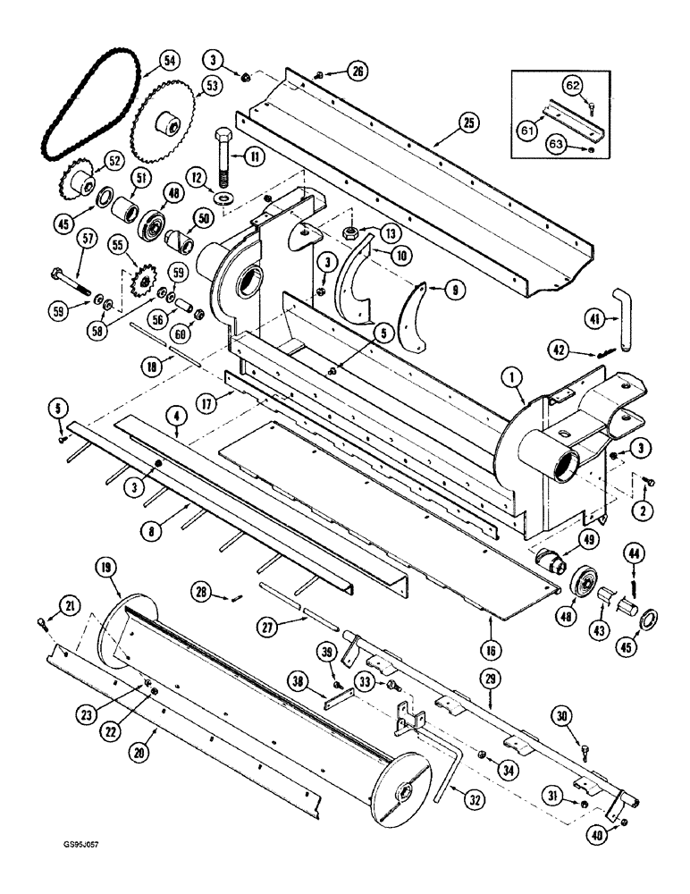
Запчасти Case IH 1682 (9-060) - FEEDER ROCK TRAP (09) - CHASSIS ATTACHMENTS

Схема запчастей Case IH 1682 - (9-060) - FEEDER ROCK TRAP (09) - CHASSIS ATTACHMENTS
21
18
5
17
63
59
3
61
50
54
60
19
3
42
56
16
10
48
40
49
3
2
32
9
57
51
27
45
52
45
38
34
25
29
3
20
1
26
55
28
39
58
8
62
31
41
48
22
44
4
30
11
59
53
43
33
13
23
12
5
FIT
1:1
100%

Артикул

Название

Примечание

Количество

1

1327630C2

HOUSING ASSY.

HOUSING - rock trap

1шт.

2

409-7516

BOLT,Hex Flg, 5/16" - 18 x 1", Spcl

8шт.

3

231-5145

SERRATED NUT,Flg, USR, 5/16"-18

NUT - hex serrated flange, 5/16 inch NC

1шт.

4

1320278C1

BRACKET

ANGLE - wear

1шт.

5

135270

SERRATED SCREW,5/16" - 18 x 3/4"

- slotted truss head, 5/16 NC x 3/4 inch

1шт.

8

1320776C1

SUPPORT

ANGLE - support

1шт.

9

1320254C1

PLATE

- back up, seal

2шт.

10

195202C1

SEAL

- feeder

2шт.

11

326-16104

BOLT,Hex, 1" - 8 x 6-1/2", Gr 8

(Replaces bolt 26632R1) Hex, 1"-8 x 6 1/2", G8

2шт.

12

496-21106

WASHER,1 1/16" x 2" x .209", HDN

- flat, 1-1/16 x 2 x 13/64 inch, Hardened

4шт.

13

232-41316

NUT,1"-8, GC

NUT, LOCK, 1"-8, GC

2шт.

1324908C1

DOOR

ASSEMBLY - rock trap, Includes: Ref. 16 - 18

1шт.

16

NSS

NOT SOLD SEPARAT

DOOR - trap, rock

1шт.

17

1320119C1

HINGE

- door

1шт.

18

1320120C1

ROD

- hinge, door

1шт.

19

1319832C1

BEATER

- feed, rock trap

1шт.

20

1324437C1

EXTENSION

- blade, beater

3шт.

20

1320922C2

BLADE

- serrated, blade

3шт.

21

434-624

CARRIAGE BOLT,Sht Sq Nk, 3/8" - 16 x 1 1/2", Gr 5

BOLT - carriage, 3/8 NC x 1-1/2 inch (Replaces bolt 634979R1)

18шт.

22

425-106

NUT,3/8"-16, Cl 5

18шт.

23

492-11038

LOCK WASHER,3/8"

18шт.

25

1327926C4

COVER

- housing, support

1шт.

26

161945C1

SERRATED SCREW,Sl Truss Hd, 5/16" - 18 x 1"

- slotted truss head, 5/16 NC x 1 inch

7шт.

27

1320115C1

ROD

- latch, door

1шт.

28

432-1216

COTTER PIN,3/16" x 1"

2шт.

29

1324765C1

SUPPORT TUBE,999 mm Length

TUBE - door, right-hand

1шт.

30

174608C2

BOLT,Hex, 3/8" - 16 x 1 1/2"

- hex, special, 3/8 NC x 1-1/2 inch

4шт.

31

329-146

JAM NUT,Jam, 3/8"-16, G5

4шт.

32

1324753C1

HANDLE

- door, rock trap

1шт.

33

413-816

BOLT,Hex, 1/2" - 13 x 1", Gr 5

2шт.

34

231-4118

LOCK NUT,1/2"-13, GB

NUT - hex, self-locking, 1/2 inch NC

2шт.

38

1320128C1

LINK

- connecting

2шт.

39

413-616

BOLT,Hex, 3/8" - 16 x 1", Gr 5

- hex, 3/8 NC x 1 inch

2шт.

40

231-4116

NUT,3/8"-16, GB

NUT - hex, self-locking, 3/8 inch NC

2шт.

41

26632R1

BOLT,Hex, 1" - 8 x 6 1/2", Gr 8

PIN - pivot (Replaces pin 192533C2)

1шт.

42

1970957C1

SPRING

PIN - cotter, 3/16 inch diameter (Replaces pin 520175R1)

1шт.

43

1320129C2

SHAFT

- beater, rock trap

1шт.

44

432-2040

COTTER PIN,5/16" x 2 1/2"

Pin, Split (Cotter), (Replaces pin 137323) 5/16" x 2 1/2"

2шт.

45

495-81092

WASHER,1-7/8" ID x 2-1/2" OD x 1/16" Thk

- flat, 1-25/32 x 2-1/2 x 3/64 inch (Replaces washer 20705R1)

1шт.

48

179665C91

BALL BEARING,38.1mm Hex x 85mm OD x 30mm W

BEARING - ball, shaft

2шт.

49

1320269C1

SPACER

- sprocket, right-hand

1шт.

50

1320268C1

SPACER

- sprocket, left-hand

1шт.

51

162172C1

SPACER

- bearing, 1-13/16 x 2-1/4 x 1-15/16 inch

1шт.

52

1329719C2

SPROCKET

- beater driven, rock trap, 20 tooth

1шт.

53

1329720C2

SPROCKET

- driven, 40 tooth

1шт.

54

NSS

NOT SOLD SEPARAT

CHAIN ASSEMBLY - drive

1шт.

Use 67 links from 10 foot roll marked 1793D and 1 connecting link 1786D.

1шт.

55

541857R92

SPROCKET,15T

- idler, 15 teeth

1шт.

56

187217C1

SPACER,7/8" Tube x 1 13/16"

- tube, 7/8 x 1-13/16 inch

1шт.

57

413-1080

BOLT,Hex, 5/8" - 11 x 5", Gr 5

1шт.

58

396-31066

WASHER,21/32" x 1 5/16" x .188", HDN

- flat, 21/32 x 1-5/16 x 3/16 inch (17 x 33 x 5 mm)

2шт.

59

396-21066

WASHER,16.66mm ID x 33.33mm OD x 4.27mm Thk

5шт.

60

131-1219

LOCK NUT,5/8"-11, GC

NUT, LOCK, 5/8"-11, GC

1шт.

61

1324881C1

ANGLE

SEAL - angle

1шт.

62

477-73812

SERRATED SCREW,Truss HD, 3/8" - 16 x 3/4"

- slotted truss head, special, 3/8 NC x 3/4 inch

6шт.

63

231-5146

FLANGE NUT,3/8"-16

6шт.

Выбрано товаров: 56