Запчасти Case IH 1682 (9-068) - FEEDER REVERSER (09) - CHASSIS ATTACHMENTS

Схема запчастей Case IH 1682 - (9-068) - FEEDER REVERSER (09) - CHASSIS ATTACHMENTS
34
12
39
46
25
32
28
47
9
13
31
9
8
8
33
37
38
11
50
46
49
16
35
57
44
27
14
15
40
48
36
45
22
26
55
24
3
39
56
1
21
2
10
23
51
17
4
FIT
1:1
100%

Артикул

Название

Примечание

Количество

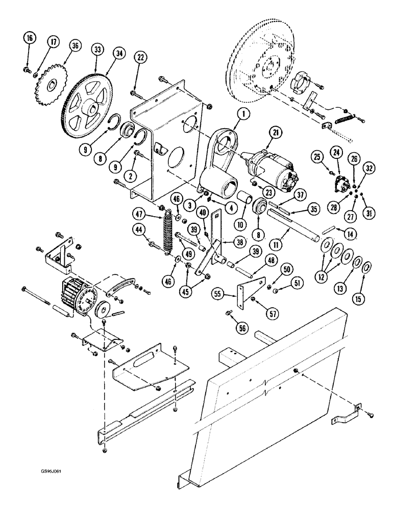
1

1321539C1

HOUSING

HOUSING - shaft, mounting, reverser and motor

1шт.

2

409-7624

BOLT,Hex Flg, 3/8" - 16 x 1 1/2", Spcl

BOLT, (Replaces bolt 187620C1) Hex Flg, 3/8"-16 x 1 1/2", Serr

2шт.

3

231-5146

FLANGE NUT,3/8"-16

NUT, Flg, USR, 3/8"-16

2шт.

4

219-87

LUBE NIPPLE,1/4" - 28 NPTF

NIPPLE, LUBE, 1/4"-28 x .56" lg, Self-Tap

1шт.

8

597537R91

BEARING ASSY,38.1mm ID x 80mm OD x 18mm W

BEARING - ball

2шт.

9

100-21315

SNAP RING,3.156", Int, #315

RING - snap, internal, 3-23/64 inch

2шт.

10

1321523C1

SPACER

SPACER - bearing

1шт.

11

1321534C1

SHAFT

SHAFT - reverser, feeder

1шт.

12

896-16036

WASHER,39mm ID x 78mm OD x 7mm Thk

WASHER - flat, 39 x 78 x 7 mm (Replaces washer 30190R1)

3шт.

13

495-21162

WASHER,1 1/2"

WASHER - flat, 1-5/8 x 3-1/2 x 3/16

1шт.

14

38-33248

PIN,1/2" x 3", Coiled

Pin, (replaces pin 28340R1) 1/2" x 3", Coiled

1шт.

15

495-81225

WASHER,1 17/32" x 2 1/2" x .060"

WASHER - flat, 1-17/32 x 2-1/2 x 3/64 inch (39 x 64 x 1 mm)

1шт.

16

409-7816

BOLT,Hex Flg, 1/2" - 13 x 1", Spcl

BOLT - hex serrated flange, 1/2 NC x 1 inch

1шт.

17

495-91167

WASHER,13.49mm ID x 50.8mm OD x 3.4mm Thk

WASHER - flat, 17/32 x 2 x 7/64 inch (13 x 51 x 3 mm) (Replaces washer 22042R1)

2шт.

21

245927C91

STARTING MOTOR

MOTOR - reverser, feeder, parts list page 4-21

1шт.

21

245927C93R

REMAN-STARTER

REMANUFACTURED STARTING MOTOR

1шт.

21

245927C93C

CORE-STARTER

Return Number, STARTING MOTOR

1шт.

22

413-636

BOLT,Hex, 3/8" - 16 x 2-1/4", Gr 5

BOLT - hex, 3/8 NC x 2-1/4 inch

3шт.

23

231-5146

FLANGE NUT,3/8"-16

NUT, Flg, USR, 3/8"-16

3шт.

24

142341A1

PACKAGE

SWITCH - magnetic relay (Replaces switch 121613C1)

1шт.

25

409-7412

BOLT,Hex Flg, 1/4" - 20 x 3/4", Spcl

BOLT - hex serrated flange, 1/4 NC x 3/4 inch (Replaces bolt 68530C1)

2шт.

26

231-5144

SERRATED NUT,Flg, USR, 1/4"-20

NUT, Flg, USR, 1/4"-20

2шт.

27

425-105

NUT,5/16"-18, G5

NUT - hex, 5/16 inch NC

2шт.

28

492-11031

LOCK WASHER,5/16"

WASHER, LOCK, 5/16"

2шт.

31

225-14210

NUT,#10-32

NUT, (Replaces nut 120614) #10-32

1шт.

32

492-11010

LOCK WASHER,#10

WASHER, LOCK, #10

1шт.

33

1321537C92

PINION,320mm OD, W/ Ring Gear

FLYWHEEL ASSEMBLY - motor, reverser (Replaces flywheel assembly 1321537C91), Includes: Ref. 34

1шт.

34

396421R1

GEAR, RING

RING, GEAR GEAR - ring

1шт.

35

Q51

KEY,3/8" Sq x 2 1/2", Par

KEY, 3/8" Sq x 2 1/2", Par

1шт.

36

1321862C1

SPROCKET ASSY.

SPROCKET - reverser

1шт.

37

Q459

KEY,3/8" Sq x 2 1/4", Par

KEY - square, 3/8 x 2-1/4 inch

1шт.

38

1330036C2

ARM ASSY.

SUPPORT ASSEMBLY - idler, Includes: Ref. 39

1шт.

39

289588R1

BUSHING

BUSHING - support

2шт.

40

219-87

LUBE NIPPLE,1/4" - 28 NPTF

NIPPLE, LUBE, 1/4"-28 x .56" lg, Self-Tap

1шт.

44

413-836

BOLT,Hex, 1/2" - 13 x 2-1/4", Gr 5

BOLT - hex, 1/2 NC x 2-1/4 inch

1шт.

45

231-5148

FLANGE NUT,Flg, USR, 1/2"-13

NUT, Flg, USR, 1/2"-13

2шт.

46

496-21053

WASHER,17/32" x 1 1/16" x .134"

WASHER - flat, 17/32 x 1-1/16 x 1/8 inch, hardened

9шт.

47

1330032C1

SPRING

SPRING - return, idler

1шт.

48

1330039C1

SLEEVE

SPARE PART SLEEVE - pivot, idler

1шт.

49

413-880

BOLT,Hex, 1/2" - 13 x 5", Gr 5

BOLT - hex, 1/2 NC x 5 inch

1шт.

50

80679

LOCK WASHER,1/20.507 CST ZND

WASHER, LOCK, 1/2"

1шт.

51

425-108

NUT,1/2" - 13, Gr 5

NUT, , Hex 1/2"-13, G5

1шт.

55

1330193C2

SUPPORT

SUPPORT - outer, idler

1шт.

56

409-7512

BOLT,Hex Flg, 5/16" - 18 x 3/4", Spcl

BOLT - hex serrated flange, 5/16 NC x 3/4 inch

2шт.

57

231-5145

SERRATED NUT,Flg, USR, 5/16"-18

NUT - hex serrated flange, 5/16 inch NC

2шт.

Выбрано товаров: 45