Запчасти Case IH 1682 (9-070) - FEEDER REVERSER (CONTD) (09) - CHASSIS ATTACHMENTS

Схема запчастей Case IH 1682 - (9-070) - FEEDER REVERSER (CONTD) (09) - CHASSIS ATTACHMENTS
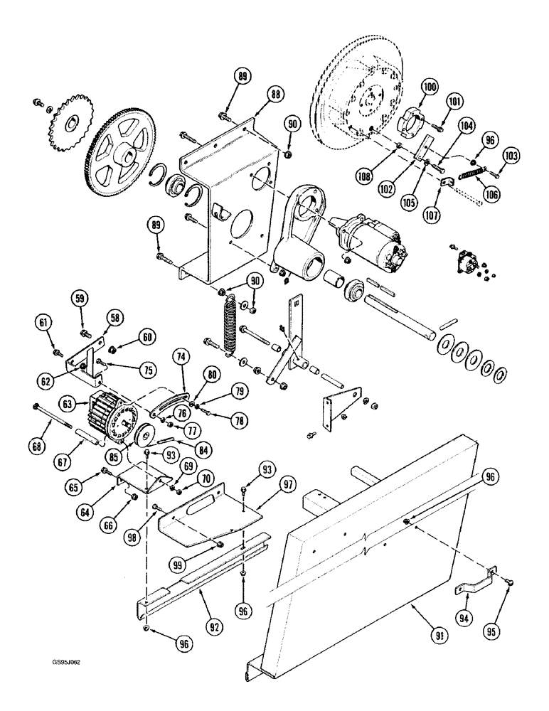
92
68
107
91
74
93
97
95
100
94
96
61
79
59
78
90
89
106
62
60
108
77
89
96
67
102
99
98
70
96
85
65
80
69
64
84
66
76
105
88
103
63
90
101
104
93
75
58
96
FIT
1:1
100%

Артикул

Название

Примечание

Количество

58

1327922C1

SUPPORT

- adjusting, alternator

1шт.

59

409-7816

BOLT,Hex Flg, 1/2" - 13 x 1", Spcl

- hex serrated flange, 1/2 NC x 1 inch

2шт.

60

231-5148

FLANGE NUT,Flg, USR, 1/2"-13

2шт.

61

154273C1

BOLT,Hex Serr, 3/8" - 16 x 1", Spcl

- hex, self-locking, special, 3/8 NC x 1 inch

1шт.

62

231-5146

FLANGE NUT,3/8"-16

1шт.

63

91900C91

ALTERNATOR

ASSEMBLY - reverser, parts list Figure 4-22

1шт.

64

1324830C1

SUPPORT

- outer

1шт.

65

154273C1

BOLT,Hex Serr, 3/8" - 16 x 1", Spcl

- hex, self-locking, special, 3/8 NC x 1 inch

2шт.

66

231-5146

FLANGE NUT,3/8"-16

2шт.

67

1324831C1

SPACER

- support

1шт.

68

111-357

CARRIAGE BOLT,Short NK, 3/8"-16 x 7 1/2", G2

BOLT - carriage, 3/8 NC x 7 inch

1шт.

69

492-11038

LOCK WASHER,3/8"

1шт.

70

425-106

NUT,3/8"-16, Cl 5

1шт.

74

532418R1

BRACE

- alternator

1шт.

75

413-616

BOLT,Hex, 3/8" - 16 x 1", Gr 5

- hex, 3/8 NC x 1 inch

1шт.

76

492-11038

LOCK WASHER,3/8"

1шт.

77

425-106

NUT,3/8"-16, Cl 5

1шт.

78

413-516

BOLT,Hex, 5/16" - 18 x 1", Gr 5

- hex, 5/16 NC x 1 inch

1шт.

79

492-11031

LOCK WASHER,5/16"

WASHER, LOCK, 5/16"

1шт.

80

496-21034

WASHER,11/32" x 11/16" x 0.89", HDN

(Replaces washer 25708R1) 11/32" x 11/16" x 0.89", HDN

1шт.

84

1330295C1

V-BELT,12.45 mm W x 1496.59 mm L

Drive, Alternator 12.45 mm W x 1496.59 mm L

1шт.

85

1327907C1

PULLEY

- drive, alternator

1шт.

88

1330223C1

SUPPORT ASSY.

SUPPORT - reverser

1шт.

89

409-7820

BOLT,Hex Flg, 1/2" - 13 x 1 1/4", Spcl

If used Hex Flg, 1/2"-13 x 1 1/4", Serr

5шт.

89

409-7832

BOLT,Hex Flg, 1/2" - 13 x 2", Spcl

- hex flange, 1/2 NC x 1-1/2 inch, if used (Replaces bolt 204813C1)

1шт.

90

231-5148

FLANGE NUT,Flg, USR, 1/2"-13

If used Flg, USR, 1/2"-13

6шт.

90

231-4118

LOCK NUT,1/2"-13, GB

NUT - hex, self-locking, 1/2 inch NC, if used

1шт.

91

1330219C2

SHIELD

- reverser

1шт.

92

1330217C1

CHANNEL

SUPPORT - lower, shield

1шт.

93

409-7512

BOLT,Hex Flg, 5/16" - 18 x 3/4", Spcl

- hex serrated flange, 5/16 NC x 3/4 inch

2шт.

94

160638C1

HANDLE

- door, shield

2шт.

95

135270

SERRATED SCREW,5/16" - 18 x 3/4"

- slotted truss head, 5/16 NC x 3/4 inch

4шт.

96

231-5145

SERRATED NUT,Flg, USR, 5/16"-18

NUT - hex serrated flange, 5/16 inch NC

7шт.

97

1330222C2

SUPPORT

- lower

1шт.

98

154273C1

BOLT,Hex Serr, 3/8" - 16 x 1", Spcl

- hex, self-locking, special, 3/8 NC x 1 inch

2шт.

99

482256C2

CABLE ASSY.

NUT - hex flange lock, 3/8 inch NC

2шт.

100

1327900C3

PLATE

- ratchet, reverser

1шт.

101

535789R1

BOLT,Hex Serr, 5/16" - 18 x 1 1/4"

- hex flange, 5/16 NC x 1-1/4 inch

4шт.

102

1327902C4

BAR

- ratchet, reverser (Replaces bar 1327902C3)

1шт.

103

413-516

BOLT,Hex, 5/16" - 18 x 1", Gr 5

- hex, 5/16 NC x 1 inch

1шт.

104

113-209

BOLT,Hex, 3/8" - 16 x 1-1/2", Gr 5

(Replaces bolt 180126) Hex, 3/8"-16 x 1 1/2", G5

1шт.

105

496-21041

WASHER,13/32" x 13/16" x .089", HDN

- flat, 13/32 x 13/16 x 3/32", hardened

1шт.

106

61084D

SPRING

- tension

1шт.

107

179218C1

ANGLE

- mounting, spring

1шт.

Выбрано товаров: 44