Запчасти Case IH 1682 (9-100) - BEATER AND SHAKER BELT DRIVE (09) - CHASSIS ATTACHMENTS

Схема запчастей Case IH 1682 - (9-100) - BEATER AND SHAKER BELT DRIVE (09) - CHASSIS ATTACHMENTS
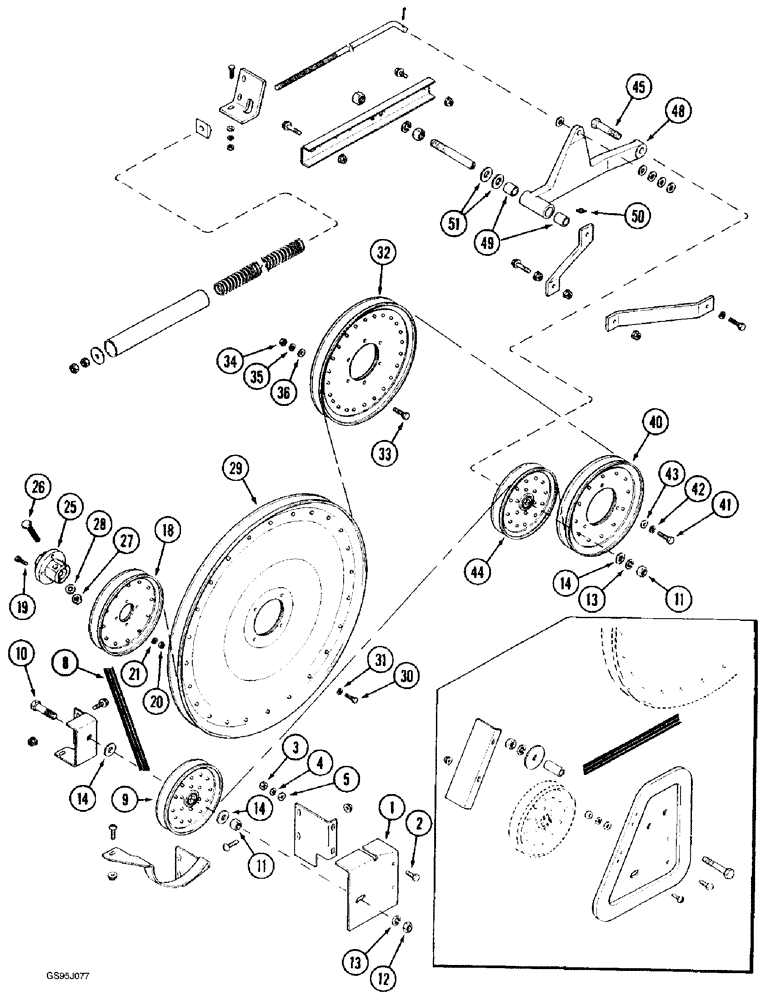
51
14
36
30
49
48
28
25
34
20
43
27
41
44
42
14
8
19
45
26
2
3
13
13
32
11
50
18
33
5
12
35
29
9
31
21
14
1
10
11
4
40
FIT
1:1
100%

Артикул

Название

Примечание

Количество

1

1302350C1

SHIELD

- support, fixed idler

1шт.

2

413-612

BOLT,Hex, 3/8" - 16 x 3/4", Gr 5

2шт.

3

425-106

NUT,3/8"-16, Cl 5

2шт.

4

492-11038

LOCK WASHER,3/8"

2шт.

5

495-11041

WASHER,0.406" ID x 0.812" OD x 0.065" W

(Flat, 13/32 x 13/16 x 1/16") 3/8", SAE

5шт.

8

186509C2

BELT,0.879" W x 255.99" L

V-BELT , Drive, Elevator, Over center 0.879" W x 255.99" L

1шт.

9

673214R91

PULLEY

- idler, elevator drive fixed, 7-5/16 inch (186 mm)

1шт.

10

413-1036

BOLT,Hex, 5/8" - 11 x 2-1/4", Gr 5

- hex, 5/8 NC x 2-1/4 inch

1шт.

11

425-1010

NUT,5/8"-11, G5

1шт.

12

425-1410

JAM NUT,Jam, 5/8"-11, G5

- hex jam, 5/8 inch NC (Replaces nut 124847)

1шт.

13

492-11062

BEARING WASHER,5/8"

WASHER, LOCK, 5/8"

1шт.

14

396-21066

WASHER,16.66mm ID x 33.33mm OD x 4.27mm Thk

1шт.

18

195161C1

PULLEY

- drive, beater, 8-3/8 inch

1шт.

19

413-516

BOLT,Hex, 5/16" - 18 x 1", Gr 5

- hex, 5/16 NC x 1 inch

4шт.

20

425-105

NUT,5/16"-18, G5

- hex, 5/16 inch NC

4шт.

21

492-11031

LOCK WASHER,5/16"

WASHER, LOCK, 5/16"

8шт.

25

1319402C1

HUB

- pulley, beater

1шт.

26

326-840

BOLT,Hex, 1/2" - 13 x 2-1/2", Gr 8

(Replaces bolt 24866R1) Hex, 1/2"-13 x 2 1/2", G8

1шт.

27

232-4118

NUT,1/2"-13, GC

NUT, LOCK, (Replaces nut 9412230) 1/2"-13, GC

1шт.

28

396-21053

WASHER,17/32" x 1 1/16" x .134"

(Replaces washer 26273R1) 17/32" x 1 1/16" x .134"

1шт.

29

1979876C1

PULLEY

- driven, 24 inch OD (Replaces pulley 193682C1)

1шт.

30

413-516

BOLT,Hex, 5/16" - 18 x 1", Gr 5

- hex, 5/16 NC x 1 inch

4шт.

31

492-11031

LOCK WASHER,5/16"

WASHER, LOCK, 5/16"

4шт.

32

183325C1

PULLEY

- driven, jackshaft, 13 inch

1шт.

33

413-620

BOLT,Hex, 3/8" - 16 x 1-1/4", Gr 5

- hex, 3/8 NC x 1-1/4 inch

3шт.

34

231-4116

NUT,3/8"-16, GB

NUT - hex, self-locking, 3/8 inch NC

3шт.

35

492-11038

LOCK WASHER,3/8"

3шт.

36

495-11041

WASHER,0.406" ID x 0.812" OD x 0.065" W

(Flat, 13/32 x 13/16 x 1/16") 3/8", SAE

3шт.

40

193948C1

PULLEY,39.61mm W x 254mm OD

- drive, jackshaft, 9-3/4 inch

1шт.

41

413-620

BOLT,Hex, 3/8" - 16 x 1-1/4", Gr 5

- hex, 3/8 NC x 1-1/4 inch

3шт.

42

492-11038

LOCK WASHER,3/8"

3шт.

43

495-81137

WASHER,13/32" x 1" x .224"

- flat, 13/32 x 1 x 13/64 inch (Replaces washer 21843R1)

1шт.

44

673214R91

PULLEY

- idler, elevator, 7-5/16 inch (186 mm)

1шт.

45

413-1044

BOLT,Hex, 5/8" - 11 x 2-3/4", Gr 5

- hex, 5/8 NC x 2-3/4 inch

1шт.

48

193447C91

ARM

LEVER ASSEMBLY - idler, jackshaft, Includes: Ref. 49

1шт.

49

556448R1

BUSHING,19.07mm ID x 22.23mm OD x 25.4mm L

- lever

2шт.

50

219-87

LUBE NIPPLE,1/4" - 28 NPTF

NIPPLE, LUBE, 1/4"-28 x .56" lg, Self-Tap

1шт.

51

495-11081

WASHER,3/4", SAE

(Replaces washer 131017) 3/4", SAE

1шт.

Выбрано товаров: 38