Запчасти Case IH 1682 (9-118) - GRAIN TANK UNLOADER BELT DRIVE, WITHOUT STRAW CHOPPER (09) - CHASSIS ATTACHMENTS

Схема запчастей Case IH 1682 - (9-118) - GRAIN TANK UNLOADER BELT DRIVE, WITHOUT STRAW CHOPPER (09) - CHASSIS ATTACHMENTS
38
37
28
34
12
56
27
30
46
43
20
36
39
23
33
42
3
21
13
10
45
34
48
55
12
15
19
52
5
29
26
22
18
36
35
47
49
54
1
44
14
50
8
57
6
58
2
51
2
9
11
31
4
25
FIT
1:1
100%

Артикул

Название

Примечание

Количество

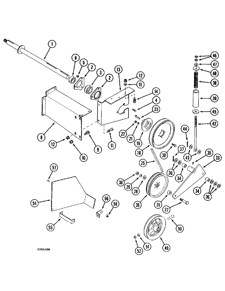
1

189382C2

SHAFT

- drive

1шт.

2

180955C1

FLANGED BEARING,0.375"

FLANGE - bearing

2шт.

3

611583R91

BALL BEARING

BEARING - ball, shaft

1шт.

4

434-616

CARRIAGE BOLT,Sht Sq Nk, 3/8" - 16 x 1", Gr 5

BOLT - carriage, 3/8 inch - 16 NC x 1 inch (Replaces bolt 495967R1)

3шт.

5

231-5146

FLANGE NUT,3/8"-16

3шт.

6

517645R11

COLLAR

- locking, with set screw

1шт.

8

189390C1

SUPPORT

BRACKET - support

1шт.

9

326-820

BOLT,Hex, 1/2" - 13 x 1-1/4", Gr 8

2шт.

10

232-5138

FLANGE NUT,Flg, USR, 1/2"-13, G8

2шт.

11

413-828

BOLT,Hex, 1/2" - 13 x 1-3/4", Gr 5

2шт.

12

231-5148

FLANGE NUT,Flg, USR, 1/2"-13

4шт.

13

184582C1

SUPPORT

- inner, shaft

1шт.

14

413-816

BOLT,Hex, 1/2" - 13 x 1", Gr 5

2шт.

15

496-21053

WASHER,17/32" x 1 1/16" x .134"

- flat, 17/32 x 1-1/16 x 1/8 inch, hardened

2шт.

18

1305974C1

PULLEY

- driven, 10 inch

1шт.

19

182335C1

HUB

- pulley

1шт.

20

413-616

BOLT,Hex, 3/8" - 16 x 1", Gr 5

- hex, 3/8 NC x 1 inch

4шт.

21

492-11038

LOCK WASHER,3/8"

4шт.

22

425-106

NUT,3/8"-16, Cl 5

4шт.

23

Q1497

KEY,Gib, 3/8" Sq x 2"

- square gib, 3/8 x 2 inch

1шт.

25

158797C1

V-BELT,0.88" W x 103.39" L

Drive 0.88" W x 103.39" L

1шт.

26

156221C91

PULLEY ASSY.

PULLEY - idler

1шт.

27

413-1044

BOLT,Hex, 5/8" - 11 x 2-3/4", Gr 5

- hex, 5/8 NC x 2-3/4 inch

1шт.

28

496-21066

WASHER,16.6mm ID x 33.5mm OD x 3.8mm Thk

- flat, 21/32 x 1-5/16 x 5/32 inch, hardened

1шт.

29

492-11062

BEARING WASHER,5/8"

WASHER, LOCK, 5/8"

1шт.

30

425-1010

NUT,5/8"-11, G5

1шт.

31

165011C1

SPACER

- idler

1шт.

33

1313955C91

LEVER

ASSEMBLY - arm, idler, Includes: Ref. 34

1шт.

34

556448R1

BUSHING,19.07mm ID x 22.23mm OD x 25.4mm L

- lever, pivot

2шт.

35

219-87

LUBE NIPPLE,1/4" - 28 NPTF

NIPPLE, LUBE, 1/4"-28 x .56" lg, Self-Tap

1шт.

36

495-11081

WASHER,3/4", SAE

(Replaces washer 131017) 3/4", SAE

5шт.

37

432-1632

COTTER PIN,1/4" x 2"

Pin, Split (Cotter), 1/4" x 2"

1шт.

38

P03A

SPRING - idler

1шт.

39

1327937C1

SPACER

- idler

1шт.

42

1313954C1

BOLT,1/2" - 13 x 342mm

- eye

1шт.

43

396-21066

WASHER,16.66mm ID x 33.33mm OD x 4.27mm Thk

2шт.

44

432-1632

COTTER PIN,1/4" x 2"

Pin, Split (Cotter), 1/4" x 2"

1шт.

45

495-81029

WASHER,0.66" ID x 2" OD x 0.12" Thk

- flat, 21/32 x 2 x 7/64 inch (Replaces washer 21759R1)

1шт.

46

425-108

NUT,1/2" - 13, Gr 5

NUT, , Hex 1/2"-13, G5

2шт.

47

496-21053

WASHER,17/32" x 1 1/16" x .134"

- flat, 17/32 x 1-1/16 x 1/8 inch, hardened

1шт.

48

495-91167

WASHER,13.49mm ID x 50.8mm OD x 3.4mm Thk

- flat, 17/32 x 2 x 7/64 inch (Replaces washer 22042R1)

1шт.

49

1305976C1

PULLEY

- drive

1шт.

50

413-832

BOLT,Hex, 1/2" - 13 x 2", Gr 5

1шт.

51

496-21053

WASHER,17/32" x 1 1/16" x .134"

- flat, 17/32 x 1-1/16 x 1/8 inch, hardened

1шт.

52

231-4118

LOCK NUT,1/2"-13, GB

NUT - hex lock, 1/2 inch NC

1шт.

54

1313959C3

SHIELD

- drive

1шт.

55

1313957C1

SUPPORT

- shield

2шт.

56

1313958C1

ANGLE

- shield

2шт.

57

135270

SERRATED SCREW,5/16" - 18 x 3/4"

- slotted truss head, 5/16 NC x 3/4 inch

6шт.

58

231-5145

SERRATED NUT,Flg, USR, 5/16"-18

NUT - hex serrated flange, 5/16 inch NC

6шт.

Выбрано товаров: 50