Запчасти Case IH 1682 (9-120) - GRAIN TANK UNLOADER BELT DRIVE, WITH STRAW CHOPPER (09) - CHASSIS ATTACHMENTS

Схема запчастей Case IH 1682 - (9-120) - GRAIN TANK UNLOADER BELT DRIVE, WITH STRAW CHOPPER (09) - CHASSIS ATTACHMENTS
16
31
12
58
44
23
43
47
2
55
4
13
35
32
57
2
41
9
39
15
25
22
61
19
33
59
3
27
40
56
6
18
10
32
54
42
11
16
56
34
60
30
34
5
46
26
1
24
15
45
53
8
51
38
52
14
FIT
1:1
100%

Артикул

Название

Примечание

Количество

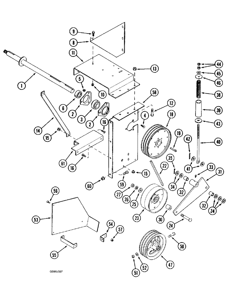
1

189382C2

SHAFT

- drive

1шт.

2

180955C1

FLANGED BEARING,0.375"

FLANGE - bearing

2шт.

3

611583R91

BALL BEARING

BEARING - ball, shaft

1шт.

4

485967R1

AUGER

BOLT - carriage, 3/8 NC x 1 inch

3шт.

5

231-5146

FLANGE NUT,3/8"-16

3шт.

6

517645R11

COLLAR

- locking, with set screw

1шт.

8

181666C1

BRACE

SUPPORT - shaft

1шт.

9

154273C1

BOLT,Hex Serr, 3/8" - 16 x 1", Spcl

- hex, self-locking, special, 3/8 NC x 1 inch

3шт.

10

231-5146

FLANGE NUT,3/8"-16

3шт.

11

181660C1

SUPPORT

- shaft

1шт.

12

413-828

BOLT,Hex, 1/2" - 13 x 1-3/4", Gr 5

4шт.

13

231-5148

FLANGE NUT,Flg, USR, 1/2"-13

4шт.

14

1305893C1

BRACE

SUPPORT - drive

1шт.

15

231-5146

FLANGE NUT,3/8"-16

5шт.

16

477-73816

SERRATED SCREW,Sl Truss Hd, 3/8" x 1"

- slotted truss head, special, 3/8 NC x 1 inch

5шт.

18

181856C1

PULLEY

- driven, 10 inch

1шт.

19

Q1497

KEY,Gib, 3/8" Sq x 2"

- square gib, 3/8 x 2 inch

1шт.

22

181718C1

SET OF BELTS,16.00 mm W

V-Belt, Drive 16.00 mm W

1шт.

23

176579C1

IDLER

- idler, 8 inch

1шт.

24

413-1056

BOLT,Hex, 5/8" - 11 x 3-1/2", Gr 5

1шт.

25

496-21066

WASHER,16.6mm ID x 33.5mm OD x 3.8mm Thk

- flat, 21/32 x 1-5/16 x 5/32 inch, hardened

1шт.

26

492-11062

BEARING WASHER,5/8"

WASHER, LOCK, 5/8"

1шт.

27

425-1010

NUT,5/8"-11, G5

1шт.

30

184944C1

SPACER

- pulley

1шт.

31

1313955C91

LEVER

ASSEMBLY - arm, idler, Includes: Ref. 32

1шт.

32

556448R1

BUSHING,19.07mm ID x 22.23mm OD x 25.4mm L

- lever, pivot

2шт.

33

219-87

LUBE NIPPLE,1/4" - 28 NPTF

NIPPLE, LUBE, 1/4"-28 x .56" lg, Self-Tap

1шт.

34

495-11081

WASHER,3/4", SAE

(Replaces washer 131017) 3/4", SAE

5шт.

35

432-1632

COTTER PIN,1/4" x 2"

Pin, Split (Cotter), 1/4" x 2"

1шт.

38

P03A

SPRING - idler

1шт.

39

176580C1

SPACER

- spring

1шт.

40

1313954C1

BOLT,1/2" - 13 x 342mm

- eye

1шт.

41

396-21066

WASHER,16.66mm ID x 33.33mm OD x 4.27mm Thk

2шт.

42

432-1632

COTTER PIN,1/4" x 2"

Pin, Split (Cotter), 1/4" x 2"

1шт.

43

495-81029

WASHER,0.66" ID x 2" OD x 0.12" Thk

- flat, 21/32 x 2 x 7/64 inch (Replaces washer 21759R1)

1шт.

44

425-108

NUT,1/2" - 13, Gr 5

NUT, , Hex 1/2"-13, G5

2шт.

45

496-21053

WASHER,17/32" x 1 1/16" x .134"

- flat, 17/32 x 1-1/16 x 1/8 inch, hardened

1шт.

46

495-91167

WASHER,13.49mm ID x 50.8mm OD x 3.4mm Thk

- flat, 17/32 x 2 x 7/64 inch (Replaces washer 22042R1)

1шт.

47

181657C1

PULLEY

- drive, 8 inch

1шт.

50

413-832

BOLT,Hex, 1/2" - 13 x 2", Gr 5

1шт.

51

231-4118

LOCK NUT,1/2"-13, GB

NUT - hex, self-locking, 1/2 inch NC

1шт.

52

496-21053

WASHER,17/32" x 1 1/16" x .134"

- flat, 17/32 x 1-1/16 x 1/8 inch, hardened

1шт.

53

1313959C3

SHIELD

- drive

1шт.

54

1313958C1

ANGLE

- shield

1шт.

55

1313957C1

SUPPORT

- shield

2шт.

56

135270

SERRATED SCREW,5/16" - 18 x 3/4"

- slotted truss head, 5/16 NC x 3/4 inch

6шт.

57

231-5145

SERRATED NUT,Flg, USR, 5/16"-18

NUT - hex serrated flange, 5/16 inch NC

6шт.

58

1305977C1

SUPPORT

- inner

1шт.

59

326-820

BOLT,Hex, 1/2" - 13 x 1-1/4", Gr 8

4шт.

60

232-5138

FLANGE NUT,Flg, USR, 1/2"-13, G8

4шт.

61

1305979C1

CHANNEL

- support

1шт.

Выбрано товаров: 51