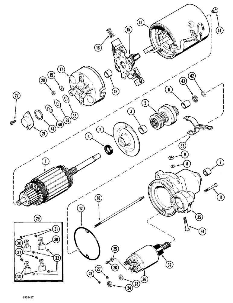
Запчасти Case IH 1688 (4-46) - FEEDER REVERSER MOTOR ASSEMBLY (06) - ELECTRICAL

Схема запчастей Case IH 1688 - (4-46) - FEEDER REVERSER MOTOR ASSEMBLY (06) - ELECTRICAL
39
35
6
10
42
30
7
3
12
16
43
38
19
9
14
33
34
18
17
20
30
5
24
41
8
31
23
31
26
40
28
32
15
27
21
29
11
25
1
36
22
37
13
4
30
2
FIT
1:1
100%

Артикул

Название

Примечание

Количество

245927C91

STARTING MOTOR

ASSEMBLY feeder reverser, Includes: Ref. 1 - 43

1шт.

245927C93R

REMAN-STARTER

REMANUFACTURED STARTING MOTOR

1шт.

245927C93C

CORE-STARTER

Return Number, STARTING MOTOR

1шт.

1

A186232

ARMATURE

motor

1шт.

2

A186233

HOUSING

plate

1шт.

3

3079432R1

BUSHING

clutch

1шт.

4

A186234

SEAL

bearing plate

1шт.

5

A186235

DRIVE,Starter

drive

1шт.

6

3079254R1

BUSHING

clutch

2шт.

7

3055738R1

BUSHING

frame

1шт.

8

3053133R1

SEALING RING,M8 x 11.5 x 1

gasket, vent screw

1шт.

9

691265C1

NUT

hex, special

1шт.

10

3079172R1

STUD

frame

2шт.

11

A186236

SCREW,Torx, M5 x 45mm

flat head, special

3шт.

12

A186237

RETAINER

RING bearing plate

1шт.

13

A186238

COIL

field

1шт.

14

3079552R1

BOLT,Flat

SCREW field coil

4шт.

15

3079174R1

HOLDER

brush

1шт.

16

3079420R1

SPRING

brush

4шт.

17

A186239

COVER

SHIELD holder

1шт.

18

3079170R1

BUSHING

holder

1шт.

19

K965147

WASHER

flat

2шт.

20

829-1306

NUT,M6, Cl 10

2шт.

21

3079177R1

CAP

holder

1шт.

22

K965146

SCREW

fillister head

2шт.

23

A186240

WASHER

lock

2шт.

24

825-1410

NUT,M10, Cl 8

2шт.

25

A186241

CLAMP

saddle

1шт.

26

K965151

SCREW

saddle clamp

1шт.

27

A186243

WASHER

lock

2шт.

28

933824R1

THIN NUT,Thin, M4 x .5, Cl 04

hex, 4 mm

2шт.

29

3079359R91

BRUSH, COMMUTATOR

BRUSH KIT Includes: Ref. 30 - 32

1шт.

30

NSS

NOT SOLD SEPARAT

BRUSH motor

4шт.

31

NSS

NOT SOLD SEPARAT

SCREW brush

4шт.

32

NSS

NOT SOLD SEPARAT

NUT brush

4шт.

33

3078965R1

LEVER

FORK clutch drive

1шт.

34

3079430R1

BOLT,Flat

SCREW fork pivot

1шт.

35

A186246

FRAME

SHIELD drive end

1шт.

36

A186244

SWITCH

SOLENOID

1шт.

37

A186245

DIAPHRAGM

solenoid

1шт.

3079555R91

PACKAGE

KIT motor repair, Includes: Ref. 38 - 43

1шт.

38

NSS

NOT SOLD SEPARAT

SHIM repair

1шт.

39

NSS

NOT SOLD SEPARAT

SHIM repair

1шт.

40

NSS

NOT SOLD SEPARAT

WASHER repair

1шт.

41

NSS

NOT SOLD SEPARAT

RING repair

1шт.

42

NSS

NOT SOLD SEPARAT

RETAINER repair

1шт.

43

NSS

NOT SOLD SEPARAT

RING repair

1шт.

Выбрано товаров: 47