Запчасти Case IH 1688 (8-64) - HYDRAULIC REEL DRIVE VALVE ASSEMBLY AND MOUNTING (07) - HYDRAULICS

Схема запчастей Case IH 1688 - (8-64) - HYDRAULIC REEL DRIVE VALVE ASSEMBLY AND MOUNTING (07) - HYDRAULICS
18
27
15
26
25
1
3
4
23
10
2
8
7
17
11
20
24
19
9
5
29
6
16
12
28
FIT
1:1
100%

Артикул

Название

Примечание

Количество

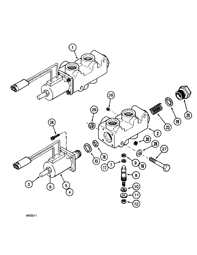
1

1272619C93

VALVE

ASSEMBLY hydraulic, Includes: Ref. 2 - 26

1шт.

2

NSS

NOT SOLD SEPARAT

BODY valve

1шт.

3

92669C2

SOLENOID SWITCH

valve assembly

1шт.

4

114555A1

SOLENOID

COIL

1шт.

5

1301632C1

CAP

COVER coil

1шт.

6

107825

NUT,Stamped, 1/2"-20

hex, 1/2 inch NF

1шт.

92670C1

KIT

service, manual override, Includes: Ref. 7 - 12

1шт.

7

G108725

BACK-UP RING

1шт.

8

NSS

NOT SOLD SEPARAT

PINTLE manual override

1шт.

9

238-6010

O-RING,0.07" Thk x 0.239" ID, -10, Cl 6, 90 Duro

1шт.

10

L31750

CIRCLIP,0.562", Int, #56

0.562", Int, #56

1шт.

11

107969A1

WASHER

flat, special

1шт.

12

425-154

JAM NUT,Jam, 1/4"-28, G5

1шт.

92671C1

KIT

service, valve, small parts, Includes: Ref. 15 - 25

1шт.

15

237-6010

O-RING,0.097" Thk x 0.755" ID, -910, Cl 6, 90 Duro

1шт.

17

G108725

BACK-UP RING

1шт.

18

238-6010

O-RING,0.07" Thk x 0.239" ID, -10, Cl 6, 90 Duro

1шт.

19

237-6012

O-RING,0.116" Thk x 0.924" ID, -912, Cl 6, 90 Duro

1шт.

20

115466A1

PORT

ORIFICE 0.025 inch

2шт.

23

115467A1

SPRING

spool

1шт.

24

62-3108

HEX SOC SCREW,#10 - 32 x 1/2"

BOLT hex socket, No. 10 NF x 1/2 inch

4шт.

25

115468A1

CAP

PLUG hex, special

1шт.

26

115465A1

PORT

ORIFICE 0.031 inch

2шт.

27

413-544

BOLT,Hex, 5/16" - 18 x 2-3/4", Gr 5

Used with Refs. 27A and 28 washers

2шт.

27a

495-81117

WASHER,.344" x 1" x .120"

flat, 11/32 x 1 x 7/64 inch, not shown, used with Ref. 27 bolt

2шт.

28

495-81123

WASHER,0.34" ID x 1.75" OD x 0.18" Thk

flat, 11/32 x 1-3/4 x 11/64 inch, used with Ref. 27 bolt

2шт.

29

231-5145

SERRATED NUT,Flg, USR, 5/16"-18

2шт.

16

237-6006

O-RING,0.078" Thk x 0.468" ID, -906, Cl 6, 90 Duro

1шт.

Выбрано товаров: 28