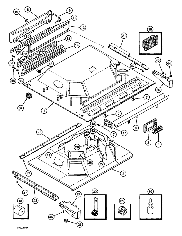
Запчасти Case IH 1688 (9G-12) - CAB, HEADLINER (10) - CAB & AIR CONDITIONING

Схема запчастей Case IH 1688 - (9G-12) - CAB, HEADLINER (10) - CAB & AIR CONDITIONING
19
12
13
43
46
27
45
3
48
14
7
23
42
36
28
47
21
22
4
35
7
47
24
9
26
31
41
34
38
18
11
44
17
30
40
1
7
47
38
37
2
15
10
8
25
39
6
20
FIT
1:1
100%

Артикул

Название

Примечание

Количество

1329973C93

PANEL ASSY.

headliner, Includes: Ref. 1 and 2

1шт.

1

NSS

NOT SOLD SEPARAT

PANEL headliner

1шт.

2

1329975C3

INSULATOR

accoustical

1шт.

3

1280402C1

PANEL

louver frame

4шт.

4

109227C1

VENT

louver

4шт.

6

1321268C2

COVER

defroster vent

1шт.

7

97135C1

KNOB

recirculation panel

3шт.

8

117621C2

DOOR

recirculating air

1шт.

9

1276293C2

ROD

control

1шт.

10

118345C1

BUMPER

recirculating door, Serial Range: attach-roof

1шт.

11

111666C2

SUPPORT

door

1шт.

12

109240C1

CAB FILTER

FILTER recirculation

1шт.

12

143481C92

CAB FILTER

FILTER recirculation

1шт.

12

87543798

CAB FILTER

Charcoal cab filter

1шт.

13

84157C1

SEAL

STRIP 39-13/32 inch (1001 mm) long

2шт.

14

109282C2

SIEVE

GRILLE recirculating, air filter

1шт.

15

97135C1

KNOB

recirculation filter grille

6шт.

17

1321259C1

PANEL

recirculation control trim

1шт.

18

1283457C3

SEAL

GROMMET monitor harness, right hand front and rear

1шт.

19

1283459C4

GROMMET

SEAL left hand rear corner

1шт.

20

1276270C1

PANEL

headliner trim, left hand front

1шт.

21

1280092C1

PANEL

headliner trim, left hand rear

1шт.

22

1276235C2

PANEL

headliner trim, rear

1шт.

23

1280093C2

PANEL

headliner trim, right hand rear

1шт.

24

1276271C1

PANEL

headliner trim, right hand front

1шт.

25

353-412

PLUG,Dome, 1.093" hole, Nylon

button, 1-3/32 inch

1шт.

26

1324515C1

PANEL

cab control, heater only

1шт.

26

1324516C1

PANEL

cab control, heater and air conditioning, includes decal

1шт.

27

1280182C2

PANEL

radio and clock

1шт.

28

1321384C1

PANEL

radio insert

1шт.

30

395467R2

CLIP

retaining

2шт.

31

353-406

PLUG,Dome, .625" hole, Nylon

button, 5/8 inch

1шт.

31

353-411

PLUG,Dome, 1.000" hole, Nylon

1шт.

31

353-404

PLUG,Dome, .500" hole, Nylon

1шт.

34

1327770C2

SEAL

cab harness hose, right hand rear

1шт.

35

477-73812

SERRATED SCREW,Truss HD, 3/8" - 16 x 3/4"

slotted truss head, special, 3/8 NC x 3/4 inch

2шт.

36

231-5146

FLANGE NUT,3/8"-16

2шт.

37

261-33724

SELF-TAP SCREW,Cross Pan Hd, 1/4" x 1 1/2"

self-tapping, pan Phillips, 1/4 NC x 1-1/2 inch

4шт.

38

1250628C2

SPACER

grille spacer

6шт.

39

117995C1

PACKAGE

KIT fastener

1шт.

40

1276052C1

SELF-TAP SCREW,Cross Oval Hd, #8 x 1 3/4"

self-tapping, oval head, No. 8-18 x 1-3/4 inch

4шт.

41

260-53424

SELF-TAP SCREW,Cross Pan Hd, #8 x 1 1/2"

self-tapping, pan Phillips, No. 8-18 x 1-1/2 inch

1шт.

42

260-1356

SELF-TAP SCREW,Cross Pan Hd, #10 x 3/8"

self-tapping, pan Phillips, No. 10-16 x 3/8 inch

2шт.

43

495-61020

WASHER,0.203" ID x 0.75" OD x 0.067" Thk

flat, 13/64 x 3/4 x 1/16 inch

2шт.

44

260-14412

SELF-TAP SCREW,Cross Pan Hd, #8 x 3/4"

self-tapping, pan Phillips, No. 8-18 x 3/4 inch

2шт.

45

445435

SPRING NUT,U, #10-24

U-spring, No. 8-18

2шт.

46

260-1346

SELF-TAP SCREW,Cross Pan Hd, #8 x 3/8"

self-tapping, pan Phillips, No. 8-18 x 3/8 inch

2шт.

47

1327506C1

SELF-TAP SCREW,Cross Pan Hd, M4.8 x 19mm, Coated

10шт.

48

260-13728

SELF-TAP SCREW,Cross Pan Hd, 1/4" x 1 3/4"

self-tapping, pan Phillips, 1/4-14 x 1-3/4 inch

2шт.

Выбрано товаров: 49