Запчасти Case IH 1688 (9G-43A) - HEATER AND AIR CONDITIONING, CAB CONNECTIONS, P.I.N. JJC0035300 AND AFTER (10) - CAB & AIR CONDITIONING

Схема запчастей Case IH 1688 - (9G-43A) - HEATER AND AIR CONDITIONING, CAB CONNECTIONS, P.I.N. JJC0035300 AND AFTER (10) - CAB & AIR CONDITIONING
19
23
8
21
26
20
13
7
28
14
10
11
16
10
4
5
19a
5
18
12
13
29
22
9
14a
25
15
17
24
27
6
3
1
2
FIT
1:1
100%

Артикул

Название

Примечание

Количество

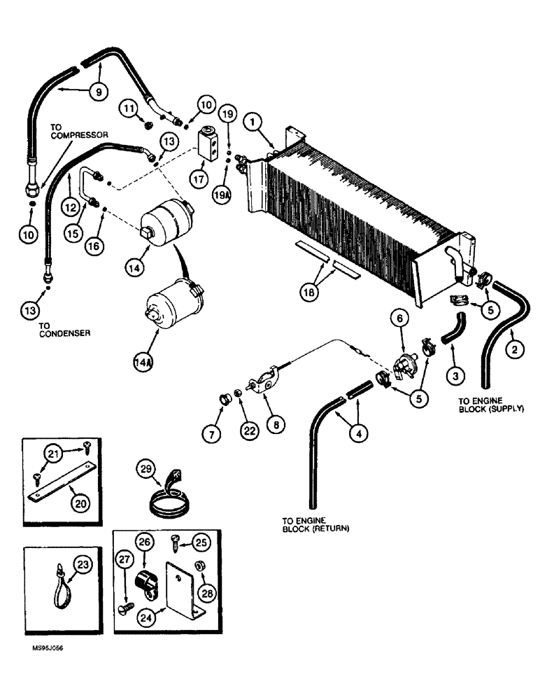
1

1974632C3

EVAPORATOR

CORE ASSEMBLY heater and evaporator includes Ref. 21 valve, and Refs. 23 and 23A O-rings, complete parts list Figure 9G-36, replaces 1974632C2

1шт.

2

1327782C2

LARGE HOSE,15.50 mm ID x 3302.00 mm

HOSE,LARGE Cut from 97252CX bulk, Heater to chassis junction, See this figure

1шт.

3

1321290C2

HEATER HOSE,15.50 mm ID x 127.00 mm

Cut from 97252CX bulk hose, Heater to Valve, Return See this Figure

1шт.

4

1327781C2

HOSE,15.50 mm ID x 2921.00 mm

Cut from 97252CX bulk, Heater to valve to chassis, See this figure

1шт.

5

1954736C1

HOSE CLAMP,#24

Retaining

4шт.

6

1331087C1

HEATER VALVE

control, heater

1шт.

7

111282C1

KNOB

KNOB control, heater

1шт.

8

123855A1

CONTROL

CABLE heater valve control

1шт.

9

1276164C1

HOSE

ASSEMBLY 106 inch (2700 mm) long, evaporator discharge, Includes: Ref. 10 and 11

1шт.

10

238-5015

O-RING,0.07" Thk x 0.551" ID, -15, Cl 5, 75 Duro

2шт.

11

222-981

TUBE NUT,Cap, 3/8"-24, 45 Degree Fl

hex, 7/16-20 inch female 45 degree flare, seal

1шт.

12

1276163C2

HOSE

118 inch (3000 mm) long, dryer to cab, Includes: Ref. 13

1шт.

13

238-5011

O-RING,0.07" Thk x 0.301" ID, -11, Cl 5, 75 Duro

2шт.

14

143469C2

RESERVOIR

air conditioning system, replaced by 1990758C2 Ref. 14A

1шт.

14a

1990758C2

RECEIVER-DRYER

air conditioning, replaces 143469C2 Ref. 14, reservoir, parts list Figure 9G-36 for mounting

1шт.

15

1250438C1

TUBE ASSY.

receiver-dryer, Includes: Ref. 16

1шт.

16

238-5011

O-RING,0.07" Thk x 0.301" ID, -11, Cl 5, 75 Duro

2шт.

17

1990756C1

VALVE

expansion, replaces 98370C3

1шт.

18

83822C1

TAPE

24 inch (610 mm) long, cut from 1954475C1 bulk, insulation, see this Figure

1шт.

19

238-5015

O-RING,0.07" Thk x 0.551" ID, -15, Cl 5, 75 Duro

1шт.

19a

238-5013

O-RING,0.07" Thk x 0.426" ID, -13, Cl 5, 75 Duro

1шт.

20

1321363C2

STRAP

retaining, hose

4шт.

21

1327506C1

SELF-TAP SCREW,Cross Pan Hd, M4.8 x 19mm, Coated

4шт.

22

109311H

JAM NUT

hex, jam, 7/16 inch NF

1шт.

23

306132C1

CABLE TIE,14.5" L

CABLE STRAP tie, 14 inch

1шт.

24

98158C1

BRACKET

heater valve support

1шт.

25

1327506C1

SELF-TAP SCREW,Cross Pan Hd, M4.8 x 19mm, Coated

2шт.

26

27291R1

CLAMP

P-type, 1 inch ID, hose retaining

1шт.

27

116494C1

SCREW,Sl Serr Truss Hd, 3/8" - 16 x 1/2"

1шт.

28

231-5146

FLANGE NUT,3/8"-16

1шт.

29

87435C1

MOLDING,0.19mm Grip, 76.2mm OAL

TRIM edge, 3 inch (76 mm) long, cut from 1330108CX bulk, heater and air conditioning hose, see this Figure

2шт.

1330108CX

SEAL,304.8mm L

TRIM edgde, bulk, 600 inch (15240 mm) long, see Ref. 29

1шт.

97252CX

HOSE

bulk, 5/8 (16) x 1 (25) x 600 inch (15240 mm) long, see Refs. 2, 3, and 4

1шт.

1954475C1

ROLL

TAPE bulk, 2-1/2 (63.5) wide x 360 (9150) long x 1/8 inch (3 mm) thick, see Ref. 18

1шт.

Выбрано товаров: 34