Запчасти Case IH 1688 (9B-20) - CAGE, FRONT (14) - ROTOR, CONCANVES & SIEVE

Схема запчастей Case IH 1688 - (9B-20) - CAGE, FRONT (14) - ROTOR, CONCANVES & SIEVE
41
26
3
5
8
28
48
27
40
49
2
4
53
51
24
10
25
55
11
29
42
3
51
50
6
15
43
52
7
27
6
12
2
18
14
27
26
2
13
1
21
54
12
44
47
FIT
1:1
100%

Артикул

Название

Примечание

Количество

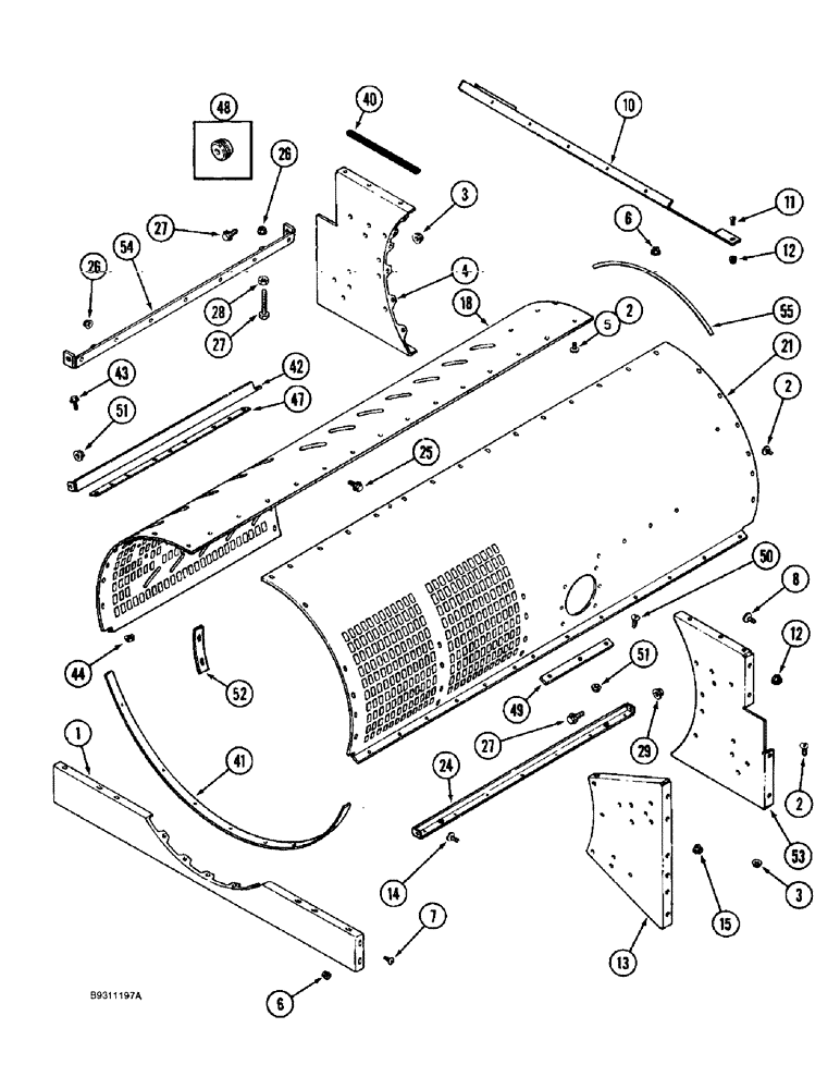
1

192385C1

SUPPORT

lower seal

1шт.

2

477-73812

SERRATED SCREW,Truss HD, 3/8" - 16 x 3/4"

slotted truss head, special, 3/8 NC x 3/4 inch

1шт.

2

477-73816

SERRATED SCREW,Sl Truss Hd, 3/8" x 1"

Special

1шт.

3

231-5146

FLANGE NUT,3/8"-16

1шт.

4

1338053C2

SUPPORT

rotor cage, left hand front

1шт.

5

135320A1

SCREW,Truss HD, 3/8" - 16 x 1-1/4"

BOLT round head, special, 3/8 NC x 1-1/4 inch

6шт.

6

231-5146

FLANGE NUT,3/8"-16

12шт.

7

1302160C1

SCREW,Truss HD, 3/8" - 16 x 3/4"

4шт.

8

135270

SERRATED SCREW,5/16" - 18 x 3/4"

slotted truss head, 5/16 NC x 3/4 inch

6шт.

10

188372C1

SUPPORT

front grain tank

1шт.

11

135270

SERRATED SCREW,5/16" - 18 x 3/4"

slotted truss head, 5/16 NC x 3/4 inch

9шт.

12

231-5145

SERRATED NUT,Flg, USR, 5/16"-18

15шт.

13

1338057C1

SUPPORT

cage, intermediate

2шт.

13

1338042C1

SUPPORT

cage, intermediate, with adjusting plate

1шт.

14

1302160C1

SCREW,Truss HD, 3/8" - 16 x 3/4"

18шт.

15

231-5146

FLANGE NUT,3/8"-16

18шт.

18

1318729C2

CAGE

SUPPORT rotor, left hand

1шт.

21

1321661C1

SUPPORT

rotor, right hand

1шт.

24

188333C1

SUPPORT

cage, right hand

1шт.

25

477-73816

SERRATED SCREW,Sl Truss Hd, 3/8" x 1"

Special

1шт.

25

135320A1

SCREW,Truss HD, 3/8" - 16 x 1-1/4"

BOLT round head, special, 3/8 NC x 1-1/4 inch

5шт.

26

231-5146

FLANGE NUT,3/8"-16

14шт.

27

1302143C1

FLANGE BOLT,Lock, Hex, 1/2" - 13 x 1"

hex flange, special, 1/2 NC x 1 inch

2шт.

27

931008R1

BOLT,Hex, 1/2" - 13 x 3 1/2", Gr 5, Full Thd

hex, 1/2 NC x 3-1/2 inch

2шт.

28

425-148

JAM NUT,Jam, 1/2"-13, G5

2шт.

29

231-5148

FLANGE NUT,Flg, USR, 1/2"-13

2шт.

40

NSS

NOT SOLD SEPARAT

SEAL grain tank support, cut from 73220C1 bulk seal, see this Figure

2шт.

41

186750C1

SUPPORT

cage filler

1шт.

42

185386C1

SUPPORT

cage, left hand

1шт.

43

1319250C1

LOCK BOLT,Hex, Flg, 3/8" - 16 x 1", W/ Scotch Grip

BOLT hex flange, special, 3/8 NC x 1 inch

1шт.

44

231-5146

FLANGE NUT,3/8"-16

1шт.

47

183323C1

STRAP

cage grate

1шт.

48

198822C1

GROMMET,6.35mm ID x 41.1mm OD x 26.9mm Thk

1/4 inch ID, grain tank to cage support

1шт.

48

198825C1

GROMMET,15.88mm ID x 41.1mm OD x 26.9mm Thk

5/8 inch ID, grain tank to cage support

1шт.

48

195803C1

GROMMET

3/8 inch, housing inner sheet hole

1шт.

49

186785C2

REINFORCEMENT

cage reinforcement, front

1шт.

50

1302143C1

FLANGE BOLT,Lock, Hex, 1/2" - 13 x 1"

hex flange, special, 1/2 NC x 1 inch

1шт.

51

231-5148

FLANGE NUT,Flg, USR, 1/2"-13

1шт.

52

1318900C1

SUPPORT

cage, left hand front

1шт.

53

1338043C2

SUPPORT

cage, right hand front

1шт.

54

1309191C1

SUPPORT

cage, left hand

1шт.

55

1309111C1

SEAL,19mm W x 725mm L

SEAL rubber, 28-9/16 inch (725 mm) long

1шт.

73220C1

FILLING STRIP

SEAL bulk, adhesive backed, 1/2 (13) x 3/4 (19) x 48 inch (1219 mm) long, see Ref. 40

1шт.

Выбрано товаров: 43