Запчасти Case IH 1688 (9C-02) - DISCHARGE BEATER (15) - BEATER & CLEANING FANS

Схема запчастей Case IH 1688 - (9C-02) - DISCHARGE BEATER (15) - BEATER & CLEANING FANS
22
44
4
40
20
24
25
42
21
36
7
9
2
1
41
48
1
45
17
5
11
37
34a
19
43
39
34
24
47
6
49
9
38
4
1
10
6
46
8
35
18
12
3
25
13
26
30
37
1
23
FIT
1:1
100%

Артикул

Название

Примечание

Количество

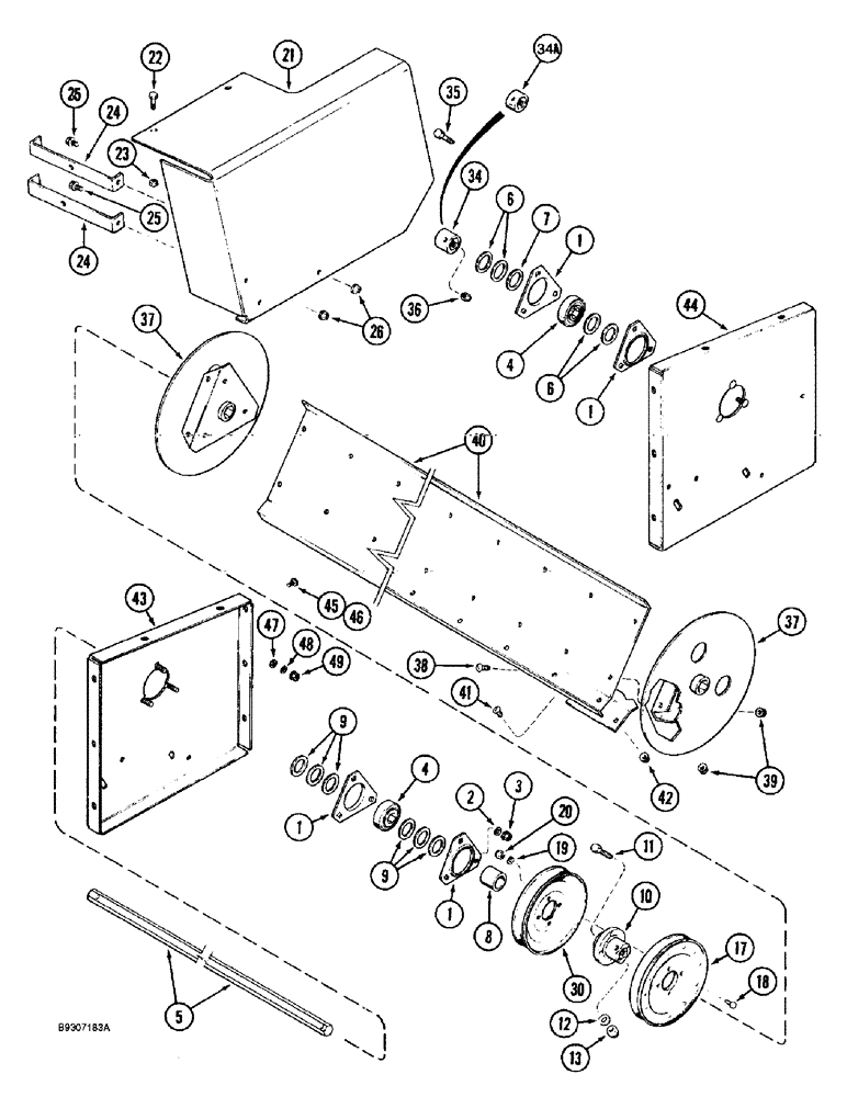
1

180955C1

FLANGED BEARING,0.375"

bearing

4шт.

2

492-11038

LOCK WASHER,3/8"

6шт.

3

425-106

NUT,3/8"-16, Cl 5

6шт.

4

156816C91

BEARING HOUSING,28.6mm Hex x 72mm OD x 25mm W

ball

2шт.

5

1302176C2

SHAFT

discharge beater, replaces 1302176C1

1шт.

6

495-81211

WASHER,34.14mm ID x 50.8mm OD x 3.4mm Thk

flat, 1-11/32 x 2 x 7/64 inch

4шт.

7

495-81210

WASHER,34.14mm ID x 50.8mm OD x 1.7mm Thk

flat, 1-11/32 x 2 x 3/64 inch

1шт.

8

632147R1

SPACER

1-5/8 OD x 1-5/8 inch long

1шт.

9

495-81211

WASHER,34.14mm ID x 50.8mm OD x 3.4mm Thk

flat, 1-11/32 x 2 x 7/64 inch

3шт.

10

1319402C1

HUB

beater drive pulley

1шт.

11

326-840

BOLT,Hex, 1/2" - 13 x 2-1/2", Gr 8

1шт.

12

396-21053

WASHER,17/32" x 1 1/16" x .134"

Hardened

1шт.

13

232-4118

NUT,1/2"-13, GC

1шт.

17

195161C1

PULLEY

drive, 8-3/8 inch OD

1шт.

18

413-516

BOLT,Hex, 5/16" - 18 x 1", Gr 5

4шт.

19

492-11031

LOCK WASHER,5/16"

8шт.

20

425-105

NUT,5/16"-18, G5

4шт.

21

195113C1

SUPPORT

beater drive

1шт.

22

154273C1

BOLT,Hex Serr, 3/8" - 16 x 1", Spcl

BOLT hex, self-locking, special, 3/8 NC x 1 inch

2шт.

23

231-5146

FLANGE NUT,3/8"-16

4шт.

24

194760C1

SUPPORT

BRACKET beater drive shield

2шт.

25

409-7612

BOLT,3/8"-16 x 1.09" OAL

4шт.

26

231-5146

FLANGE NUT,3/8"-16

4шт.

30

566516R91

PULLEY ASSY.

drive, 9-3/4 inch OD

1шт.

34

1302104C1

HUB

beater, fixed, 35 mm

1шт.

34a

117051A1

HUB

beater, fixed, 20.3 mm

1шт.

35

413-636

BOLT,Hex, 3/8" - 16 x 2-1/4", Gr 5

1шт.

36

231-4116

NUT,3/8"-16, GB

hex, self-locking, 3/8 inch NC

1шт.

37

1319266C1

HUB

beater

2шт.

38

477-73812

SERRATED SCREW,Truss HD, 3/8" - 16 x 3/4"

slotted truss head, special, 3/8 NC x 3/4 inch

12шт.

39

231-5146

FLANGE NUT,3/8"-16

12шт.

40

1319270C1

BLADE

beater

3шт.

41

477-73812

SERRATED SCREW,Truss HD, 3/8" - 16 x 3/4"

slotted truss head, special, 3/8 NC x 3/4 inch

18шт.

42

231-5146

FLANGE NUT,3/8"-16

18шт.

43

181061C2

SUPPORT

beater, left hand

1шт.

44

181062C2

SUPPORT

beater, right hand

1шт.

45

413-616

BOLT,Hex, 3/8" - 16 x 1", Gr 5

13шт.

46

413-620

BOLT,Hex, 3/8" - 16 x 1-1/4", Gr 5

1шт.

46

413-624

BOLT,Hex, 3/8" - 16 x 1-1/2", Gr 5

2шт.

47

495-11041

WASHER,0.406" ID x 0.812" OD x 0.065" W

Flat, (13/32 x 13/16 x 1/16")

18шт.

48

492-11038

LOCK WASHER,3/8"

16шт.

49

425-106

NUT,3/8"-16, Cl 5

18шт.

Выбрано товаров: 42