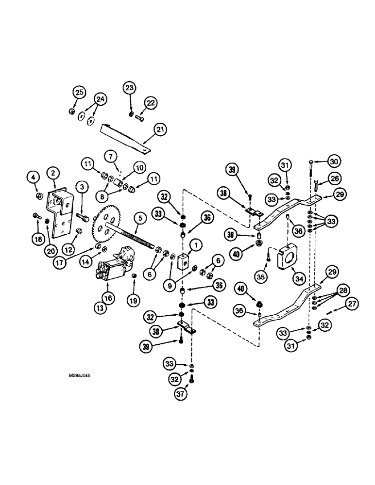
Запчасти Case IH 1688 (9C-14) - CLEANING FAN, DRIVE SPEED CONTROL (15) - BEATER & CLEANING FANS

Схема запчастей Case IH 1688 - (9C-14) - CLEANING FAN, DRIVE SPEED CONTROL (15) - BEATER & CLEANING FANS
13
11
31
36
36
40
36
32
36
30
6
38
29
39
24
35
4
32
17
1
6
26
10
20
22
9
39
2
33
25
8
29
18
11
33
23
27
33
3
19
31
34
38
33
16
33
37
12
7
32
32
36
33
32
14
21
28
40
5
FIT
1:1
100%

Артикул

Название

Примечание

Количество

1

181206C1

BLOCK

shaft

1шт.

2

181199C1

SUPPORT ASSY.

speed control motor

1шт.

3

413-612

BOLT,Hex, 3/8" - 16 x 3/4", Gr 5

2шт.

4

231-5146

FLANGE NUT,3/8"-16

2шт.

5

181202C1

SHAFT ASSY.

adjusting gear

1шт.

6

425-1010

NUT,5/8"-11, G5

4шт.

7

38-11216

LOCK PIN,3/16" x 1", Slotted

1шт.

8

495-81177

WASHER,21/32" x 1" x .030"

flat, 21/32 x 1 x 1/32 inch

2шт.

9

1302054C1

WASHER,15.95mm ID x 25.4mm OD x 1.52mm Thk

thrust

2шт.

10

181205C1

SPACER

adjusting gear shaft

1шт.

11

55826C1

BUSHING,15.9mm ID x 20.7mm OD x 12.7mm L

gear shaft

2шт.

12

55825C1

BUSHING,8.03mm ID x 12.74mm OD x 9.65mm L

electric motor

1шт.

13

126573C1

MOTOR, ELECTRIC

variable speed, Serial Range: -JJC0119985

1шт.

14

495-81138

WASHER,10.31mm ID x 25.4mm OD x 4.93mm Thk

flat, 13/32 x 1 x 11/64 inch, used to mount 126573C1 motor

3шт.

15

413-412

BOLT,Hex, 1/4" - 20 x 3/4", Gr 5

Used to mount 126573C1 motor

3шт.

16

111787A1

MOTOR, ELECTRIC

variable speed, Start Serial: JJC0119985

1шт.

16

111787A2R

REMAN-ELECTRIC MOTOR

1688 CASE IH AXIAL-FLOW COMBINE, variable speed, Start Serial: JJC0119985 (1/93-12/94), Reman for New PN 111787A1

1шт.

16

111787A2C

CORE-ELECTRIC MOTOR

Return Number

1шт.

17

113485A1

SPACER

17 mm, used with 111787A1 motor only

1шт.

18

413-432

BOLT,Hex, 1/4" - 20 x 2", Gr 5

Used to mount 111787A1 motor

2шт.

19

425-104

NUT,1/4"-20, Cl 5

Used to mount 11787A1 motor

2шт.

20

492-11025

LOCK WASHER,1/4"

2-3шт.

21

186283C1

SUPPORT

fan drive control

1шт.

22

413-618

BOLT,Hex, 3/8" - 16 x 1-1/8", Gr 5

1шт.

23

492-11038

LOCK WASHER,3/8"

1шт.

24

495-81142

WASHER,0.41" ID x 1.5" OD x 0.06" Thk

flat, 13/32 x 1-1/2 x 1/16 inch

2шт.

25

425-146

JAM NUT,3/8" - 16, Gr 5

1шт.

26

439-1624

HEADED PIN,3/8" x 1 1/2"

headed, 3/8 x 1-1/2 inch, grade 2

1шт.

27

432-812

COTTER PIN,3/4" OAL x 1/8" W

1шт.

28

495-11041

WASHER,0.406" ID x 0.812" OD x 0.065" W

Flat, (13/32 x 13/16 x 1/16")

3шт.

29

194850C2

SUPPORT

fan control

2шт.

30

413-532

BOLT,Hex, 5/16" - 18 x 2", Gr 5

1шт.

31

425-105

NUT,5/16"-18, G5

3шт.

32

492-11031

LOCK WASHER,5/16"

4шт.

33

495-11034

WASHER,5/16", SAE

(flat, 11/32 x 11/16 x 1/16")

1шт.

34

194852C2

SUPPORT

fan driver

1шт.

35

412-520

CARRIAGE BOLT,Short Sq Nk, 5/16" - 18 x 1 1/4", Gr 2

BOLT carriage, 5/16 NC x 1-1/4 inch, grade 2

2шт.

36

27825R1

SPACER,8.5mm ID x 12.7mm OD x 12.7mm L

6шт.

37

413-516

BOLT,Hex, 5/16" - 18 x 1", Gr 5

2шт.

38

142853A2

SUPPORT

BRACKET offset, Serial Range: block-support

2шт.

39

135270

SERRATED SCREW,5/16" - 18 x 3/4"

slotted truss head, 5/16 NC x 3/4 inch

2шт.

40

231-5145

SERRATED NUT,Flg, USR, 5/16"-18

2шт.

Выбрано товаров: 42