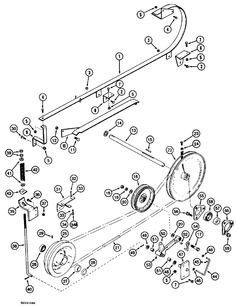
Запчасти Case IH 1688 (9E-12) - GRAIN TANK UNLOADER, BELT DRIVE (17) - GRAIN TANK & UNLOADER

Схема запчастей Case IH 1688 - (9E-12) - GRAIN TANK UNLOADER, BELT DRIVE (17) - GRAIN TANK & UNLOADER
47
53
48
8
23
4
49
22
46
7
41
20
27
7
14
13
34
33
31
10
2
50
45
21
54
12
25
46
37
19
20
33
52
15
51
5
34a
55
11
16
5
59
9
5
6
38
5
39
55
1
44
28
18
36
43
2
7
29
30
3
35
58
56
4
51
57
48
5
32
17
40
42
26
3
24
5
FIT
1:1
100%

Артикул

Название

Примечание

Количество

1

126544A2

GUIDE

belt, replaces 192929C6 and 126544A1

1шт.

2

409-7516

BOLT,Hex Flg, 5/16" - 18 x 1", Spcl

2шт.

3

231-5145

SERRATED NUT,Flg, USR, 5/16"-18

2шт.

4

154273C1

BOLT,Hex Serr, 3/8" - 16 x 1", Spcl

BOLT hex, self-locking, special, 3/8 NC x 1 inch

4шт.

5

231-5146

FLANGE NUT,3/8"-16

8шт.

6

192870C2

SUPPORT

ANGLE front

1шт.

7

409-7620

BOLT,Hex Flg, 3/8" - 16 x 1 1/4", Spcl

4шт.

8

1347450C1

SUPPORT

ANGLE center

1шт.

9

1541741C1

SUPPORT

belt guide, lower

1шт.

10

193759C5

SUPPORT

GUIDE belt, upper

1шт.

11

413-820

BOLT,Hex, 1/2" - 13 x 1-1/4", Gr 5

1шт.

12

231-1448

NUT,1/2"-13, GB

hex, self locking, NC

1шт.

13

1347352C1

SHAFT

auger

1шт.

14

495-81202

WASHER,1 9/32" x 1 3/4" x .060"

flat, 1-9/32 x 1-3/4 x 1/16 inch

1шт.

15

586879R1

KEY

square parallel, 5/16 x 2 inch

1шт.

16

663887R91

PULLEY,203.2mm Idler Dia x 214.63mm OD x 48.42mm W

drive

1шт.

17

413-1060

BOLT,Hex, 5/8" - 11 x 3-3/4", Gr 5

BOLT hex, 5/8 NC x 3-3/4 inch

1шт.

18

425-1010

NUT,5/8"-11, G5

1шт.

19

492-11062

BEARING WASHER,5/8"

1шт.

20

496-21066

WASHER,16.6mm ID x 33.5mm OD x 3.8mm Thk

Hardened

2шт.

21

1989217C1

V-BELT,22.327 mm W x 3712.09 mm L

Drive

1шт.

22

1994762C2

PULLEY

driven

1шт.

23

485-13116

SET SCREW,Sq Hd, 5/16"-18 x 1", Cup pt

2шт.

24

425-145

JAM NUT,Jam, 5/16"-18, G5

2шт.

25

1541762C1

PULLEY

ASSEMBLY drive, pump, Includes: Ref. 26 - 28

1шт.

26

658089R91

BALL BEARING,30mm ID x 62mm OD x 16mm W

ball

1шт.

27

A144861

NEEDLE BEARING

roller

1шт.

28

466176R92

SEAL

pulley

1шт.

29

219-87

LUBE NIPPLE,1/4" - 28 NPTF

1шт.

30

458-616

BOLT,Hex Flg, 3/8" - 16 x 1", Gr 5

BOLT hex flange, 3/8 NC x 1 inch

1шт.

31

1541742C1

SUPPORT ASSY.

belt guide, upper

1шт.

32

413-628

BOLT,Hex, 3/8" - 16 x 1-3/4", Gr 5

1шт.

33

495-81135

WASHER,10.31mm ID x 25.4mm OD x 3.4mm Thk

2шт.

34

492-11038

LOCK WASHER,3/8"

1шт.

34a

425-106

NUT,3/8"-16, Cl 5

1шт.

35

185070C1

SUPPORT

spring

1шт.

36

154273C1

BOLT,Hex Serr, 3/8" - 16 x 1", Spcl

BOLT hex, self-locking, special, 3/8 NC x 1 inch

2шт.

37

231-5146

FLANGE NUT,3/8"-16

2шт.

38

185061C1

ROD

tightener

1шт.

39

425-108

NUT,1/2" - 13, Gr 5

2шт.

40

432-1216

COTTER PIN,3/16" x 1"

1шт.

41

495-81287

WASHER,13.49mm ID x 31.75mm OD x 3.4mm Thk

flat, 17/32 x 1-1/4 x 7/64 inch

2шт.

42

391745R1

SPRING

arm, tightener

1шт.

43

194652C1

PIVOT

rod

1шт.

44

193820C1

ROD

retainer

1шт.

45

432-812

COTTER PIN,3/4" OAL x 1/8" W

2шт.

46

495-81129

WASHER,13/32" x 3/4" x .120"

flat, 13/32 x 3/4 x 7/64 inch

4шт.

47

1324456C1

SUPPORT

arm, tightener

1шт.

48

495-81039

WASHER,25/32" x 1 1/4" x .120"

flat, 25/32 x 1-1/4 x 7/64 inch

2шт.

49

432-1620

COTTER PIN,1/4" x 1 1/4"

1шт.

50

185059C93

LEVER ASSY.

ARM belt tightener, Includes: Ref. 51 - 53

1шт.

51

382638R2

BUSHING,19.07mm ID x 22.24mm OD x 19.05mm L

arm, 3/4 ID x 7/8 OD x 3/4 inch wide

2шт.

52

1302225C1

BUSHING

arm, 3/8 ID x 1/2 OD x 3/4 inch wide

1шт.

53

219-87

LUBE NIPPLE,1/4" - 28 NPTF

1шт.

54

194894C1

ROD

belt, upper

1шт.

55

180955C1

FLANGED BEARING,0.375"

bearing

2шт.

56

409-7612

BOLT,3/8"-16 x 1.09" OAL

3шт.

57

565672R92

SPHERICAL BEARING,1.2505" ID x 72 mm OD x 1"

ball

1шт.

58

455104R11

COLLAR

locking, bearing

1шт.

59

231-5146

FLANGE NUT,3/8"-16

3шт.

Выбрано товаров: 60