Запчасти Case IH 1688 (7-08) - PARKING BRAKE (5.1) - BRAKES

Схема запчастей Case IH 1688 - (7-08) - PARKING BRAKE (5.1) - BRAKES
11
6
12
7
9
1
10
4
3
2
13
5
8
FIT
1:1
100%

Артикул

Название

Примечание

Количество

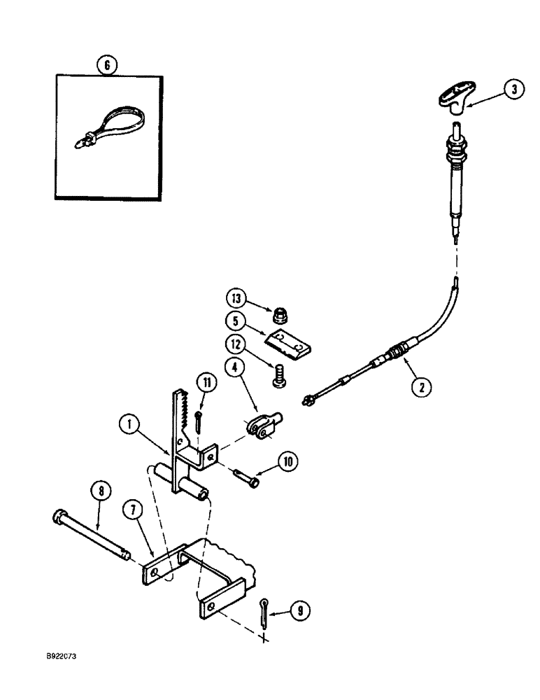
1

1277202C1

PLATE

SECTOR parking brake

1шт.

2

166149C91

CABLE

ASSEMBLY parking brake, 125 inch, Includes: Ref. 3

1шт.

3

170273C1

HANDLE

control, parking brake

1шт.

4

213-113

ADJUSTABLE CLEVIS,#10-32

adjustable, No. 10 NF

1шт.

5

177802C1

BAR

parking brake ratchet

1шт.

6

702093C1

CABLE TIE

CABLE STRAP parking brake cable

5шт.

7

REF

INSTRUCTION

SUPPORT brake actuator, parts list Figure 7-4 Refs. 40 and 41

1шт.

8

631252R1

HEADED PIN,9.53mm OD x 104.78mm L

headed, 3/8 x 4-1/8 inch

1шт.

9

432-812

COTTER PIN,3/4" OAL x 1/8" W

1шт.

10

427-3103

CLEVIS PIN,4.78mm OD x 26.19mm L

3/16 x 1-1/32 inch, hardened

1шт.

11

432-48

COTTER PIN,1/16" x 1/2"

1шт.

12

135270

SERRATED SCREW,5/16" - 18 x 3/4"

slotted truss head, 5/16 NC x 3/4 inch

2шт.

13

231-5145

SERRATED NUT,Flg, USR, 5/16"-18

2шт.

Выбрано товаров: 13