Запчасти Case IH 1688 (6-44) - HYDROSTATIC MOTOR ASSEMBLY, TWO SPEED (03) - POWER TRAIN

Схема запчастей Case IH 1688 - (6-44) - HYDROSTATIC MOTOR ASSEMBLY, TWO SPEED (03) - POWER TRAIN
15
25
6
19
26
7
26
24
1
6
31
23
11
7
27
29
4
16
24
22
25
32
20
30
23
8
21
17
18
13
9
22
28
10
5
7
3
6
14
2
12
21
FIT
1:1
100%

Артикул

Название

Примечание

Количество

REF

INSTRUCTION

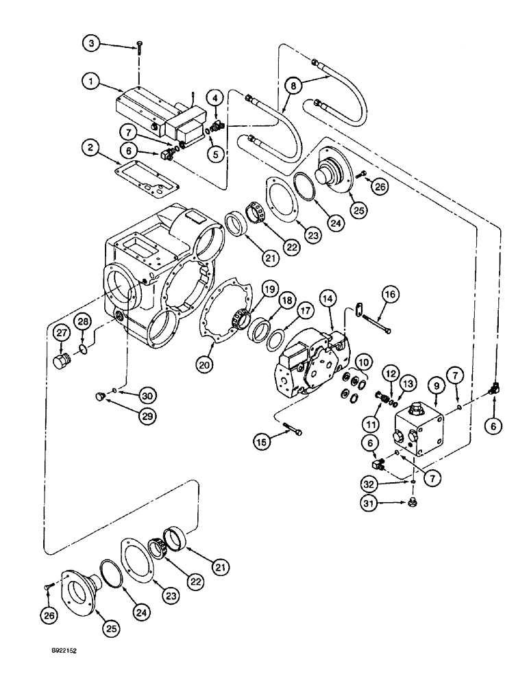
MOTOR ASSEMBLY hydrostatic, parts list Figures 6-40 - 6-48, Includes: Ref. 1 - 32

1шт.

1

145336C92

VALVE

ASSEMBLY motor control, parts list Figure 6-46

1шт.

2

145337C1

GASKET

control valve

1шт.

3

413-528

BOLT,Hex, 5/16" - 18 x 1-3/4", Gr 5

6шт.

4

218-5133

ELBOW,45 Degree Elbow, 7/16" - 20 Male JIC x 7/16" - 20 Male ORB

ELBOW 45 degree, 7/16-20 inch flare x adj 0-ring boss, Includes: Ref. 5

1шт.

5

237-6004

O-RING,0.072" Thk x 0.351" ID, -904, Cl 6, 90 Duro

1шт.

6

218-5103

90 ELBOW,90 Degree Elbow, 7/16" - 20 Male JIC x 7/16" - 20 Male ORB

90 degree, 7/16-20 inch flare x adj O-ring boss, Includes: Ref. 7

3шт.

7

237-6004

O-RING,0.072" Thk x 0.351" ID, -904, Cl 6, 90 Duro

1шт.

8

175760C2

HYDRAULIC HOSE,6.35mm ID x 254mm L, SAE 100R2

10 inch (254 mm) long, Serial Range: valve-block

2шт.

9

1971432C2

VALVE

BLOCK ASSEMBLY relief, parts list Figure 6-48

1шт.

10

140747C91

SEAL KIT

seal replacement, parts list Figure 6-48

1шт.

11

140769C1

CHECK VALVE

ASSEMBLY

2шт.

12

238-6113

O-RING,0.103" Thk x 0.549" ID, -113, Cl 6, 90 Duro

2шт.

13

140770C1

RING

backup, check valve

2шт.

14

NSS

NOT SOLD SEPARAT

HOUSING end cover

1шт.

15

426-732

BOLT,Hex, 7/16" - 14 x 2", Gr 8

BOLT hex, 7/16 NC x 2 inch, grade 8

2шт.

16

413-748

BOLT,Hex, 7/16" - 14 x 3", Gr 5

BOLT hex, 7/16 NC x 3 inch

6шт.

142398C91

SHIM KIT

KIT end cover, Includes: Ref. 17

1шт.

17

NSS

NOT SOLD SEPARAT

SHIM 0.003 inch

1шт.

17

NSS

NOT SOLD SEPARAT

SHIM 0.005 inch

1шт.

17

NSS

NOT SOLD SEPARAT

SHIM 0.010 inch

1шт.

17

NSS

NOT SOLD SEPARAT

SHIM 0.015 inch

1шт.

17

NSS

NOT SOLD SEPARAT

SHIM 0.020 inch

1шт.

17

NSS

NOT SOLD SEPARAT

SHIM 0.030 inch

1шт.

18

530741R1

BEARING CUP

tapered roller, 2-17/32 inch OD, input shaft

1шт.

19

400983R91

ROLLER BEARING,1.18775" ID x 2.5317" OD x 0.8478"

tapered roller, 1-3/16 inch ID, input shaft

1шт.

20

140756C2

GASKET

end cover

1шт.

21

399934C1

BEARING CUP,73.43mm OD x 15.75mm W

tapered roller, 2-57/64 inch OD, trunnion

2шт.

22

399933C91

ROLLER BEARING,45.24mm ID x 19.81mm W

tapered roller, 1-25/32 inch ID, trunnion

2шт.

142386C91

SHIM KIT

KIT trunnion bearing, Includes: Ref. 23

1шт.

23

NSS

NOT SOLD SEPARAT

SHIM trunnion, 0.002 inch, 6 in kit

1шт.

23

NSS

NOT SOLD SEPARAT

SHIM trunnion, 0.005 inch, 4 in kit

1шт.

23

NSS

NOT SOLD SEPARAT

SHIM trunnion, 0.010 inch, 4 in kit

1шт.

23

NSS

NOT SOLD SEPARAT

SHIM trunnion, 0.015 inch, 4 in kit

1шт.

23

NSS

NOT SOLD SEPARAT

SHIM trunnion, 0.025 inch, 4 in kit

1шт.

24

238-5234

O-RING,0.139" Thk x 2.984" ID, -234, Cl 5, 75 Duro

2шт.

25

NSS

NOT SOLD SEPARAT

TRUNNION motor

2шт.

26

413-714

BOLT,Hex, 7/16" - 14 x 7/8", Gr 5

BOLT hex, 7/16 NC x 7/8 inch

6шт.

27

218-5158

PLUG,Hex Hd, 1 1/16"-12 ORB

Includes: Ref. 28

1шт.

28

237-6012

O-RING,0.116" Thk x 0.924" ID, -912, Cl 6, 90 Duro

1шт.

29

278548

PLUG,Hex, 7/16"-20 ORB

Incl Ref 30

1шт.

30

237-6004

O-RING,0.072" Thk x 0.351" ID, -904, Cl 6, 90 Duro

1шт.

31

9672438

PLUG,7/16" - 20 ORB

Incl. Ref. 32

1шт.

32

237-6004

O-RING,0.072" Thk x 0.351" ID, -904, Cl 6, 90 Duro

1шт.

Выбрано товаров: 44