Запчасти Case IH 1688 (6-52) - TRANSMISSION, HOUSING AND DIFFERENTIAL (03) - POWER TRAIN

Схема запчастей Case IH 1688 - (6-52) - TRANSMISSION, HOUSING AND DIFFERENTIAL (03) - POWER TRAIN
12
26
17
33
18
10
12
14
27
23
29
22
11
34
16
24b
7
25
32
13
19
30
13
17
28
15
12
24a
8
2
3
9
31
6
1
4
24
21
5
20
FIT
1:1
100%

Артикул

Название

Примечание

Количество

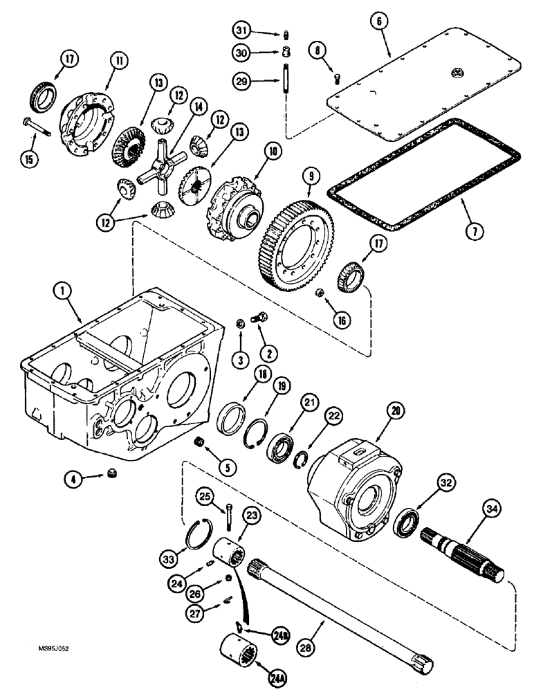
1

401873R2

HOUSING

transmission

1шт.

2

426-1024

BOLT,Hex, 5/8" - 11 x 1-1/2", Gr 8

4шт.

3

392-21062

LOCK WASHER,5/8"

5/8"

4шт.

4

221-887

PLUG

square socket, 3/4 inch PT, drain, magnetic

1шт.

5

217-442

PLUG,3/4" - 14

hex socket, 3/4 inch PT

1шт.

6

184167C1

COVER ASSY

transmission housing

1шт.

7

401860R1

GASKET

housing cover

1шт.

8

413-612

BOLT,Hex, 3/8" - 16 x 3/4", Gr 5

15шт.

9

404085R1

GEAR

driven, 66 teeth

1шт.

1968235C1

DIFFERENTIAL

ASSEMBLY transmission, Includes: Ref. 10 - 18

1шт.

404081R1

CASE ASSY.

KIT housing, differential, Includes: Ref. 10 and 11

1шт.

10

NSS

NOT SOLD SEPARAT

HOUSING differential, right hand order 404081R1 kit

1шт.

11

NSS

NOT SOLD SEPARAT

HOUSING differential, left hand order 404081R1 kit

1шт.

12

361061R3

PINION

GEAR 15 teeth, differential

4шт.

13

404084R1

PINION

GEAR bevel, 28 teeth, differential

2шт.

14

393637R2

DIFF. SPIDER

1шт.

15

404171R2

BOLT,1/2" - 20 x 4"

BOLT special, differential housing

12шт.

16

29-218

NUT,1/2"-20, G8, Hvy

hex, 1/2 inch NF, grade 8

12шт.

17

ST2096

BEARING ASSY,73.03mm ID x 25.4mm W

tapered roller, differential

2шт.

18

ST981

BEARING CONE,112.71mm OD x 19.05mm W

tapered roller, differential

2шт.

19

100-21393

SNAP RING,3.938", Int, #393

2шт.

20

REF

INSTRUCTION

HOUSING brake, parts list Figure 7-4, Ref. 9

2шт.

21

ST265

BALL BEARING,55mm ID x 100mm OD x 21mm Thk

ball, differential shaft

2шт.

22

358059R1

SNAP RING

snap, bearing

2шт.

23

184341C1

SLEEVE

COUPLING ASSEMBLY axle drive shaft, assembly axle, replaced by 184341C2, Includes: Ref. 24

4шт.

24

219-14

LUBE NIPPLE,1/4" NPTF

Straight

1шт.

24a

184341C2

SPLINED COUPLING

ASSEMBLY axle drive shaft, replaces 184341C1

4шт.

24b

219-45

LUBE NIPPLE,65 Degree Elbow, 1/4" NPTF

FITTING grease, 65 degree, 1/4 drive type x 3/4 inch

1шт.

25

27653R1

BOLT,Hex, 3/8" - 16 x 3 1/2", Gr 8

BOLT hex, 3/8 NC x 3-1/2 inch, grade 8, replaces 27653R1

4шт.

26

654049R1

LOCK NUT

hex, self-locking, 3/8 inch NC

4шт.

27

21864R1

COTTER PIN

retaining, S-type

4шт.

28

1309012C1

SHAFT

final drive, left hand

1шт.

28

402725R2

SHAFT

final drive, right hand

1шт.

29

221-1114

LUBE NIPPLE,1/8" NPT x 4 1/2"

1шт.

30

144098

REDUCER

COUPLING reducing, 1/4 PT to 1/8 inch PT

1шт.

31

61991R91

BREATHER,1/8"-27 NPT, Short, w/washer

FITTING housing, 1/8 inch PT

1шт.

32

574273R91

BEARING ASSY,2.1654" ID x 3.937" OD x 0.8268"

ball, housing cover

2шт.

33

184131C1

SNAP RING,#393, 4.234", Int

bearing retaining

2шт.

34

1342912C1

SHAFT

differential

2шт.

Выбрано товаров: 39