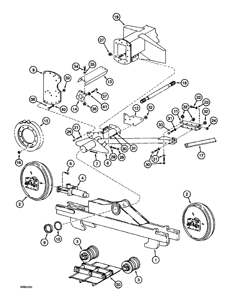
Запчасти Case IH 1688 (6-70) - TRACK FRAME (03) - POWER TRAIN

Схема запчастей Case IH 1688 - (6-70) - TRACK FRAME (03) - POWER TRAIN
24
14
30
26
6
19
30
34
27
33
31
18
5
12
37
2
29
16
9
32
39
32
3
4
32
38
36
8
1
17
11
31
22
40
10
7
41
13
2
35
28
31
23
3
15
21
20
FIT
1:1
100%

Артикул

Название

Примечание

Количество

1541592C1

FRAME ASSY

track, 6 roller, Includes: Ref. 1 - 5

2шт.

1

NSS

NOT SOLD SEPARAT

FRAME track

2шт.

2

R53591

FRONT IDLER

ASSEMBLY track, front and rear, parts list Figure 6-76

2шт.

3

R57357

TRACK ROLLER

track, parts list Figure 6-78

6шт.

4

1541714C1

ADJUSTER

idler, component parts not serviced separately

1шт.

5

426-828

BOLT,Hex, 1/2" - 13 x 1-3/4", Gr 8

4шт.

6

188487C1

FRAME

PIVOT track frame, left hand

1шт.

6

188488C1

FRAME

PIVOT track frame, right hand

1шт.

7

23854R1

LOCK PIN,1/2" x 5", Slotted

2шт.

8

186832C1

PLATE

outer pivot support, replaced by 186832C2

2шт.

8

186832C2

PLATE

outer pivot support, replaces 186832C1

2шт.

9

167791C1

SPACER

COLLAR pivot retainer

2шт.

10

168385C2

WASHER,102.6mm ID x 127mm OD x 3.3mm Thk

flat, special, track pivot shaft

4шт.

11

188498C1

BRACKET

SUPPORT pivot rear anchor, left hand

1шт.

Field installation.

1шт.

11

188499C1

BRACKET

SUPPORT pivot rear anchor, right hand

1шт.

Field installation.

1шт.

11

188496C1

SUPPORT

Pivot Rear Anchor, LH

1шт.

Factory installation.

1шт.

11

188497C1

SUPPORT

Pivot Rear Anchor, RH

1шт.

Factory installation.

1шт.

12

186006C1

SUPPORT

inner pivot, high clearance

2шт.

12

1302371C1

PLATE

SUPPORT inner pivot, low clearance, left hand

1шт.

12

1302372C1

PLATE

SUPPORT inner pivot, low clearance, right hand

1шт.

13

1338130C1

SHIELD

axle shaft

2шт.

14

186016C2

SUPPORT

BRACKET replaced by 186016C4

1шт.

14

186017C2

SUPPORT

BRACKET replaced by 186017C4

1шт.

14

186016C4

SUPPORT

Bracket, Replaces 186016C2 and 186016C3

1шт.

14

186017C4

SUPPORT

Bracket, Replaces 186017C2 and 186017C3

1шт.

15

184490C1

DRIVE SPROCKET

track, 23 teeth

2шт.

16

429-1112

NUT,3/4"-16, G5

hex, 3/4 inch NF, grade 8

20шт.

17

186018C1

STRAP

diagonal support, parts list Figure 9H-6 Ref. 14 and parts list Figure 9H-8 Ref. 12

2шт.

18

REF

INSTRUCTION

SHAFT axle, parts list Figure 6-60 Ref. 3 and parts list Figure 6-62 Ref. 3

2шт.

19

1302714C2

CENTER AXLE

drive, use on combines with track attachment, parts list Figure 6-58, Ref. 1

1шт.

20

1541593C1

TRACK CHAIN

track with shoes, parts list Figure 6-74

2шт.

21

137339A1

WASHER

flat, special, 22 x 34 x 3.4 mm

14шт.

22

426-616

BOLT,Hex, 3/8" - 16 x 1", Gr 8

4шт.

23

492-11038

LOCK WASHER,3/8"

4шт.

24

429-106

NUT,3/8"-16, G8

hex, 3/8 inch NC, grade 8

4шт.

26

827-20070

BOLT,Hex, M20 x 2.5 x 70mm, Cl 10.9

4шт.

27

186852C1

FLANGE NUT,Hex, 1/2"-13, Lock

hex, self-locking, special, 1/2 inch NC, grade 8

6шт.

28

426-820

BOLT,Hex, 1/2" - 13 x 1-1/4", Gr 8

6шт.

29

496-21053

WASHER,17/32" x 1 1/16" x .134"

Hardened

6шт.

30

426-1028

BOLT,Hex, 5/8" - 11 x 1-3/4", Gr 8

22шт.

31

396-41066

WASHER,16.66mm ID x 38.1mm OD x 5.05mm Thk

flat, hardened, 21/32 x 1-1/2 x 3/16 inch

26шт.

32

186851C1

FLANGE NUT

hex flange, self-locking, 5/8 inch NC, grade 8

24шт.

33

426-1020

BOLT,Hex, 5/8" - 11 x 1-1/4", Gr 8

hex, 5/8 NC x 1-1/4 inch, grade 8

2шт.

34

413-612

BOLT,Hex, 3/8" - 16 x 3/4", Gr 5

4шт.

35

495-11041

WASHER,0.406" ID x 0.812" OD x 0.065" W

Flat, (13/32 x 13/16 x 1/16")

4шт.

36

231-5146

FLANGE NUT,3/8"-16

4шт.

37

614-10025

BOLT,Hex, M10 x 1.5 x 25mm, Cl 8.8

6шт.

38

426-1240

BOLT,Hex, 3/4" - 10 x 2-1/2", Gr 8

10шт.

39

429-1012

NUT,3/4"-10, G8

hex, NC

10шт.

40

392-21075

LOCK WASHER,3/4"

3/4"

10шт.

41

895-11010

WASHER,11mm ID x 20mm OD x 2mm Thk

flat, 11 x 21 x 2 mm

6шт.

Выбрано товаров: 55