Запчасти Case IH 2144 (4-10) - ENGINE HARNESS (06) - ELECTRICAL

Схема запчастей Case IH 2144 - (4-10) - ENGINE HARNESS (06) - ELECTRICAL
1
4
14
1
22
3
9
10
11
8
6
21
18
15
2
12
1
7
17
13
20
16
1
9
5
FIT
1:1
100%

Артикул

Название

Примечание

Количество

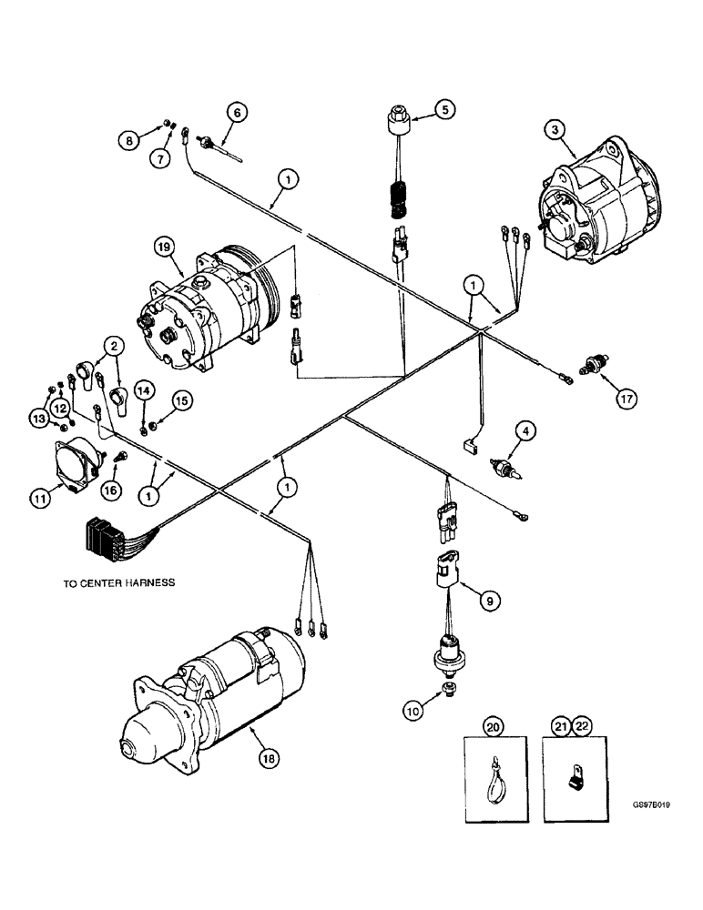
1

184934A1

HARNESS

HARNESS ASSEMBLY - engine to JJC0173150

1шт.

1

242997A1

HARNESS

HARNESS ASSEMBLY - engine, Start Serial: JJC0173150

1шт.

2

399470R1

BOOT

BOOT - cable

2шт.

3

125849A1

ALTERNATOR,12V, 135A, W/ Pulley

ALTERNATOR ASSEMBLY - engine, 135 ampere, parts list Figure 4-58

1шт.

3

125849A1R

REMAN-ALTERNATOR

12 volt 135 ampere

1шт.

3

125849A1C

CORE-ALTERNATOR

Return Part Number

1шт.

3

125849A1GV

ALTERNATOR

Value, 135 ampere

1шт.

4

1345488C2

PRESSURE SWITCH

SWITCH - coolant, high temperature

1шт.

5

1999925C1

INDICATOR

SWITCH - high pressure, air conditioning

1шт.

6

A145513

SENSOR

SENSOR - coolant level

1шт.

7

492-11010

LOCK WASHER,#10

WASHER, LOCK, #10

1шт.

8

225-14210

NUT,#10-32

NUT, #10-32

1шт.

9

1964960C1

PRESSURE SWITCH

SWITCH - engine oil pressure

1шт.

10

217-9

ADAPTER,1/8"-27 Fem NPTF x 1/8"-27 NPTF Male

VALVE - 1/8 inch PT

1шт.

11

178149A1

SOLENOID SWITCH

KIT - solenoid switch, with barrier and cover, parts list Figure 4-2

1шт.

12

492-11031

LOCK WASHER,5/16"

WASHER, LOCK, 5/16"

2шт.

13

425-105

NUT,5/16"-18, G5

NUT - hex, 5/16 inch NC

2шт.

14

492-11010

LOCK WASHER,#10

WASHER, LOCK, #10

1шт.

15

225-14210

NUT,#10-32

NUT, #10-32

1шт.

16

276-1458

SELF-TAP SCREW,Hex Hd, #10 x 1/2"

SCREW - self-tapping, hex head, No. 10 NC x 1/2 inch

2шт.

17

121756C2

SENSOR

SENSOR - coolant temperature

1шт.

18

A187728

STARTING MOTOR

STARTER ASSEMBLY - engine, parts list Fig. 4-60 and 4-62

1шт.

18

AR187728

REMAN-STARTER

Remanufactured Starter

1шт.

18

AC187728

CORE-STARTER

Return Part Number

1шт.

19

1999755C2

COMPRESSOR

COMPRESSOR ASSEMBLY - air conditioning, parts list Fig. 9G-52

1шт.

19

86993462R

REMAN-COMPRESSOR

2144 (1/95-12/97); Reman For New P/N 1999755C2

1шт.

19

86993462C

CORE-COMPRESSOR

Return Part Number

1шт.

19

48017123R

REMAN-A/C COMP KIT

Reman AC Compressor Kit

1шт.

19

48017123C

REMAN-A/C COMP KIT

Return Part Number

1шт.

19

1999755C3R

REMAN-A/C COMPRESSOR

Inc.- 8 Mounting Holes, 2 Groove Pulley, For Use w/ HFC134A Refrigerant

1шт.

19

1999755C3C

CORE-COMPRESSOR

Return Part Number

1шт.

20

22-824

CABLE TIE,3/16" x 7 1/4"

CABLE STRAP STRAP - tie, 7 inch

1шт.

21

515-30222

CLAMP,7/8", 1/2" Bolt

CLAMP, , P-type 7/8", 1/2" Bolt

4шт.

22

1345263C1

CLIP

CLAMP - J-type, 3/4 inch ID

1шт.

Выбрано товаров: 34