Запчасти Case IH 2144 (8-16) - AUXILIARY PUMP RETURN SYSTEM (07) - HYDRAULICS

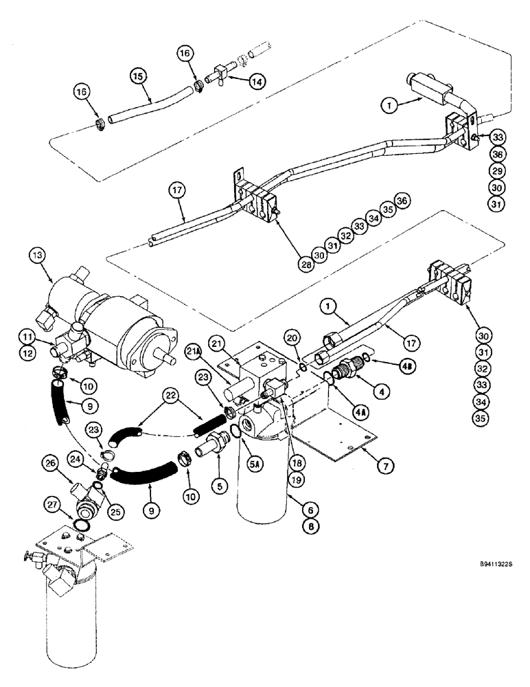
Схема запчастей Case IH 2144 - (8-16) - AUXILIARY PUMP RETURN SYSTEM (07) - HYDRAULICS
17
30
26
28
9
33
27
31
21
13
16
25
38
32
18
1
5a
10
31
4b
33
20
17
15
22
11
1
35
32
4
19
30
23
33
29
4a
24
9
34
8
6
21a
14
30
31
7
12
10
34
16
23
5
FIT
1:1
100%

Артикул

Название

Примечание

Количество

1

124372A1

HYD TUBE

TUBE - manifold, hydraulic return

1шт.

4

201-122

HYD CONNECTOR,1 7/16"-12 ORFS x 1 5/8"-12 ORB

ADAPTER - straight, 1-7/16-12 face seal x 1-5/8-12 inch O-ring boss, Includes: Ref. 4A and 4B

1шт.

4a

237-6020

O-RING,0.118" Thk x 1.475" ID, -920, Cl 6, 90 Duro

20-1, 90 Duro, 1.475" ID x .118" Thk

1шт.

4b

238-6021

O-RING,15/16 X 1 - 1/16, Cl 6

1шт.

5

217-173

FITTING,1" Hose Barb x 1-5/8" - 12 Male ORB

Includes Ref. 5A 1" Hose x 1 5/8"-12 ORB, Beaded

1шт.

5a

237-6020

O-RING,0.118" Thk x 1.475" ID, -920, Cl 6, 90 Duro

20-1, 90 Duro, 1.475" ID x .118" Thk

1шт.

6

87784C92

HYDRAULIC OIL FILTER

FILTER ASSEMBLY - return oil, parts list Fgure 8-6

1шт.

7

124802A2

SUPPORT

BRACKET - mounting, return oil filter

1шт.

8

409-768

BOLT,Hex Flg, 3/8" - 16 x 1/2", Spcl

- hex serrated flange, 3/8 NC x 1/2 inch

3шт.

9

NSS

NOT SOLD SEPARAT

HOSE - 23 inch (585 mm) long, cut from P/N 1541952C1 bulk hose below

1шт.

10

214-3228

HOSE CLAMP,1" - 1-7/8", HD Worm, W/ Liner

CLAMP, HOSE, , Adjustable 1.00/1.875 HD Worm, W/liner

2шт.

11

182813A1

TEE

- special, 1-1/4 x 1 x 1 inch beaded tube, Includes: Ref. 12

1шт.

12

237-6020

O-RING,0.118" Thk x 1.475" ID, -920, Cl 6, 90 Duro

20-1, 90 Duro, 1.475" ID x .118" Thk

1шт.

13

123266A2

PUMP, HYDRAULIC

PUMP ASSEMBLY - auxiliary, tandem, parts list figure 8-18

1шт.

14

177975A1

TEE

- special, 5/8 x 3/8 x 5/8 inch beaded tube

1шт.

15

NSS

NOT SOLD SEPARAT

HOSE - return to tube, 9-7/8 inch (250 mm) long, cut from P/N S118576X bulk hose below

1шт.

16

214-1412

HOSE CLAMP,#12, 0.69" - 1.25", Type F Worm

CLAMP, HOSE, #12, 0.69/1.25 Type F Worm

2шт.

17

141658A1

HYD TUBE,0.625 mm OD, 2187, 193 mm Length

TUBE - return, low pressure

1шт.

18

141657A1

TEE

- special, return tube at regulator valve, Includes: Ref. 19 and 20

1шт.

19

237-6008

O-RING,0.087" Thk x 0.644" ID, -908, Cl 6, 90 Duro

8-1, 90 Duro, .644" ID x .087" Thk

1шт.

20

238-6016

O-RING,0.07" Thk x 0.614" ID, -16, Cl 6, 90 Duro

1шт.

21

REF

INSTRUCTION

VALVE ASSEMBLY - pressure regulator, Includes: Ref. 21A, see Figure 8-36 for correct assembly

1шт.

21a

222894A1

VALVE POPPET

VALVE ASSEMBLY - pressure reducing (Replaces valve assembly 190708A1), Includes: Ref. 21B

1шт.

21b

190709A1

SEAL KIT

KIT - seal repair, valve cartridge, not shown

1шт.

22

NSS

NOT SOLD SEPARAT

HOSE - return to charge pump filter, 18-1/8 inch (460 mm) long, cut from S118576X bulk hose below

1шт.

23

214-1412

HOSE CLAMP,#12, 0.69" - 1.25", Type F Worm

CLAMP, HOSE, #12, 0.69/1.25 Type F Worm

2шт.

24

217-395

FITTING,5/8" Hose Barb x 3/4" - 16 Male ORB

ADAPTER - straight, 5/8 stem end x 3/4-16 inch adjustable O-ring, Includes: Ref. 25

1шт.

25

237-6008

O-RING,0.087" Thk x 0.644" ID, -908, Cl 6, 90 Duro

8-1, 90 Duro, .644" ID x .087" Thk

1шт.

26

123522A1

FITTING

TEE - special, suction, charge pump filter. Includes: Ref. 27

1шт.

27

237-6020

O-RING,0.118" Thk x 1.475" ID, -920, Cl 6, 90 Duro

20-1, 90 Duro, 1.475" ID x .118" Thk

1шт.

28

124575A1

SUPPORT

- tube clamp

2шт.

29

118577A1

CLAMP

- matched set for 1 and 1/2 inch diameter tubes

3шт.

30

124668A1

CLAMP

- matched set for 3/4 and 5/8 inch diameter tubes

3шт.

31

124666A1

CLAMP

- matched set for 3/4 and 1/4 inch diameter tubes, if used

2шт.

32

1347127C1

PLATE

- clamp, tube

4шт.

33

413-588

BOLT,Hex, 5/16" - 18 x 5-1/2", Gr 5

- hex, 5/16 NC x 5-1/2 inch

2шт.

34

231-5315

FLANGE NUT,Flg, 5/16"-18

NUT, LOCK, Flg, 5/16"-18

2шт.

35

413-564

BOLT,Hex, 5/16" - 18 x 4", Gr 5

- hex, 5/16 NC x 4 inch

1шт.

36

231-5315

FLANGE NUT,Flg, 5/16"-18

NUT, LOCK, Flg, 5/16"-18

1шт.

1541952C1

HOSE,25.4mm ID x 7620mm L

- bulk, 1 (25) ID x 300 inch (7620 mm) long

1шт.

S118576X

LARGE HOSE,15.88mm ID x 7620mm L

HOSE - bulk, 5/8 (16) ID x 300 inch (7620 mm) long

1шт.

Выбрано товаров: 41