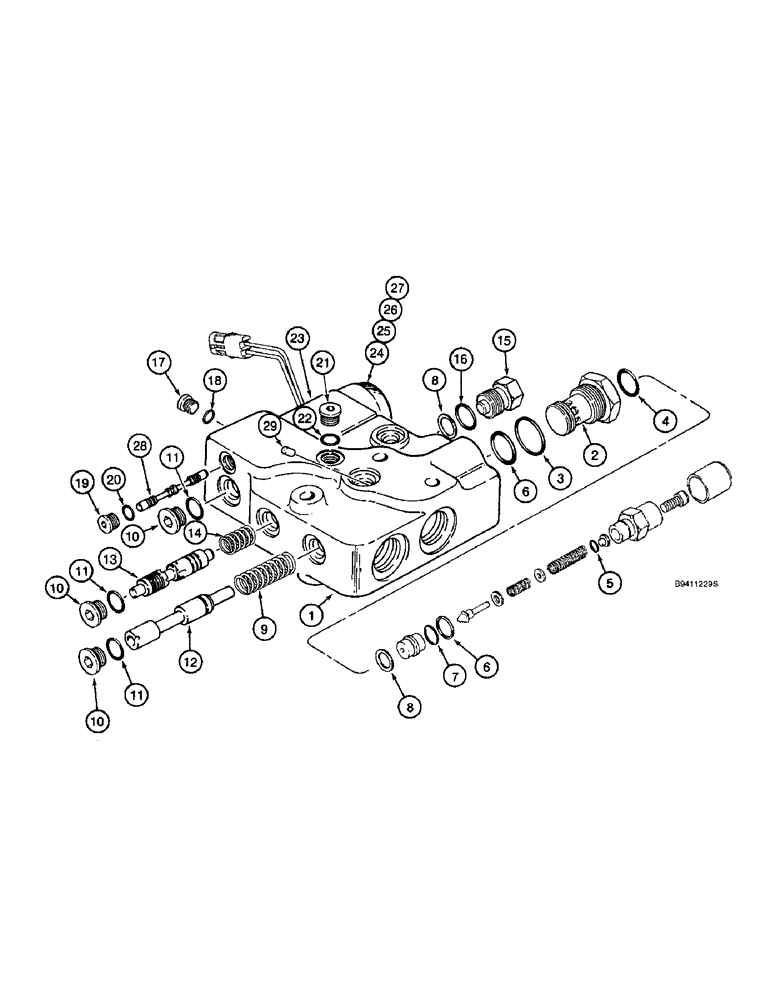
Запчасти Case IH 2144 (8-40) - REEL DRIVE VALVE ASSEMBLY (07) - HYDRAULICS

Схема запчастей Case IH 2144 - (8-40) - REEL DRIVE VALVE ASSEMBLY (07) - HYDRAULICS
10
16
14
10
22
2
11
8
1
6
23
11
15
8
6
9
27
25
11
17
4
5
13
10
21
7
29
26
12
19
24
3
28
18
20
FIT
1:1
100%

Артикул

Название

Примечание

Количество

114856A1

VALVE

ASSEMBLY - reel drive, Includes: Ref. 1 - 29

1шт.

1

NSS

NOT SOLD SEPARAT

BODY - valve, order valve assembly 114856A1

1шт.

190702A1

VALVE PRESSURE RELIE

VALVE ASSEMBLY - relief, cartridge, Includes: Ref. 2 - 7

1шт.

2

NSS

NOT SOLD SEPARAT

VALVE - relief, cartridge, order valve assembly 190702A1

1шт.

3

237-6010

O-RING,0.097" Thk x 0.755" ID, -910, Cl 6, 90 Duro

10-1, 90 Duro, .755" ID x .097" Thk

1шт.

4

237-6004

O-RING,0.072" Thk x 0.351" ID, -904, Cl 6, 90 Duro

4-1, 90 Duro, .351" ID x .072" Thk

1шт.

5

238-5004

O-RING,0.07" Thk x 0.07" ID, -4, Cl 5, 75 Duro

-004, 70 Duro, .07" ID x .070" Thk

1шт.

6

A34493

RING,16.33mm ID x 19.02mm OD x 1.25mm Thk

- backup

1шт.

7

238-5016

O-RING,0.07" Thk x 0.614" ID, -16, Cl 5, 75 Duro

-016, 70 Duro, .614" ID x .070" Thk

1шт.

8

190696A1

SHIM KIT

KIT - shim

2шт.

9

190695A1

SPRING

- pressure regulating

1шт.

10

71100209

PLUG,Hex Soc, 3/4"-16 ORB

Incl Ref 11 Hex Soc, 3/4"-16 ORB

3шт.

11

237-6008

O-RING,0.087" Thk x 0.644" ID, -908, Cl 6, 90 Duro

8-1, 90 Duro, .644" ID x .087" Thk

1шт.

12

190697A1

SPOOL

- pressure regulating

1шт.

13

190698A1

SPOOL

- flow metering

1шт.

14

190699A1

SPRING

- flow metering

1шт.

15

188110A1

PLUG

- spool, Includes: Ref. 15

1шт.

16

237-6010

O-RING,0.097" Thk x 0.755" ID, -910, Cl 6, 90 Duro

10-1, 90 Duro, .755" ID x .097" Thk

1шт.

17

278548

PLUG,Hex, 7/16"-20 ORB

Incl Ref 18 Hex Soc, 7/16"-20 ORB

3шт.

18

237-6004

O-RING,0.072" Thk x 0.351" ID, -904, Cl 6, 90 Duro

4-1, 90 Duro, .351" ID x .072" Thk

1шт.

19

86632547

PLUG,Hex, 5/16"-24 ORB

Includes Ref. 20 Hex Soc, 5/16"-24 ORB

4шт.

20

237-6002

O-RING,0.064" Thk x 0.239" ID, -902, Cl 6, 90 Duro

2-1, .239" ID x .064" Thk

1шт.

21

9625178

PLUG,9/16" - 18 ORB

Incl. Ref. 22 Hex Soc, 9/16"-18 ORB

1шт.

23

190700A1

SOLENOID

- without diode, 12 volt, DC

1шт.

24

188106A1

NUT

- special, solenoid coil retaining

1шт.

25

188117A1

CARTRIDGE,72.25mm OAL

CORE - solenoid

1шт.

26

238-5017

O-RING,0.07" Thk x 0.676" ID, -17, Cl 5, 75 Duro

-017, 70 Duro, .676" ID x .070" Thk

1шт.

27

188116A1

PIN,3.25mm OD x 39.93mm L

- solenoid actuating

1шт.

28

188104A1

SPOOL

- pilot

1шт.

29

190694A1

PLUG

- orifice

1шт.

22

237-6006

O-RING,0.078" Thk x 0.468" ID, -906, Cl 6, 90 Duro

6-1, 90 Duro, .468" ID x .078" Thk

1шт.

Выбрано товаров: 31