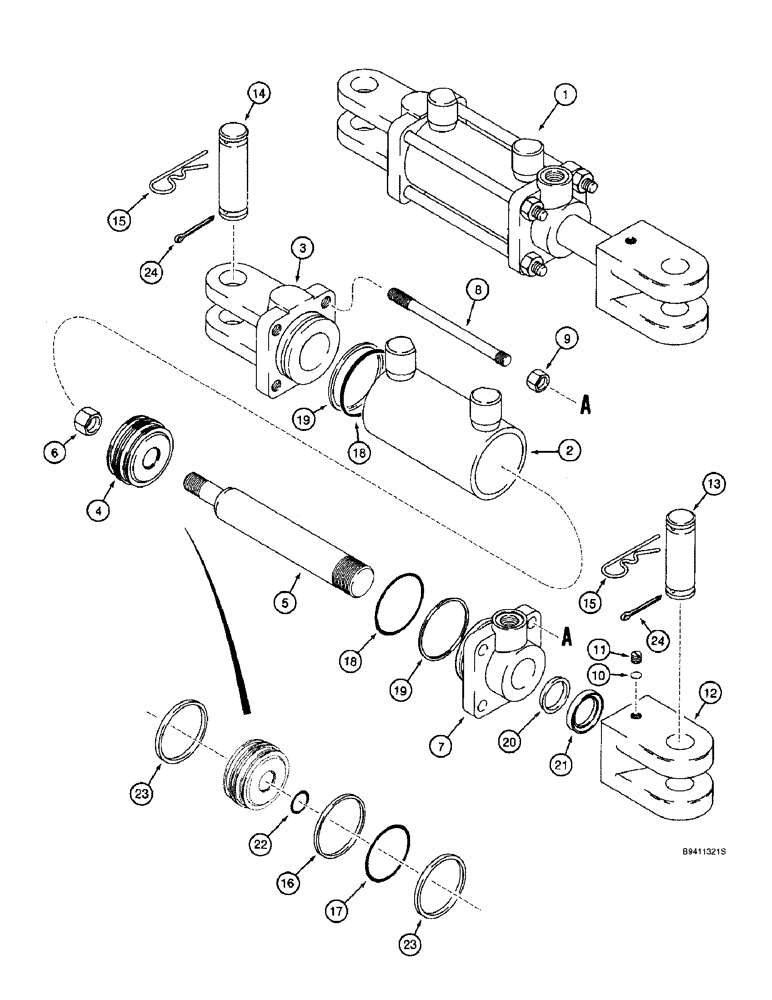
Запчасти Case IH 2144 (8-60) - FIELD TRACKER TILT CYLINDER ASSEMBLY, 100267A1 (07) - HYDRAULICS

Схема запчастей Case IH 2144 - (8-60) - FIELD TRACKER TILT CYLINDER ASSEMBLY, 100267A1 (07) - HYDRAULICS
19
24
14
2
9
5
12
1
21
20
23
17
15
18
16
18
11
19
4
15
10
22
7
23
6
24
8
13
3
FIT
1:1
100%

Артикул

Название

Примечание

Количество

1

100267A1

CYLINDER

ASSEMBLY - field tracker tilt, 2-1/2 (64) ID x 3-1/2 inch (89 mm) stroke, Includes: Ref. 2 - 23

1шт.

87424022R

REMAN-HYD CYLINDER

2144 (1/95-12/97), Reman For New P/N: 100267A1

1шт.

87424022C

CORE-HYD CYLINDER

Return Number

1шт.

2

NSS

NOT SOLD SEPARAT

TUBE - cylinder, order cylinder assembly 100267A1

1шт.

3

107855A1

JACK HEAD

HEAD - cylinder, rear

1шт.

87424022R

REMAN-HYD CYLINDER

2144 (1/95-12/97), Reman For New P/N: 100267A1

1шт.

87424022C

CORE-HYD CYLINDER

Return Number

1шт.

4

107856A1

JACK PISTON

PISTON - cylinder

1шт.

5

107857A1

PISTON ROD

ROD - piston

1шт.

87424022R

REMAN-HYD CYLINDER

2144 (1/95-12/97), Reman For New P/N: 107855A1

1шт.

87424022C

CORE-HYD CYLINDER

Return Number

1шт.

6

232-46112

LOCK NUT,3/4"-16, GC

NUT, LOCK, 3/4"-16, GC

1шт.

7

107858A1

JACK HEAD

HEAD - cylinder, front

1шт.

8

107859A1

BOLT

ROD - tie, 7/16 NC x 7-3/4 inch

4шт.

9

425-107

NUT,7/16"-14, G5

- hex, 7/16 inch NC

4шт.

10

145453C1

PLUG,Lock, 7.938mm Dia x 3.175mm Thk, Nylon

PAD - insert, piston rod end

1шт.

11

483-1386

SET SCREW,Hex Soc, 3/8"-16 x 3/8"

SCREW - set, hex socket headless, 3/8 NC x 3/8 inch, cup point

1шт.

12

107860A1

RAM FORK

CLEVIS - rod

1шт.

87424022R

REMAN-HYD CYLINDER

2144 (1/95-12/97), Reman For New P/N: 107857A1

1шт.

87424022C

CORE-HYD CYLINDER

Return Number

1шт.

13

1266753C1

PIN,25.4mm OD x 96.83mm L

- pivot, cylinder rod end

1шт.

14

1266752C1

PIN,25.4mm OD x 88.11mm L

- pivot, cylinder base end

1шт.

15

1978738C1

HAIR PIN COTTER

3/16"

2шт.

16

NSS

NOT SOLD SEPARAT

SEAL - piston, order kit 100266A1

1шт.

Part of P/N 100266A1 Cylinder Repair Seal Kit

1шт.

17

NSS

NOT SOLD SEPARAT

O-RING - seal, order kit 100266A1

1шт.

Part of P/N 100266A1 Cylinder Repair Seal Kit

1шт.

18

NSS

NOT SOLD SEPARAT

O-RING - seal, order kit 100266A1

2шт.

Part of P/N 100266A1 Cylinder Repair Seal Kit

1шт.

19

NSS

NOT SOLD SEPARAT

RING - backup, order kit 100266A1

2шт.

Part of P/N 100266A1 Cylinder Repair Seal Kit

1шт.

20

NSS

NOT SOLD SEPARAT

SEAL - U-cup, order kit 100266A1

1шт.

Part of P/N 100266A1 Cylinder Repair Seal Kit

1шт.

21

NSS

NOT SOLD SEPARAT

SEAL - wiper, order kit 100266A1

1шт.

Part of P/N 100266A1 Cylinder Repair Seal Kit

1шт.

22

NSS

NOT SOLD SEPARAT

O-RING - seal, order kit 100266A1

1шт.

Part of P/N 100266A1 Cylinder Repair Seal Kit

1шт.

23

NSS

NOT SOLD SEPARAT

RING - wear, order kit 100266A1

2шт.

Part of P/N 100266A1 Cylinder Repair Seal Kit

1шт.

24

432-1224

COTTER PIN,3/16" x 1-1/2"

3/16" x 1 1/2"

2шт.

100266A1

SEAL KIT

KIT seal, cylinder repair, Includes Ref. 16 - 23

1шт.

Выбрано товаров: 41