Запчасти Case IH 2144 (9G-16) - CAB, RIGHT HAND CONSOLE (10) - CAB & AIR CONDITIONING

Схема запчастей Case IH 2144 - (9G-16) - CAB, RIGHT HAND CONSOLE (10) - CAB & AIR CONDITIONING
11
14
18
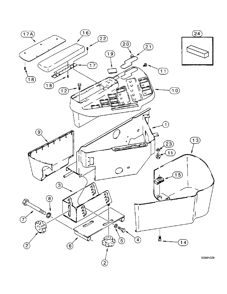
1
5
4
15
20
24
16
3
22
2
18
19
21
12
2
6
17a
11
10
8
7
17
13
23
9
FIT
1:1
100%

Артикул

Название

Примечание

Количество

1

117580A4

FRAME

- console

1шт.

2

118781A1

KNOB

- console adjustment

3шт.

3

117107A2

SUPPORT

SLIDE - console

1шт.

4

814-8035

BOLT,Hex, M8 x 1.25 x 35mm, Cl 8.8

- hex, 8 - 1.25 x 35 mm

4шт.

5

895-15008

WASHER,9mm ID x 20mm OD x 1.6mm Thk

- flat, 9 x 21 x 1.6 mm

4шт.

6

128349A2

SUPPORT

- lower

1шт.

7

828-16120

BOLT,Hex, M16 x 2 x 120mm, Cl 10.9

- hex, 16 - 2.0 x 120 mm, class 10.9

2шт.

8

892-11016

LOCK WASHER,16.4mm ID x 27.4mm OD x 5mm Thk

WASHER - lock, 16 mm

2шт.

9

130412A1

COVER

- console, rear

1шт.

10

144114A1

BRACKET

COVER - console, includes decals, upper

1шт.

11

841-4410

SCREW,HWH, M4 x 10mm, Cl 4.8

- machine, hex washer head, 4 - 0.7 x 10 mm, class 4.8

2шт.

12

614-6030

BOLT,Hex, M6 x 1 x 30mm, Cl 8.8, Full Thd

1шт.

13

118321A1

SKIRT

COVER - console, front

1шт.

14

440-1106

SCREW,Cross Pan Hd, #10-24 x 3/8"

4шт.

15

131-861

SPRING NUT,Tinn, U, #10-24

4шт.

128970A3

ARMREST

SUPPORT ASSEMBLY - arm, Includes: Ref. 16 - 18

1шт.

16

NSS

NOT SOLD SEPARAT

SUPPORT - arm, order support assembly 128970A3

1шт.

17

128849A2

HINGE

- arm support

1шт.

17a

185546A1

PLATE

- arm support

1шт.

18

185544A1

SCREW

- special, black, self-locking (Replaces machine screw 840-1410)

5шт.

19

245918C1

LENS

PLUG - rectangular, rocker switch opening

1шт.

20

353-402

PLUG,Dome, .375" hole, Nylon

Switch opening (Replaces 353-42) Dome, .375" hole, Nylon

1шт.

21

128833A1

GUIDE

- propulsion control lever

1шт.

22

840-1410

SCREW,Pan, M4 x 10mm, Cl 4.8

2шт.

24

251495A1

FOAM

SPACER - foam, bottom of operator's manual compartment

1шт.

23

493-81000

LOCK WASHER,Ext-Int Tooth, #10

WASHER, LOCK, (3/16") Ext-Int Tooth, #10

2шт.

Выбрано товаров: 0