Запчасти Case IH 2144 (9A-38) - FEEDER, COVERS (13) - FEEDER

Схема запчастей Case IH 2144 - (9A-38) - FEEDER, COVERS (13) - FEEDER
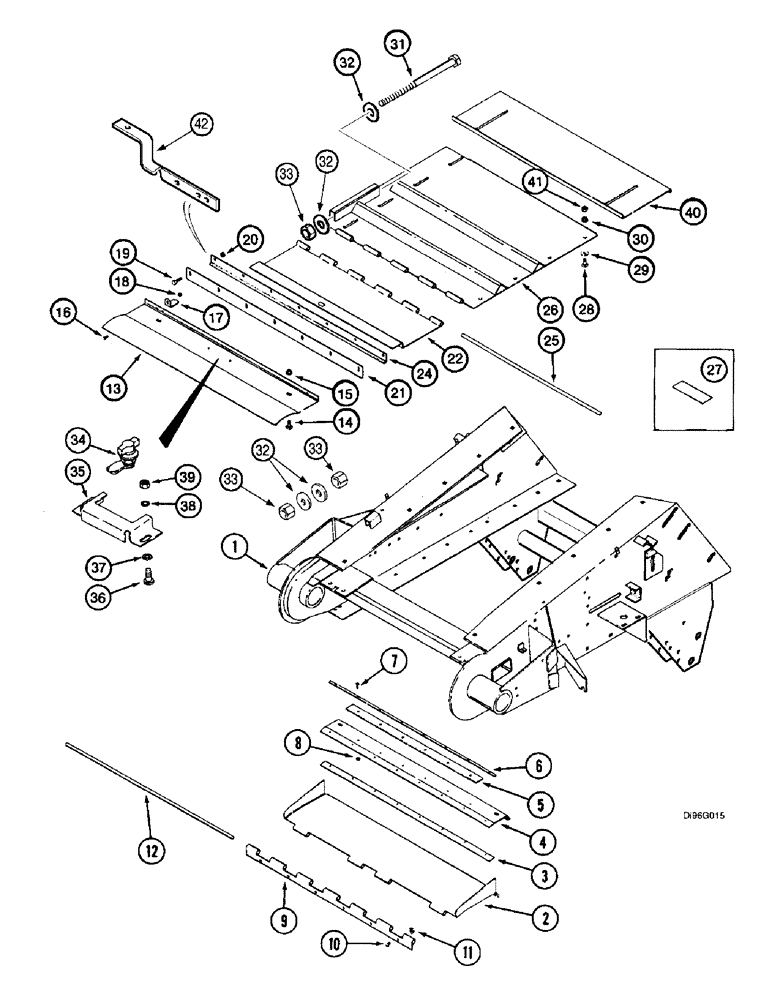
11
14
39
17
2
13
10
15
27
1
22
36
37
29
34
33
16
30
9
3
32
24
40
42
19
20
38
32
41
18
33
25
26
4
8
31
35
33
6
32
12
7
28
5
21
FIT
1:1
100%

Артикул

Название

Примечание

Количество

1

REF

INSTRUCTION

HOUSING - feeder, see Figure 9A-32 for correct assembly

1шт.

2

242744A1

DOOR

- lower, replaces 193362C2 door

1шт.

239254A1

SEAL

ASSEMBLY - feeder bottom, no longer available as an assembly, order components, Includes: Ref. 3 - 4

1шт.

3

1319963C1

SEAL

SEAL - feeder bottom suport

1шт.

3a

151-559

RIVET,Pop, 4.75mm OD x 12.7mm L

Break mandrel, Not shown Pop, 3/16" x .700"

8-10шт.

4

1319961C1

SUPPORT

- bottom, feeder

1шт.

5

1319965C1

BAR

- spacer, support, if used

1шт.

6

197429C1

SEALING STRIP

SEAL - door

1шт.

7

443-11012

SCREW,Cross Flat Hd, #10-24 x 3/4"

- machine, flat Phillips, No. 10 NC x 3/4 inch

6шт.

8

196922C1

LOCK NUT

- hex, self-locking, No. 10

6шт.

9

193364C2

HINGE

- door

1шт.

10

477-73812

SERRATED SCREW,Truss HD, 3/8" - 16 x 3/4"

BOLT - serrated slotted truss head, 3/8 NC x 3/4 inch

6шт.

11

231-5146

FLANGE NUT,3/8"-16

6шт.

12

159012C1

ROD

- hinge

1шт.

13

131035A1

COVER

- upper

1шт.

14

434-816

CARRIAGE BOLT,Sht Sq Nk, 1/2" - 13 x 1", Gr 5

BOLT - carriage, 1/2 NC x 1 inch

2шт.

15

186852C1

FLANGE NUT,Hex, 1/2"-13, Lock

- hex flange, self-locking, special, 1/2 inch NC, grade 8

2шт.

16

413-48

BOLT,Hex, 1/4" - 20 x 1/2", Gr 5

- hex, 1/4 NC x 1/2 inch

2шт.

17

1322144C1

ANGLE

- door stop

2шт.

18

231-5144

SERRATED NUT,Flg, USR, 1/4"-20

2шт.

19

409-7616

BOLT,Hex Flg, 3/8" - 16 x 1", Spcl

4шт.

20

231-5146

FLANGE NUT,3/8"-16

4шт.

21

634204R2

SEAL,55mm W x 942.8mm L

SEAL - feeder

1шт.

22

138252A1

FLAP

DOOR - feeder, upper

1шт.

24

197418C1

SUPPORT

ANGLE - seal support

1шт.

25

175906C1

ROD

- hinge

1шт.

26

186355A1

SHEET

PANEL - hinged, upper, 60 inch feeder, includes anti-skid pad

1шт.

26

186354A1

SHEET

PANEL - hinged, upper, 54-1/2 inch feeder, includes anti-skid pad, Includes: Ref. 27

1шт.

27

D80270

ANTI-SKID STRIP,635mm / 25 Inch

STRIP, ANTI-SKID

1шт.

28

415-824

CARRIAGE BOLT,Sht Sq Nk, 1/2" - 13 x 1 1/2", Gr 8

BOLT - carriage, 1/2 NC x 1-1/2 inch, grade 8

8шт.

29

195-81030

WASHER

- flat, 17/32 x 1-1/2 x 3/16 inch

8-10шт.

30

186852C1

FLANGE NUT,Hex, 1/2"-13, Lock

- hex flange, self-locking, special, 1/2 inch NC, grade 8

8шт.

31

1321504C1

SCREW,440mm L, W/ 3/4" - 10 Nut

ROD - adjusting, includes nut, replaces 1321395C1 bolt

1шт.

32

396-31081

WASHER,20.63mm ID x 38.1mm OD x 5.56mm Thk

4шт.

33

425-1012

NUT,3/4"-10, G5

3шт.

34

138699A1

LOCK

LATCH - door

1шт.

35

130658A1

SUPPORT

- latch

1шт.

36

477-73812

SERRATED SCREW,Truss HD, 3/8" - 16 x 3/4"

BOLT - serrated slotted truss head, 3/8 NC x 3/4 inch

2шт.

37

495-11041

WASHER,0.406" ID x 0.812" OD x 0.065" W

(Flat, 13/32 x 13/16 x 1/16") 3/8", SAE

2шт.

38

492-11038

LOCK WASHER,3/8"

2шт.

39

425-106

NUT,3/8"-16, Cl 5

2шт.

40

1321638C1

COVER

- upper front

1шт.

41

425-148

JAM NUT,Jam, 1/2"-13, G5

- hex, jam, 1/2 inch NC

8шт.

42

139045A1

SUPPORT

- feeder hoses

1шт.

252274A1

PACKAGE

KIT - feeder, long wear, Includes: Ref. 2, and 9 - 12

1шт.

Выбрано товаров: 45