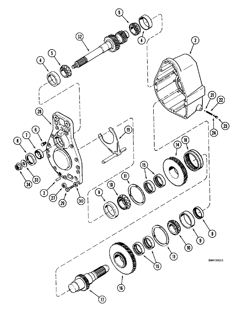
Запчасти Case IH 2144 (9B-08) - ROTOR DRIVE, GEAR HOUSING (14) - ROTOR, CONCANVES & SIEVE

Схема запчастей Case IH 2144 - (9B-08) - ROTOR DRIVE, GEAR HOUSING (14) - ROTOR, CONCANVES & SIEVE
19
11
15
15
29
9
4
4
34
27
33
17
6
18
2
24
10
8
21
11
10
32
23
22
14
7
9
5
30
28
16
8
3
5
FIT
1:1
100%

Артикул

Название

Примечание

Количество

1315340C4

HOUSING

ASSEMBLY - gear, rotor drive, Includes: Refl 2 and 3

1шт.

1315340C4R

REMAN-ROTOR DRIVE

REMAN - Rotor Drive 2 speed

1шт.

2

194064C91

HOUSING ASSY.

HOUSING ASSEMBLY - rotor gear, Includes: Ref. 3

1шт.

3

37-1820

DOWEL,1/2" x 1 1/4"

PIN - dowel, 1/2 x 1-1/4 inch, hardened

2шт.

4

ST863

BEARING CUP,93.22mm OD x 23.81mm W

CUP - tapered roller bearing

2шт.

5

ST783A

TAPERED BEARING,2" ID x 3.6718" OD x 1.1875"

BEARING - tapered roller

2шт.

6

152127H1

BREATHER,1/8"-27, Short

- housing (Replaces breather 1338222C1)

1шт.

7

194047C1

BUSHING,49.16mm ID x 63.5mm OD x 21.02mm L

- input shaft

1шт.

8

194051C1

SEAL,63.42mm ID x 82.8mm OD x 11mm Thk

- oil

2шт.

9

22396V

BEARING, CUP,112.739mm OD x 30.37mm W

CUP - tapered roller bearing

2шт.

10

13367DC

ROLLER BEARING

BEARING - tapered roller

2шт.

11

194057C1

THRUST WASHER,127mm ID x 152.4mm OD x 1.6mm Thk

WASHER - thrust

2шт.

14

193828C1

PINION

GEAR - driven, 47 teeth

1шт.

15

619085C91

BEARING, NEEDLE,Needle, 76.19mm ID x 89.04mm OD x 19.05mm W

BEARING - needle

4шт.

16

193824C1

GEAR

GEAR - driven, 58 teeth

1шт.

17

194059C1

SHAFT

- rotor drive output

1шт.

18

194069C1

COLLAR

- shift

1шт.

19

100400A1

SHIFTER FORK

FORK - shift

1шт.

21

211-1014

BALL,7/16" Dia

- chrome alloy steel, 7/16 inch, grade 24

1шт.

22

107234C1

SPRING

- compression

1шт.

23

129998

PLUG,1/2" - 20 ORB

Incl. Ref. 24 Hex Hd, 1/2"-20 ORB

1шт.

27

G10450

OIL SEAL,19.05mm ID x 31.85mm OD x 6.35mm Thk

- oil, shift rail

1шт.

28

194039C3

COVER

- rotor gear housing

1шт.

29

413-832

BOLT,Hex, 1/2" - 13 x 2", Gr 5

11шт.

30

495-11053

WASHER,1/2", SAE

(17/32" x 1-1/16" x 3/32") 1/2", SAE

1шт.

32

1957654C1

SHAFT

- input, rotor drive

1шт.

33

370255R2

WASHER,22.63mm ID x 47.75mm OD x 4.18mm Thk

- flat, 57/64 x 1-7/8 x 7/32 inch, hardened

1шт.

34

1315288C1

FLANGE NUT

- hex, self-locking, special, 7/8 inch NC

1шт.

24

237-6005

O-RING,0.072" Thk x 0.414" ID, -905, Cl 6, 90 Duro

5-1, 90 Duro, .414" ID x .072" Thk

1шт.

Выбрано товаров: 29