Запчасти Case IH 2144 (9B-30) - CONCAVES, CONTROL (14) - ROTOR, CONCANVES & SIEVE

Схема запчастей Case IH 2144 - (9B-30) - CONCAVES, CONTROL (14) - ROTOR, CONCANVES & SIEVE
2
3
11
34
16
34
32
8
27
36
6
26
35
28
35
20
11
7
1
10
22
30
29
36
24
32
31
15
18
25
21
19
14
12
5
4
23
31
17
13
9
FIT
1:1
100%

Артикул

Название

Примечание

Количество

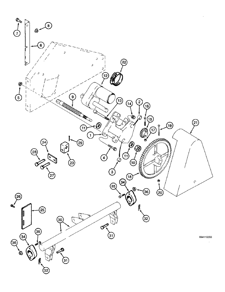
1

142607A2

HOUSING

ASSEMBLY - concave control, Includes: Ref. 2 and 3

1шт.

2

551068R1

BUSHING,22.28mm ID x 25.43mm OD x 22.23mm L

- concave control housing

2шт.

3

568921R1

BUSHING,15.9mm ID x 19.02mm OD x 22.23mm L

- concave control housing

1шт.

4

409-7620

BOLT,Hex Flg, 3/8" - 16 x 1 1/4", Spcl

- hex serrated flange, 3/8 NC x 1-1/4 inch

4шт.

5

231-5146

FLANGE NUT,3/8"-16

4шт.

6

185779A1

ANGLE BAR

ANGLE - housing support

1шт.

7

409-7616

BOLT,Hex Flg, 3/8" - 16 x 1", Spcl

1шт.

8

231-5146

FLANGE NUT,3/8"-16

1шт.

9

131436A2

SHAFT

- concave control, electric

1шт.

10

231-41110

LOCK NUT,5/8"-11, GB

NUT - hex, self-locking, 5/8 inch NC

1шт.

11

396-11066

WASHER,0.66" ID x 1.31" OD x 0.1" Thk

- flat, 21/32 x 1-5/16 x 3/32 inch, hardened

2шт.

12

143239A2

MOTOR, ELECTRIC

MOTOR - concave control

1шт.

12

143239A2R

REMAN-ELECTRIC MOTOR

2144

1шт.

12

143239A2C

CORE-ELECTRIC MOTOR

Return Number

1шт.

13

413-880

BOLT,Hex, 1/2" - 13 x 5", Gr 5

- hex, 1/2 NC x 5 inch

1шт.

14

231-1448

NUT,1/2"-13, GB

- hex, self-locking, 1/2 inch NC

1шт.

15

135406A2

GEAR

- driver, 20 teeth

1шт.

16

413-428

BOLT,Hex, 1/4" - 20 x 1-3/4", Gr 5

- hex, 1/4 NC x 1-3/4 inch

1шт.

17

230-4214

LOCK NUT,1/4"-20, GA

NUT - hex, self-locking, 1/4 inch NC

1шт.

18

135410A2

GEAR

- driven, 70 teeth

1шт.

19

413-436

BOLT,Hex, 1/4" - 20 x 2-1/4", Gr 5

1шт.

20

230-4214

LOCK NUT,1/4"-20, GA

NUT - hex, self-locking, 1/4 inch NC

1шт.

21

144528A1

SHIELD

- concave control

1шт.

22

214-1540

HOSE CLAMP,#40, 2.06" - 3", Type F Worm, W/ Liner

CLAMP - adjustable, 2-1/16 - 3 inch diameter

1шт.

23

192886C1

NUT

- adjusting, special, concave control

1шт.

24

192888C1

PLATE

BAR - concave control, upper

2шт.

25

188168C1

PLATE

BAR - concave indicator

1шт.

26

276-1458

SELF-TAP SCREW,Hex Hd, #10 x 1/2"

SCREW - self-tapping, hex head, No. 10 NC x 1/2 inch

2шт.

27

439-1848

HEADED PIN,1/2" x 3"

PIN - headed, 1/2 x 3 inch, grade 2

1шт.

28

439-1838

HEADED PIN,1/2" x 2 3/8"

PIN - headed, 1/2 x 2-3/8 inch, grade 2

1шт.

29

432-1216

COTTER PIN,3/16" x 1"

2шт.

30

191423C2

LEVER ASSY.

LEVER - concave control

1шт.

31

439-1823

HEADED PIN,12.7mm OD x 22.23mm L

PIN - headed, 1/2 x 1-7/16 inch, grade 2

2шт.

32

586591R1

COTTER PIN

PIN - cotter, hair, 1/8 inch

2шт.

34

192890C2

HUB

- concave control shaft

2шт.

35

413-824

BOLT,Hex, 1/2" - 13 x 1-1/2", Gr 5

4шт.

36

231-5148

FLANGE NUT,Flg, USR, 1/2"-13

4шт.

Выбрано товаров: 37