Запчасти Case IH 2144 (2-29C) - WASTEGATE ACTUATOR, 6TA-590 EMISSIONS CERTIFIED ENGINE, COMBINE S/N JJC173150 AND AFTER (01) - ENGINE

Схема запчастей Case IH 2144 - (2-29C) - WASTEGATE ACTUATOR, 6TA-590 EMISSIONS CERTIFIED ENGINE, COMBINE S/N JJC173150 AND AFTER (01) - ENGINE
9
1
10
4
12
6
5
8
3
7
6
11
2
7
FIT
1:1
100%

Артикул

Название

Примечание

Количество

J802695

TURBOCHARGER

ASSEMBLY - engine, new (Replaces turbocharger assembly J536319) Includes: Ref. 1 - 14 and parts list Fig. 2-29A

1шт.

JR802695

REMAN-TURBOCHARGER

Remanufactured Turbocharger

1шт.

JC536319

CORE-TURBOCHARGER

Return Part Number

1шт.

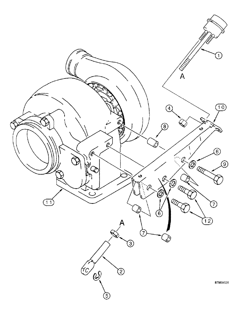
1

J535861

VALVE

ACTUATOR - turbo wastegate

1шт.

2

J528177

LINK

- adjusting

1шт.

3

425-155

JAM NUT,Jam, 5/16"-24, G5

- hex jam, 5/16 inch NF

1шт.

4

J528204

LOCK NUT

- lock

2шт.

5

J528221

CIRCLIP

RING - retaining

1шт.

NSS

NOT SOLD SEPARAT

HOUSING ASSEMBLY - turbine and actuator bracket, order turbocharger assembly J802695

1шт.

6

895-11008

WASHER,9mm ID x 16mm OD x 1.6mm Thk

- flat, 9 x 17 x 1.6 mm

3шт.

7

J532195

SPACER,9.38mm ID x 16.03mm OD x 13.7mm L

- mounting, short, 13,6 mm

3шт.

8

J532196

SPACER,9.38mm ID x 16.03mm OD x 19mm L

- mounting, long, 19 mm

1шт.

9

814-8055

BOLT,Hex, M8 x 1.25 x 55mm, Cl 8.8

- hex, 8 - 1.25 x 55 mm

1шт.

10

J533328

SUPPORT

BRACKET - wastegate actuator

1шт.

11

NSS

NOT SOLD SEPARAT

HOUSING - turbine

1шт.

12

814-8035

BOLT,Hex, M8 x 1.25 x 35mm, Cl 8.8

- hex, 8 - 1.25 x 35 mm

2шт.

13

J709861

GASKET

- turbocharger mounting, not shown

1шт.

14

J519807

GASKET

- turbo oil drain tube, not shown

1шт.

Выбрано товаров: 18