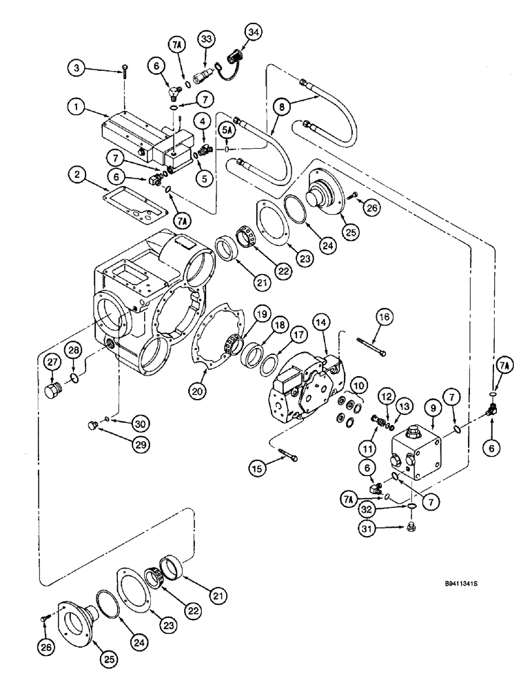
Запчасти Case IH 2166 (6-40) - HYDROSTATIC MOTOR ASSEMBLY, TWO SPEED, CORN, GRAIN OR RICE, PRIOR TO COMBINE P.I.N. JJC0182025 (03) - POWER TRAIN

Схема запчастей Case IH 2166 - (6-40) - HYDROSTATIC MOTOR ASSEMBLY, TWO SPEED, CORN, GRAIN OR RICE, PRIOR TO COMBINE P.I.N. JJC0182025 (03) - POWER TRAIN
7a
31
28
6
20
25
7a
16
6
7
2
26
4
19
17
7a
6
21
25
13
34
3
5
26
11
33
7
8
7
18
5a
1
23
30
27
6
10
29
22
7
24
9
21
32
7a
12
15
23
14
24
22
FIT
1:1
100%

Артикул

Название

Примечание

Количество

127935A2

HYDROSTATIC MOTOR

MOTOR ASSEMBLY - hydrostatic, parts list Figures 6-36 - 6-44, Includes: Ref. 1 - 34

1шт.

1

192494A1

VALVE

ASSEMBLY - motor control, parts list Figure 6-42

1шт.

2

145337C1

GASKET

- control valve

1шт.

3

413-528

BOLT,Hex, 5/16" - 18 x 1-3/4", Gr 5

6шт.

4

201-331

ELBOW,45 Degree, 9/16"-18 x 7/16"-20. Adj, ORFS

45°, 9/16"-18 x 7/16"-20. Adj, ORFS, Includes Ref. 5 and 5A

1шт.

5

237-6004

O-RING,0.072" Thk x 0.351" ID, -904, Cl 6, 90 Duro

4-1, 90 Duro, .351" ID x .072" Thk

1шт.

5a

238-6011

O-RING,0.07" Thk x 0.301" ID, -11, Cl 6, 90 Duro

1шт.

6

201-303

ELBOW,90 Degree Elbow, 9/16" - 18 Male ORFS x 7/16" - 20 Male ORB

- 90 degree, 9/16-18 face seal x 7/16-20 inch adjustable O-ring boss, Includes: Ref. 7 & 7A

4шт.

7

237-6004

O-RING,0.072" Thk x 0.351" ID, -904, Cl 6, 90 Duro

4-1, 90 Duro, .351" ID x .072" Thk

1шт.

7a

238-6011

O-RING,0.07" Thk x 0.301" ID, -11, Cl 6, 90 Duro

1шт.

8

192384A1

HOSE,6.35mm ID x 255mm L

- valve to block, 10 inch (254 mm) long

2шт.

9

192404A1

VALVE

BLOCK ASSEMBLY - relief valve, parts list Figure 6-44

1шт.

10

140747C92

SEAL KIT

KIT - valve block mounting seal, valve block, parts list Figure 6-44

1шт.

11

140769C1

CHECK VALVE

VALVE ASSEMBLY - check, Includes: Ref. 12 & 13

2шт.

12

238-6113

O-RING,0.103" Thk x 0.549" ID, -113, Cl 6, 90 Duro

1шт.

13

140770C1

RING

- backup

1шт.

14

NSS

NOT SOLD SEPARAT

HOUSING - end cover, order motor assembly

1шт.

15

426-732

BOLT,Hex, 7/16" - 14 x 2", Gr 8

2шт.

16

413-748

BOLT,Hex, 7/16" - 14 x 3", Gr 5

6шт.

142398C91

SHIM KIT

KIT - shim, end cover, Includes: Ref. 17

1шт.

17

NSS

NOT SOLD SEPARAT

SHIM - bearing, 0.003 inch

1шт.

17

NSS

NOT SOLD SEPARAT

SHIM - bearing, 0.005 inch

1шт.

17

NSS

NOT SOLD SEPARAT

SHIM - bearing, 0.010 inch

1шт.

17

NSS

NOT SOLD SEPARAT

SHIM - bearing, 0.015 inch

1шт.

17

NSS

NOT SOLD SEPARAT

SHIM - bearing, 0.020 inch

1шт.

17

NSS

NOT SOLD SEPARAT

SHIM - bearing, 0.030 inch

1шт.

18

530741R1

BEARING CUP

CUP - tapered roller bearing, 2-17/32 inch OD, input shaft

1шт.

19

400983R91

ROLLER BEARING,1.18775" ID x 2.5317" OD x 0.8478"

CONE - tapered roller bearing, 1-3/16 inch ID, input shaft

1шт.

20

140756C2

GASKET

- end cover

1шт.

21

399934C1

BEARING CUP,73.43mm OD x 15.75mm W

CUP - tapered roller bearing, 2-57/64 inch OD, trunnion

2шт.

22

399933C91

ROLLER BEARING,45.24mm ID x 19.81mm W

CONE - tapered roller bearing, 1-25/32 inch ID, trunnion

2шт.

142386C91

SHIM KIT

KIT - shim, trunnion bearing, Includes: Ref. 23

1шт.

23

NSS

NOT SOLD SEPARAT

SHIM - trunnion, 0.002 inch, six in kit

1шт.

23

NSS

NOT SOLD SEPARAT

SHIM - trunnion, 0.005 inch, four in kit

1шт.

23

NSS

NOT SOLD SEPARAT

SHIM - trunnion, 0.010 inch, four in kit

1шт.

23

NSS

NOT SOLD SEPARAT

SHIM - trunnion, 0.015 inch, four in kit

1шт.

23

NSS

NOT SOLD SEPARAT

SHIM - trunnion, 0.025 inch, four in kit

1шт.

24

238-5234

O-RING,0.139" Thk x 2.984" ID, -234, Cl 5, 75 Duro

2шт.

25

NSS

NOT SOLD SEPARAT

TRUNNION - motor, order motor assembly

2шт.

26

413-714

BOLT,Hex, 7/16" - 14 x 7/8", Gr 5

- hex, 7/16 NC x 7/8 inch

6шт.

27

218-5158

PLUG,Hex Hd, 1 1/16"-12 ORB

- hex, 1-1/16-12 inch O-ring boss, Includes: Ref. 28

1шт.

28

237-6012

O-RING,0.116" Thk x 0.924" ID, -912, Cl 6, 90 Duro

12-1, 90 Duro, .924 ID x .116" Thk

1шт.

29

278548

PLUG,Hex, 7/16"-20 ORB

Incl Ref 30 Hex Soc, 7/16"-20 ORB

1шт.

30

237-6004

O-RING,0.072" Thk x 0.351" ID, -904, Cl 6, 90 Duro

4-1, 90 Duro, .351" ID x .072" Thk

1шт.

31

9672438

PLUG,7/16" - 20 ORB

Incl. Ref. 32 Hex Hd, 7/16"-20 ORB

1шт.

32

237-6004

O-RING,0.072" Thk x 0.351" ID, -904, Cl 6, 90 Duro

4-1, 90 Duro, .351" ID x .072" Thk

1шт.

33

190117A1

COUPLING

COUPLER - diagnostic

1шт.

34

H434163

DUST CAP

CAP - dust

1шт.

Выбрано товаров: 48