Запчасти Case IH 2166 (5-30) - AXLE HYDRAULIC MOTOR SYSTEM, POWER GUIDE AXLE (04) - STEERING

Схема запчастей Case IH 2166 - (5-30) - AXLE HYDRAULIC MOTOR SYSTEM, POWER GUIDE AXLE (04) - STEERING
3
26
23
1
2
3
7
4
6
1
9
3
3
24
27
7
12
20
9
4
7
22
21
8
25
10
8
6
3
11
19
18
FIT
1:1
100%

Артикул

Название

Примечание

Количество

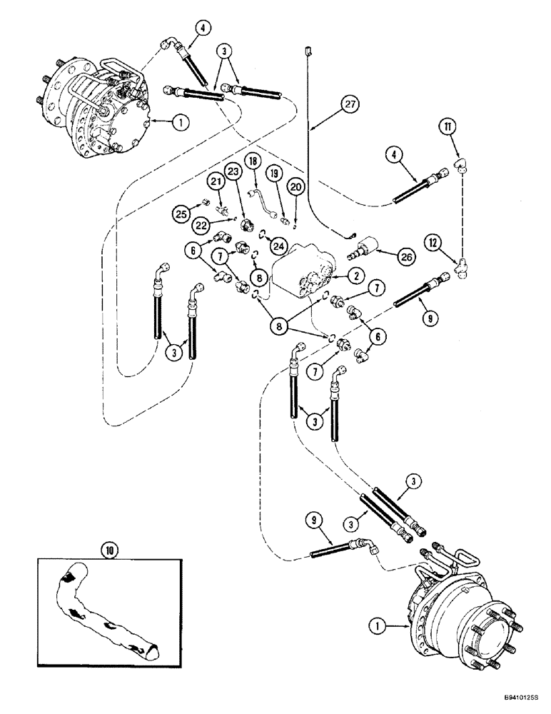
1

121436A1

MOTOR, HYDRAULIC

MOTOR ASSEMBLY - drive, wheel, corn and grain, parts list Figure 5-52

2шт.

87300716R

REMAN-HYDROSTAT MOTO

2166 - CASE IH AXIAL-FLOW COMBINE - 1/95-12/97, Reman For New P/N's 121436A1 & 87300716

2шт.

87300716C

CORE-HYDROSTAT MOTOR

Return Number

1шт.

Motors do not include pressure tubes as shown in the illustration. See Figure 5-40 for pressure tubes.

1шт.

2

1978000C1

VALVE

ASSEMBLY - selector, part list Figure 5-50

1шт.

3

1970387C1

HOSE

- 57 inch (1448 mm) long

4шт.

4

1970388C1

HOSE

- 67 inch (1702 mm) long

1шт.

6

218-5230

ELBOW,90 Degree, 3/4"-16, 37 Degree x 3/4"-16, 37 Degree Fem Sw

- 90 degree, 3/4-16 inch flare x swivel

4шт.

7

218-5070

HYD CONNECTOR,3/4" - 16 Male JIC x 1-1/16" - 12 Male ORB

ADAPTER - straight, 3/4-16 flare x 1-1/16-12 inch O-ring boss, Includes: Ref. 8

4шт.

8

237-6012

O-RING,0.116" Thk x 0.924" ID, -912, Cl 6, 90 Duro

12-1, 90 Duro, .924 ID x .116" Thk

1шт.

9

1970389C1

HOSE

- 61 inch (1549 mm) long

1шт.

10

1970108C1

PROTECTIVE COVER

SLEEVE - nylon, 2-3/8 (60) ID x 48 inch (1219 mm) long

2шт.

11

218-5230

ELBOW,90 Degree, 3/4"-16, 37 Degree x 3/4"-16, 37 Degree Fem Sw

- 90 degree, 3/4-16 inch flare x swivel

1шт.

12

218-845

TEE,37 Degree, 3/4"-16 x 3/4"-16, Fem Sw Run

- 3/4-16 inch flare branch x flare x swivel

1шт.

18

1970140C1

TUBE,4.78 mm ID

- pressure, charge

1шт.

19

218-5053

HYD CONNECTOR,7/16" - 20 JIC x 7/16" - 20 ORB

ADAPTER - straight, 7/16-20 flare x O-ring boss, Incl. Ref. 20

1шт.

20

237-6004

O-RING,0.072" Thk x 0.351" ID, -904, Cl 6, 90 Duro

4-1, 90 Duro, .351" ID x .072" Thk

1шт.

21

218-5289

TEE,7/16" - 20 Male JIC x 7/16" - 20 Male JIC x 7/16" - 20 Male ORB

- 7/16-20 inch flare branch x flare x adjustable O-ring boss, Includes: Ref. 22

1шт.

22

237-6004

O-RING,0.072" Thk x 0.351" ID, -904, Cl 6, 90 Duro

4-1, 90 Duro, .351" ID x .072" Thk

1шт.

23

1970176C1

PLUG

ASSEMBLY - hex, special, Includes: Ref. 24

1шт.

24

237-6012

O-RING,0.116" Thk x 0.924" ID, -912, Cl 6, 90 Duro

12-1, 90 Duro, .924 ID x .116" Thk

1шт.

25

218-752

CAP,37 Degree, 7/16"-20

Hex 37º, 7/16"-20

1шт.

26

REF

INSTRUCTION

SOLENOID ASSEMBLY - spool, charge pressure, See Figure 5-50, Ref. 60 - 64, for solenoid coil kit

1шт.

27

1964572C2

WIRE HARNESS

CABLE - power, solenoid

1шт.

Выбрано товаров: 24