Запчасти Case IH 2166 (4-64) - FEEDER REVERSER MOTOR ASSEMBLY (06) - ELECTRICAL

Схема запчастей Case IH 2166 - (4-64) - FEEDER REVERSER MOTOR ASSEMBLY (06) - ELECTRICAL
44
38
42
36
14
31
25
43
41
19
16
1
22
45
21
8
6
15
30
7
17
26
33
30
10
28
27
4
20
12
39
29
31
9
35
3
30
32
23
5
24
40
11
34
46
18
2
13
37
FIT
1:1
100%

Артикул

Название

Примечание

Количество

245927C92

STARTING MOTOR

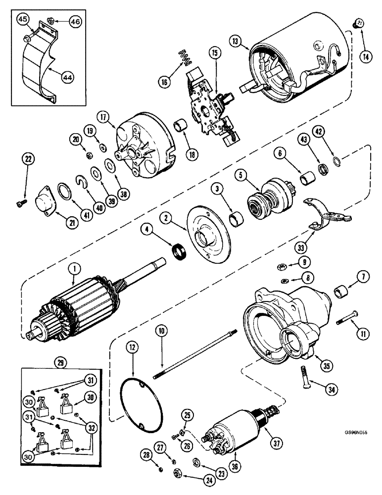
MOTOR ASSEMBLY - feeder reverser, Includes: Ref. 1 - 46

1шт.

245927C93R

REMAN-STARTER

Reman for New PN 245927C92

1шт.

245927C93C

CORE-STARTER

Return Number

1шт.

245927C91

STARTING MOTOR

MOTOR ASSEMBLY - feeder reverser, no longer available, order motor assembly 245927C92, Includes: Ref. 1 - 46

1шт.

245927C93R

REMAN-STARTER

REMANUFACTURED STARTING MOTOR

1шт.

245927C93C

CORE-STARTER

Return Number, STARTING MOTOR

1шт.

1

A186232

ARMATURE

ARMATURE - motor

1шт.

2

A186233

HOUSING

BEARING - plate

1шт.

3

3079432R1

BUSHING

BUSHING - clutch

1шт.

4

A186234

SEAL

SEAL - bearing plate

1шт.

5

A186235

DRIVE,Starter

CLUTCH - drive

1шт.

6

3079254R1

BUSHING

BUSHING - clutch

2шт.

7

3055738R1

BUSHING

BUSHING - frame

1шт.

8

3053133R1

SEALING RING,M8 x 11.5 x 1

RING - gasket, vent screw

1шт.

9

691265C1

NUT

NUT - hex, special

1шт.

10

3079172R1

STUD

STUD - frame

2шт.

11

A186236

SCREW,Torx, M5 x 45mm

SCREW - flat head, special

3шт.

12

A186237

RETAINER

RING - bearing plate

1шт.

13

A186238

COIL

COIL - field

1шт.

14

3079552R1

BOLT,Flat

SCREW - field coil (Replaces screw 3129639r1)

4шт.

15

K965157

BRUSH, COMMUTATOR

BRUSH HOLDER - brush (Replaces holder 3079174r1)

1шт.

re it no. 15 - k965157: TAKES 5/8" BRUSH BOSCH # 2 004 336 027. IF YOU NEED A 1" ORDER K260713 holder. ph-cam

1шт.

16

3079420R1

SPRING

SPRING - brush

4шт.

17

A186239

COVER

SHIELD - holder

1шт.

18

K965145

BUSHING

BUSHING - holder (Replaces bushing 3079170r1)

1шт.

19

3079176R1

WASHER

WASHER - flat, no longer used, order holder K965157, Ref. 15

2шт.

20

825-1406

NUT,M6, Cl 8

NUT, M6, Cl 8

2шт.

21

K965149

COVER

CAP - holder (Replaces cap 3079177r1)

1шт.

22

K965146

SCREW

SCREW - fillister head (Replaces screw 3079426r1)

2шт.

23

A186240

WASHER

WASHER - lock

2шт.

24

825-1410

NUT,M10, Cl 8

Nut, M10, Cl 8

2шт.

25

A186241

CLAMP

CLAMP - saddle

1шт.

26

K965151

SCREW

SCREW - saddle clamp

1шт.

27

A186243

WASHER

WASHER - lock

2шт.

28

933824R1

THIN NUT,Thin, M4 x .5, Cl 04

NUT - hex, 4 mm

2шт.

29

3079359R91

BRUSH, COMMUTATOR

BRUSH KIT - brush, Includes: Ref. 30 - 32

1шт.

30

NSS

NOT SOLD SEPARAT

BRUSH - motor

4шт.

31

NSS

NOT SOLD SEPARAT

SCREW - brush

4шт.

32

NSS

NOT SOLD SEPARAT

NUT - brush

4шт.

33

K965134

LEVER

FORK - clutch drive (Replaces fork 3078965r1)

1шт.

34

3079430R1

BOLT,Flat

SCREW - fork pivot

1шт.

35

A186246

FRAME

SHIELD - drive end

1шт.

36

A186244

SWITCH

SOLENOID - switch, with plate contacts, used with motor 245927C91

1шт.

36

251829A1

SOLENOID

SOLENOID - switch, with conical contacts, used with motor 245927C92

1шт.

37

A186245

DIAPHRAGM

DIAPHRAGM - solenoid

1шт.

3079555R91

PACKAGE

KIT - motor repair, Includes: Ref. 38 - 46

1шт.

38

NSS

NOT SOLD SEPARAT

SHIM - motor, order 3079555R91 kit

1шт.

39

NSS

NOT SOLD SEPARAT

SHIM - motor, order 3079555R91 kit

1шт.

40

NSS

NOT SOLD SEPARAT

WASHER - locking, order 3079555R91 kit

1шт.

41

NSS

NOT SOLD SEPARAT

RING - seal, order 3079555R91 kit

1шт.

42

NSS

NOT SOLD SEPARAT

RETAINER - ring, order 3079555R91 kit

1шт.

43

NSS

NOT SOLD SEPARAT

RING - stop, order 3079555R91 kit

1шт.

44

246652A1

GUARD

SHIELD - heat dissipation, if used

2шт.

45

409-7416

BOLT,Hex Flg, 1/4" - 20 x 1", Spcl

BOLT, , Used with shield 246652A1, if used Hex Flg, 1/4"-20 x 1", Serr

4шт.

46

231-5144

SERRATED NUT,Flg, USR, 1/4"-20

NUT, , Used with shield 246652A1, if used Flg, USR, 1/4"-20

4шт.

Выбрано товаров: 55