Запчасти Case IH 2166 (8-30) - CONTROL VALVES AND MOUNTING (07) - HYDRAULICS

Схема запчастей Case IH 2166 - (8-30) - CONTROL VALVES AND MOUNTING (07) - HYDRAULICS
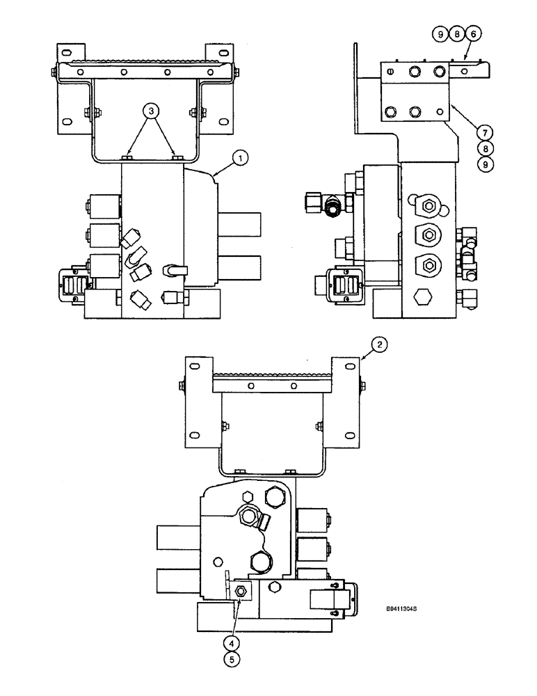
1
8
4
6
2
5
9
8
9
7
3
FIT
1:1
100%

Артикул

Название

Примечание

Количество

1

124565A3

VALVE, CONTROL

VALVE ASSEMBLY - header lift, parts list Figure 8-32, if used

1шт.

1

124566A3

VALVE, CONTROL

VALVE ASSEMBLY - header lift with reel fore and aft, parts list Figure 8-34, if used

1шт.

1

124567A3

VALVE, CONTROL

VALVE ASSEMBLY - header lift with reel fore and aft and field tracker, parts list Figure 8-36, if used

1шт.

1

124567A3R

REMAN-HYD VALVE

REMAN VALVE ASSEMBLY - header lift with reel fore and aft and field tracker, parts list Figure 8-36, if used

1шт.

1

124567A3C

CORE-VALVE HYD

Core Return Number

1шт.

2

123883A2

SUPPORT

BRACKET - valve mounting

1шт.

3

905-10020

BOLT,Hex Flg, M10 x 20mm

4шт.

4

127379A1

SUPPORT

- valve, rear, mounts to tube clamp support bolt

1шт.

5

829-1410

NUT,M10 x 1.5, Cl 10.9

See Figure 8-32 for Mounting Stud at Valve Body M10, Cl 10

1шт.

6

1531337C1

STEP

- service, at valve mounting bracket

1шт.

7

141410A1

SUPPORT

- step

2шт.

8

409-7512

BOLT,Hex Flg, 5/16" - 18 x 3/4", Spcl

- hex serrated flange, 5/16 NC x 3/4 inch

8шт.

9

231-5145

SERRATED NUT,Flg, USR, 5/16"-18

NUT - hex serrated flange, 5/16 inch NC

8шт.

Выбрано товаров: 13