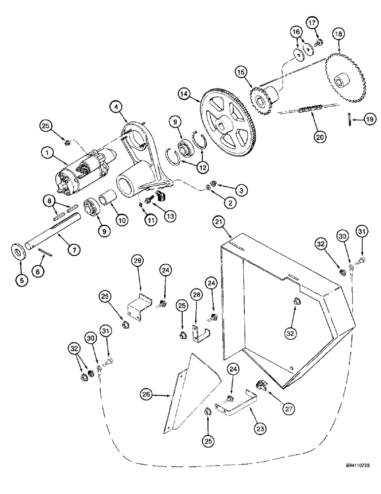
Запчасти Case IH 2166 (9A-50) - FEEDER REVERSER, WITHOUT ROCK TRAP (13) - FEEDER

Схема запчастей Case IH 2166 - (9A-50) - FEEDER REVERSER, WITHOUT ROCK TRAP (13) - FEEDER
9
24
30
1
23
29
19
31
12
14
27
32
25
28
3
10
30
4
16
15
20
31
25
11
26
5
25
24
17
8
21
18
25
9
2
32
7
6
24
32
13
FIT
1:1
100%

Артикул

Название

Примечание

Количество

1

245927C92

STARTING MOTOR

MOTOR ASSEMBLY - feeder reverser, parts list Figure 4-64

1шт.

1

245927C93R

REMAN-STARTER

Reman for New PN 245927C92

1шт.

1

245927C93C

CORE-STARTER

Return Number

1шт.

2

180358

LOCK WASHER,Int Tooth, 3/8", Hvy

WASHER - special

2шт.

3

329-286

FLANGE NUT,Flg, 3/8"-16, G8

2шт.

4

176110A1

HOUSING

- shaft

1шт.

5

896-16036

WASHER,39mm ID x 78mm OD x 7mm Thk

- flat, 39 x 78 x 7 mm, hardened

1шт.

6

38-33248

PIN,1/2" x 3", Coiled

1шт.

7

1321534C1

SHAFT

- reverser

1шт.

8

Q51

KEY,3/8" Sq x 2 1/2", Par

2шт.

9

597537R91

BEARING ASSY,38.1mm ID x 80mm OD x 18mm W

BEARING - ball

2шт.

10

1321523C1

SPACER

- bearing

1шт.

11

219-87

LUBE NIPPLE,1/4" - 28 NPTF

NIPPLE, LUBE, 1/4"-28 x .56" lg, Self-Tap

1шт.

12

100-21315

SNAP RING,3.156", Int, #315

Ring, Snap, 3.156", Int, #315

2шт.

13

409-7624

BOLT,Hex Flg, 3/8" - 16 x 1 1/2", Spcl

2шт.

14

1321537C91

FLYWHEEL

- motor

1шт.

15

1329717C1

SPROCKET

- drive, 20 teeth

1шт.

16

495-91167

WASHER,13.49mm ID x 50.8mm OD x 3.4mm Thk

- flat, 17/32 x 2 x 7/64 inch

2шт.

17

409-7816

BOLT,Hex Flg, 1/2" - 13 x 1", Spcl

- hex serrated flange, 1/2 NC x 1 inch

1шт.

18

1329720C2

SPROCKET

- driven, 40 teeth

1шт.

19

432-2040

COTTER PIN,5/16" x 2 1/2"

Pin, Split (Cotter), 5/16" x 2 1/2"

1шт.

20

1321524C94

CHAIN,60, 76 Links x 19.05mm = 1447.8mm

- drive, 57 inch long, 76 links

1шт.

21

126240A8

SHIELD

- feeder reverser

1шт.

23

132683A2

SUPPORT

- shield, lower front

1шт.

24

409-7616

BOLT,Hex Flg, 3/8" - 16 x 1", Spcl

6шт.

25

231-5146

FLANGE NUT,3/8"-16

9шт.

26

186266A2

SUPPORT

SHIELD - filler

1шт.

27

138699A1

LOCK

LATCH - reverser shield

1шт.

27

135476A1

LOCK

LATCH - shield, Australia only

1шт.

28

132685A2

SUPPORT

BRACKET - shield, upper front

1шт.

29

132686A3

SUPPORT

BRACKET - shield, upper rear

1шт.

30

132657A2

CABLE

- tether

1шт.

31

413-416

BOLT,Hex, 1/4" - 20 x 1", Gr 5

- hex, 1/4 NC x 1 inch

2шт.

32

231-5144

SERRATED NUT,Flg, USR, 1/4"-20

4шт.

111714A1

LINK,Connecting

KIT - connecting link, Includes: link, O-rings, link plate, pin, lube pack and instructions

1шт.

Выбрано товаров: 35