Запчасти Case IH 2166 (2-19A) - EXHAUST SYSTEM, COMBINE P.I.N. JJC0180000 AND AFTER (01) - ENGINE

Схема запчастей Case IH 2166 - (2-19A) - EXHAUST SYSTEM, COMBINE P.I.N. JJC0180000 AND AFTER (01) - ENGINE
10
5
3
1
15
9
12
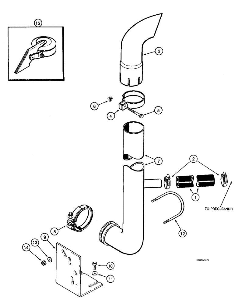
7
2
13
14
11
8
4
6
FIT
1:1
100%

Артикул

Название

Примечание

Количество

1

120223A2

RADIATOR HOSE,31.75 mm ID x 737.00 mm, SAE 20R2

- Exhaust aspirator 31.75 mm ID x 737.00 mm, SAE 20R2

1шт.

2

214-1420

HOSE CLAMP,#20, 0.81" - 1.75", Type F Worm

CLAMP, HOSE, , Adj. #20, 0.81/1.75 Type F Worm

2шт.

3

1977117C2

TUBE,114.3 mm OD

- exhaust aspirator, top

1шт.

4

650986C1

CLAMP,69.85mm - 82.55mm

- tube

1шт.

5

409-7624

BOLT,Hex Flg, 3/8" - 16 x 1 1/2", Spcl

1шт.

6

231-5146

FLANGE NUT,3/8"-16

1шт.

7

197045A1

ASPIRATOR

TUBE - exhaust aspirator

1шт.

8

A170807

CLAMP,102mm ID

retaining, special

1шт.

9

84569C8

SUPPORT TUBE

BRACKET - tube support

1шт.

10

854-10020

BOLT,Hvy Hex, M10 x 20mm, Cl 10.9

- heavy hex flange, 10 - 1.5 x 20 mm, class 10.9

2шт.

11

495-81140

WASHER,13/32" x 1 1/4" x .060"

- flat, 13/32 x 1-1/4 x 1/16 inch

2шт.

12

117410A2

U-BOLT

3/8"

1шт.

13

495-81140

WASHER,13/32" x 1 1/4" x .060"

- flat, 13/32 x 1-1/4 x 1/16 inch

2шт.

14

231-4116

NUT,3/8"-16, GB

NUT - hex, self-locking, 3/8 inch NC

2шт.

15

1541961C2

CAP

- exhaust pipe, if used

1шт.

Выбрано товаров: 15