Запчасти Case IH 2166 (9D-22) - TAILINGS DELIVERY AUGER (16) - GRAIN ELEVATORS & AUGERS

Схема запчастей Case IH 2166 - (9D-22) - TAILINGS DELIVERY AUGER (16) - GRAIN ELEVATORS & AUGERS
1
26
13
21
12
6
25
7
4
21
24
2
27
11
14
19
15
5
10
19
22
FIT
1:1
100%

Артикул

Название

Примечание

Количество

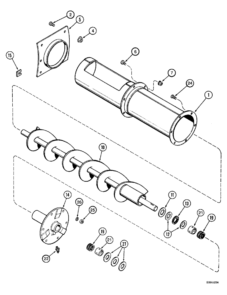
1

185225C1

TUBE,6.56" Length

- delivery auger

1шт.

2

477-73112

SERRATED SCREW,Sl Truss Hd, 5/16" - 18 x 3/4"

- serrated slotted truss head, 5/16 NC x 3/4"

6шт.

4

231-5145

SERRATED NUT,Flg, USR, 5/16"-18

NUT - hex serrated flange, 5/16 inch NC

6шт.

5

186700C1

COVER

FLANGE - tube

1шт.

6

477-73112

SERRATED SCREW,Sl Truss Hd, 5/16" - 18 x 3/4"

- serrated slotted truss head, 5/16 NC x 3/4"

6шт.

7

231-5145

SERRATED NUT,Flg, USR, 5/16"-18

NUT - hex serrated flange, 5/16 inch NC

6шт.

10

193225C1

AUGER

- delivery

1шт.

11

495-11106

WASHER,1", SAE

- flat, 1-1/16 x 2 x 1/8 inch

1шт.

12

T38017

WASHER,25.45mm ID x 39.42mm OD x 2.41mm Thk

- thrust

2шт.

13

G13609

THRUST BEARING,25.4mm ID x 39.67mm OD x 1.98mm W

BEARING, THRUST - Needle

1шт.

14

1324840C1

BEARING HOUSING,36.525 mm ID x 50 mm OD x 43, 160 mm

- bearing

1шт.

15

151670C1

SHIM

SHIM - .036 inch

4шт.

19

574940R91

NEEDLE BEARING,Needle, 25.39mm ID x 33.35mm OD x 25.4mm W

BEARING - needle, auger hub

2шт.

21

564592R91

SEAL,23.5mm ID x 36.6mm OD x 6.5mm Thk

- hub bearing

2шт.

22

219-90

LUBE NIPPLE,45 Degree Elbow, 1/4" -28 NPTF

FITTING - grease, 45 degree, 1/4-28 special taper x 13/16 inch

1шт.

24

413-516

BOLT,Hex, 5/16" - 18 x 1", Gr 5

- hex, 5/16 NC x 1 inch

6шт.

25

425-105

NUT,5/16"-18, G5

- hex, 5/16 inch NC

6шт.

26

492-11031

LOCK WASHER,5/16"

WASHER, LOCK, 5/16"

6шт.

27

495-81076

WASHER,26.19mm ID x 50.8mm OD x 1.7mm Thk

- flat, 1-1/32 x 2 x 1/16 inch

1шт.

Выбрано товаров: 19