Запчасти Case IH 2166 (9E-28) - UNLOADER, SUPPORTS (17) - GRAIN TANK & UNLOADER

Схема запчастей Case IH 2166 - (9E-28) - UNLOADER, SUPPORTS (17) - GRAIN TANK & UNLOADER
9
16
19
26
28
20
2
14
22
7
28
19
3
8
24
12
20
1
26
6
8
21
18
25
10
17
23
27
13
6
FIT
1:1
100%

Артикул

Название

Примечание

Количество

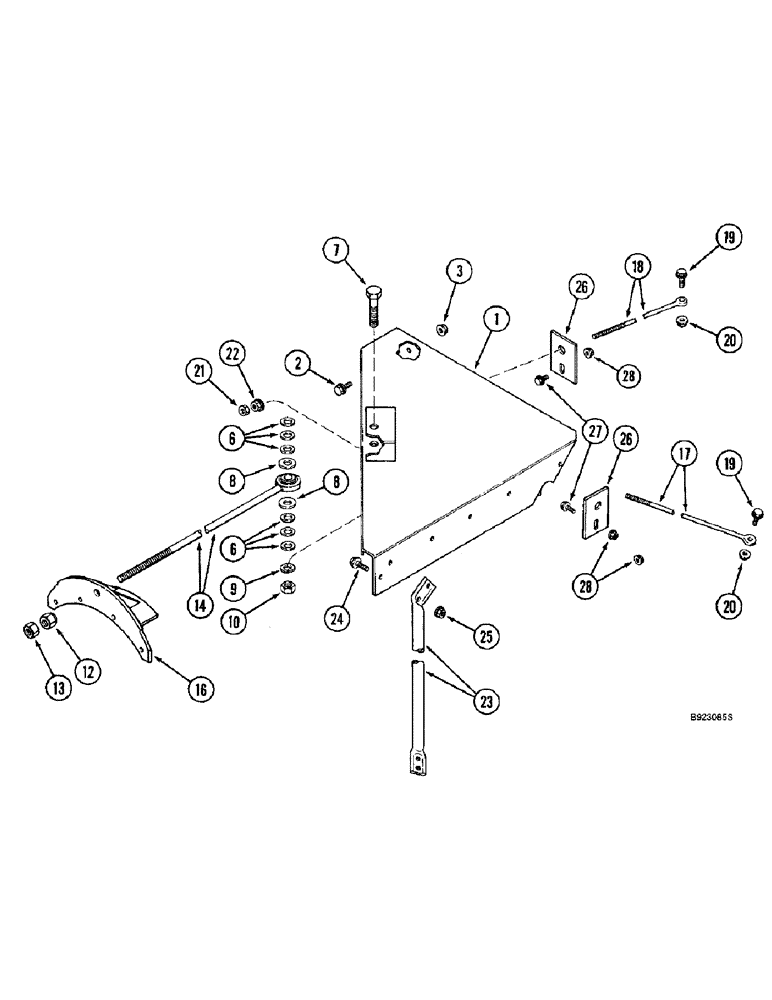
1

1327529C2

BRACKET

SUPPORT - rod anchor

1шт.

2

409-7616

BOLT,Hex Flg, 3/8" - 16 x 1", Spcl

8шт.

2

409-7516

BOLT,Hex Flg, 5/16" - 18 x 1", Spcl

1шт.

3

231-5146

FLANGE NUT,3/8"-16

8шт.

3

231-5145

SERRATED NUT,Flg, USR, 5/16"-18

NUT - hex serrated flange, 5/16 inch NC

1шт.

6

495-81175

WASHER,21/32" x 1" x .120"

- flat, 21/32 x 1 x 7/64 inch

6шт.

7

413-1048

BOLT,Hex, 5/8" - 11 x 3", Gr 5

1шт.

8

496-21066

WASHER,16.6mm ID x 33.5mm OD x 3.8mm Thk

- flat, 21/32 x 1-5/16 x 5/32 inch, hardened

2шт.

9

492-11062

BEARING WASHER,5/8"

WASHER, LOCK, 5/8"

1шт.

10

425-1010

NUT,5/8"-11, G5

2шт.

12

554480R1

WHEEL NUT

- hex, special, 5/8 inch NF

1шт.

13

425-1110

NUT,5/8"-18, G5

1шт.

14

1979616C2

ROD

- unloader anchor support

1шт.

16

1317516C1

SUPPORT TUBE

SUPPORT - anchor support rod

1шт.

17

193625C1

ROD

- unloader front lower

2шт.

18

1979494C1

ROD

- unloader front lower

1шт.

19

409-7620

BOLT,Hex Flg, 3/8" - 16 x 1 1/4", Spcl

- hex serrated flange, 3/8 NC x 1-1/4 inch

3шт.

20

231-5146

FLANGE NUT,3/8"-16

3шт.

21

425-108

NUT,1/2" - 13, Gr 5

NUT, , Hex 1/2"-13, G5

3шт.

22

231-5148

FLANGE NUT,Flg, USR, 1/2"-13

3шт.

23

1338378C1

ROD

BRACE - support

1шт.

24

409-7620

BOLT,Hex Flg, 3/8" - 16 x 1 1/4", Spcl

- hex serrated flange, 3/8 NC x 1-1/4 inch

4шт.

25

231-5146

FLANGE NUT,3/8"-16

4шт.

26

186691C1

PLATE

- support rod

3шт.

27

409-7512

BOLT,Hex Flg, 5/16" - 18 x 3/4", Spcl

- hex serrated flange, 5/16 NC x 3/4 inch

3шт.

28

231-5145

SERRATED NUT,Flg, USR, 5/16"-18

NUT - hex serrated flange, 5/16 inch NC

3шт.

Выбрано товаров: 26