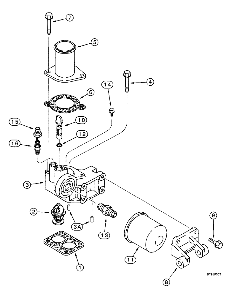
Запчасти Case IH 2166 (2-39A) - THERMOSTAT HOUSING & WATER FILTER, 6TA-830 EMISSIONS CERT. ENGINE, COMBINE P.I.N. JJC0180000 & AFTER (01) - ENGINE

Схема запчастей Case IH 2166 - (2-39A) - THERMOSTAT HOUSING & WATER FILTER, 6TA-830 EMISSIONS CERT. ENGINE, COMBINE P.I.N. JJC0180000 & AFTER (01) - ENGINE
13
9
5
11
14
7
15
12
3a
3
4
6
10
16
8
1
2
FIT
1:1
100%

Артикул

Название

Примечание

Количество

1

J914310

GASKET,0.8mm Thk

- thermostat housing

1шт.

2

J928639

THERMOSTAT

- engine coolant

1шт.

J926509

HOUSING,Thermostat

ASSEMBLY - thermostat, Includes: Ref. 3 & 3A

1шт.

3

NSS

NOT SOLD SEPARAT

HOUSING - thermostat, order housing assembly J926509

1шт.

3a

180811A1

ROLL PIN

PIN - roll, special

2шт.

4

845-8080

BOLT,Hvy Hex, M8 x 80mm, Cl 8.8

- heavy hex flange, 8 - 1.25 x 80 mm

2шт.

5

J912800

CONNECTION

TUBE - water outlet

1шт.

6

J918779

GASKET,1.19mm Thk

- outlet tube, water

1шт.

7

845-8095

BOLT,Hvy Hex, M8 x 95mm, Cl 8.8

- heavy hex flange, 8 - 1.25 x 95 mm

2шт.

8

J918544

SUPPORT

- mounting, alternator

1шт.

9

845-8025

BOLT,Hex Flg, M8 x 25mm, Cl 8.8

- heavy hex flange, 8 - 1.25 x 25 mm

4шт.

10

J912837

COCK

VALVE - shutoff

1шт.

11

A77544

FILTER

- water conditioning, precharge

1шт.

12

238-5111

O-RING,0.103" Thk x 0.424" ID, -111, Cl 5, 75 Duro

1шт.

13

A77623

ADAPTER,3/4" - 10 x 11/16" - 16

- water filter

1шт.

14

845-6010

BOLT,Hvy Hex, M6 x 10mm, Cl 8.8

1шт.

15

J911925

COUPLING

- hose

1шт.

16

J911901

VALVE, CHECK

VALVE - check

1шт.

Выбрано товаров: 18