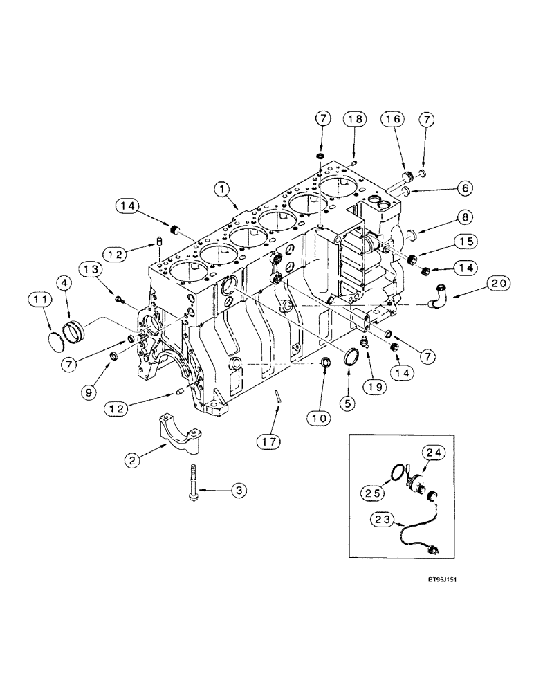
Запчасти Case IH 2166 (2-43A) - CYLINDER BLOCK, 6TA-830 EMISSIONS CERTIFIED ENGINE, COMBINE P.I.N. JJC0180000 AND AFTER (01) - ENGINE

Схема запчастей Case IH 2166 - (2-43A) - CYLINDER BLOCK, 6TA-830 EMISSIONS CERTIFIED ENGINE, COMBINE P.I.N. JJC0180000 AND AFTER (01) - ENGINE
7
14
16
3
12
11
4
19
25
9
12
18
6
14
13
7
10
17
1
5
8
7
23
15
20
24
14
7
2
FIT
1:1
100%

Артикул

Название

Примечание

Количество

124708A2

MOTOR

ENGINE ASSEMBLY - 6TA-830 Emissions Certified, complete, production only, for service order basic engine below, Includes: Ref. 1 - 20

1шт.

The engine part number is stamped on a metal tag which is mounted on the front gear cover.

1шт.

199949A1

BASIC ENGINE

ENGINE ASSEMBLY - basic, Includes: Ref. 1 - 20

1шт.

Includes: all parts except starter, alternator, fan, fan belt, air cleaner, muffler, exhaust manifold, flywheel and housing, oil fill and dipstick, fuel injection pump, injectors and lines, front pulley, belt tensioner, turbocharger and aftercooler

1шт.

199949A1R

REMAN-BASIC ENGINE

Engine Assembly - remanufactured component parts shown on this Figure do not apply to the remanufactured assembly, Includes: Ref. 1 - 20; See Note

1шт.

199949A1C

CORE-BASIC ENGINE

Return Part Number use this part number to return engine core for credit when using a remanufactured assembly

1шт.

J931187

SKELETON ENGINE

BLOCK ASSEMBLY - short, new, Includes: stripped block, pistons, connecting rods and bearings, crankshaft and bearings, Includes: Ref. 1 - 20

1шт.

JR931187

BLOCK

Assembly - short, remanufactured component parts shown on this Figure do not apply to the remanufactured assembly, Includes: Ref. 1 - 20

1шт.

JC931187

CORE-ENGINE

Return Part Number use this part number to return block core for credit when using a remanufactured assembly

1шт.

1

J929524

CRANKCASE

BLOCK ASSEMBLY - stripped engine, no longer available, order components, Includes: Ref. 2 - 8

1шт.

Order Ref. 9 - 20 when ordering J929604 stripped block.

1шт.

2

J917313

BEARING CAP

CAP - bearing, main

7шт.

3

J916369

FLANGE BOLT,Hex, M14 x 2 x 128mm, Cl 10.9

SCREW, , Main bearing cap to block Hex Flg Hd, M14 x 128

14шт.

4

J901685

BUSHING

- camshaft

7шт.

5

A77782

PLUG

- expansion, 58 mm OD

1шт.

6

A77586

PLUG

- expansion, 28.9 mm OD

1шт.

7

A77506

PLUG

- expansion, 21 mm OD

4шт.

8

J905401

PLUG

- expansion, 35 mm OD

4шт.

9

A77530

PLUG

- expansion, 30 mm OD

2шт.

10

J920706

PLUG

- expansion, 22 mm OD, not used in this application

1шт.

11

41-3044

PLUG,Exp, 2 3/4"

1шт.

12

J901846

PIN,12.01mm OD x 24mm L

- dowel

4шт.

13

J906619

PLUG,1/8" - 27

- hex, 1/8 inch PT

6шт.

14

A77429

PLUG

- hex socket, 1/2 inch PT

5шт.

15

A77505

PLUG

- hex socket, 3/4 inch PT

2шт.

16

A77533

PLUG

- hex socket, 1 inch PT

1шт.

17

J928031

NOZZLE,8.5mm OD x 30mm L

- piston cooling (Replaces nozzle J919003)

12шт.

18

J900257

PIN,10.01mm OD x 16mm L

- dowel, 16 mm long

2шт.

19

217-103

COCK, DRAIN

VALVE - 1/4 inch PT

1шт.

20

J903744

PIPE FITTING,22.42 mm ID x 28 mm OD x 90.2, 64 mm L

TUBE - turbocharger oil drain, See Figure 2-26 for connecting turbocharger parts

1шт.

196804A1

KIT

- engine block heater, Includes: Ref. 23 - 26

1шт.

23

196466A1

ELECTRIC CABLE

CABLE - engine block heater (Replaces cable J905113)

1шт.

24

NSS

NOT SOLD SEPARAT

ELEMENT - heater, 120 volt, order kit 196804A1, engine block

1шт.

25

J910517

O-RING

- heater sealing, engine block

1шт.

26

L18337

CABLE TIE,9.95"-12.1" lg

STRAP - tie, 15 inch, not shown, engine block heater

1шт.

Выбрано товаров: 35